-
- Объявления
|
Электромонтаж Электромонтажные работы в деревянном доме. www.electric-house.ru |
Местная Конституция | FAQ - Часто задаваемые вопросы | Для новичков! | Реклама на форуме! | Публикация сообщений | Как вставить картинку или файл
Прежде чем задать вопрос, воспользуйтесь поиском - возможно, что такая тема уже есть на форуме. За нарушение правил Ваш вопрос может быть удален без объяснения причин!
- Скачать тему в PDF
- Кто смотрел тему
- Подписчиков: 3
- Добавили в закладки: 0
- Просмотры: 389
-
- Сообщение
Насосная станция управления СУ3
Пульт с отрезанными проводами, платами в пакете и словами "грелась вот это микросхема" передали мне.Схем в интернете и от производителя нет! Может кто-нибудь сталкивался? Мужики, выручите схемой или подсказками, чтобы избежать потери во времени и урожае?
Спасибо!
-
- Сообщение
Re: Насосная станция управления СУ3
Гарри писал(а):Схем в интернете нет!
Правда?

Раньше я завидовал тем, кто получал больше меня. Теперь я завидую тем, кто ходит на работу с удовольствием
-
- Сообщение
Re: Насосная станция управления СУ3
СУЗ-10: СУЗ-25: СУЗ-40: СУЗ-100: СУЗ-200
СУЗ-10 можно посмотреть вот здесь
Кое что можно посмотреть в каталогах Станции управления СУЗ, Лоцман
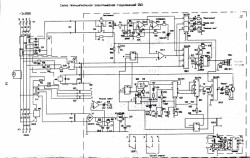
Ну есть вот такая схема СУЗ-100
- Вложения
-
- Сообщение
Re: Насосная станция управления СУ3
slavapril писал(а):Гарри писал(а):Схем в интернете нет!
Правда?
В Вашем прикрепленном файле электрической принципипиальной тоже нет! Сожалею!
Добавлено спустя 1 час 41 секунду:
Уважаемые коллеги, мое почтение! Выражаю признательность тем, кто выставил схему станции!!! Только с таким разрешением прочесть название элементов и т.п. невозможно! Если не затруднит, прошу Вас отправить эл. схему "СУ3" мне на е-мейл.......................удалено
Буду восстанавливать!
-
- Сообщение
- electrohoz

- Отв. за электрохозяйство

- Энергетик

- Прогресс звания:
-
- Заслуженная репутация: 38 +10 / -0




Re: Насосная станция управления СУ3
Гарри писал(а):В Вашем прикрепленном файле электрической принципипиальной тоже нет! Сожалею!
Так вы же просили схему, вам её дали! А силовая схема вам не нужна, у вас есть электрик!
-
- Сообщение
Re: Насосная станция управления СУ3
Гарри писал(а):с таким разрешением прочесть название элементов и т.п. невозможно!прошу Вас отправить эл. схему "СУ3"
2048х1536 - другого нет. Увеличивайте в графических редакторах насколько терпимо.
Раньше я завидовал тем, кто получал больше меня. Теперь я завидую тем, кто ходит на работу с удовольствием
-
- Ссылки на тему
| Ссылка: | |
| BBcode: | |
| HTML: |
-
- Похожие темы
- Ответы
- Просмотры
- Последнее сообщение
-
-
Вольтметр в шкафу управления
Brus в форуме Электрооборудование, электротехника - 0
- 487
-
Brus
13 окт 2010, 10:55
-
Вольтметр в шкафу управления
-
-
Система управления блокировкой
spectator в форуме Автотехника, автоэлектрика - 0
- 214
-
spectator
16 окт 2013, 15:43
-
Система управления блокировкой
-
-
Кнопки управления
Ярославич в форуме Вопросы от чайников - 2
- 969
-
elhouse
01 апр 2010, 07:37
-
Кнопки управления
-
-
Подключение эл.-магн. распределителя - гидравл. станция
sergeign в форуме Электрооборудование, электротехника - 1
- 553
-
sergey_sav
07 июн 2010, 22:17
-
Подключение эл.-магн. распределителя - гидравл. станция
-
- Объявления
Вернуться в Электрооборудование, электротехника
Кто на форуме
Всего посетителей: 1, из них зарегистрированных: 0, скрытых: 0 и гостей: 1 (основано на активности пользователей за последние 10 минут)
Больше всего посетителей (279) здесь было 04 сен 2013, 15:45
Сейчас эту тему просматривают: нет зарегистрированных пользователей и гости 1
Права доступа
Вы не можете начинать темы
Вы не можете отвечать на сообщения
Вы не можете редактировать свои сообщения
Вы не можете удалять свои сообщения
Вы не можете добавлять вложения
Легенда
| Новые сообщения | Нет новых сообщений | Форум закрыт | |||
| Подфорум Новые сообщения | Подфорум Нет новых сообщений | Ссылка на форум |
-
- Объявления
|
phpBB® Forum Software © phpBB Group
Русская поддержка phpBB Связь с администрацией Администраторский раздел |
|


Загрузка. Подождите...





















