-
- Объявления
|
Электромонтаж Электромонтажные работы в деревянном доме. www.electric-house.ru |
Местная Конституция | FAQ - Часто задаваемые вопросы | Для новичков! | Реклама на форуме! | Публикация сообщений | Как вставить картинку или файл
Прежде чем задать вопрос, воспользуйтесь поиском - возможно, что такая тема уже есть на форуме. За нарушение правил Ваш вопрос может быть удален без объяснения причин!
-
- Сообщение
-
AAAoleg / Автор темы

- Новенький
- Прогресс звания:
-
- Заслуженная репутация: 0 +0 / -0

Подключение насоса с таймером
Задача следующая: Возможно ли имея эти комплектующие и только один понижающий трансформатор включать и отключат насос и 3шт эл. маг. клапана в разное время? Если да, то помогите составить схему подключения.
Если для этой цели требуется какое-то еще оборудование, то подскажите какое?
Возможно не совсем правильно составил задачу, готов более расширенно задать вопрос.
Все признателен за помощь!
-
- Сообщение
-
slavapril





- Заслуженный Ректор клуба

- Энергетик

- Прогресс звания:
-
- Заслуженная репутация: 125 +40 / -0













Re: Подключение насоса с таймером
Раньше я завидовал тем, кто получал больше меня. Теперь я завидую тем, кто ходит на работу с удовольствием
-
- Сообщение
-
AAAoleg / Автор темы

- Новенький
- Прогресс звания:
-
- Заслуженная репутация: 0 +0 / -0

Re: Подключение насоса с таймером
Например: Время 9-00ч, включение насоса и эл. магнитного клапана №1 -это команда с первого выхода таймера. Через определенное время, например 9-30ч таймер отключает этот эл. магнитный клапан №1 и насос.
В 12-00ч таймер со второго канала включает насос и эл. магнитный клапан №2. В 12-30ч отключает.
15-00ч включение эл. магнитного клапана №3 и насоса с третьего канала таймера. Откл в 15-30.
Примерно вот такой режим работы этого оборудования.
-
- Сообщение
-
electrohoz


- Отв. за электрохозяйство

- Энергетик

- Прогресс звания:
-
- Заслуженная репутация: 38 +10 / -0




Re: Подключение насоса с таймером
AAAoleg писал(а):Имеется таймер на 3 независимые команды
Что за таймер, можно информацию?
-
- Сообщение
-
анатолий03





- Стажёр

- Прогресс звания:
-
- Заслуженная репутация: 1 +1 / -0

Re: Подключение насоса с таймером
-
- Сообщение
-
slavapril





- Заслуженный Ректор клуба

- Энергетик

- Прогресс звания:
-
- Заслуженная репутация: 125 +40 / -0













Re: Подключение насоса с таймером
electrohoz писал(а):Что за таймер, можно информацию?
трехцепное реле времени ВЛ-104А? трехцепное реле времени РВ3-П2-У-14АСDC24В/АC220В УХЛ4? Варианты есть.
Раньше я завидовал тем, кто получал больше меня. Теперь я завидую тем, кто ходит на работу с удовольствием
-
- Сообщение
-
AAAoleg / Автор темы

- Новенький
- Прогресс звания:
-
- Заслуженная репутация: 0 +0 / -0

Re: Подключение насоса с таймером
electrohoz писал(а):Что за таймер, можно информацию?
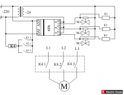
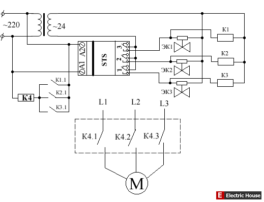
Программируемое реле времени ТПК-3КА
анатолий03 писал(а):Нужно паралельно к каждому клапану подключить по одному эл.маг. реле ,для управления эл. двигателем.
Если не трудно можно плиз схемку, как воедино связать понижающий трансформатор+реле 24v AC+эл.маг.клапан+насос.
И еще таймер не позволят подключать насос в 1 квт на прямую, без применения контактора, это рекомендация производителя таймера. Поэтому в схему добавляется контактор для насоса.
Список имеющегося оборудования:
1. таймер - 1шт
2. понижающий трансформатор на 3А с выходом в 24v АС - 1 шт
3. электромагнитный клапан на 24v АС-3шт.
4. эл. маг. реле на 24v АС-3шт
5. насос мощность 1 квт
6. малогабаритный контактор
К сожалению, в "нашей глуши" не возможности купить тот разнообразный перечень эл. оборудования и автоматики, который имеется в крупных городах. Да и время катастрофический уже поджимает, нужно срочно все запускать.
Поэтому, если это возможно помогите составить схемку из того, что имею. Буду всем очень признателен.
Напомню еще раз, что мне нужно: Возможно ли, имея эти комплектующие и только один понижающий трансформатор, включать и отключат насос и 3шт эл. маг. клапана?
Причина: исправил сообщение согласно правил
-
- Сообщение
-
slavapril





- Заслуженный Ректор клуба

- Энергетик

- Прогресс звания:
-
- Заслуженная репутация: 125 +40 / -0













Re: Подключение насоса с таймером
Раньше я завидовал тем, кто получал больше меня. Теперь я завидую тем, кто ходит на работу с удовольствием
-
- Сообщение
-
AAAoleg / Автор темы

- Новенький
- Прогресс звания:
-
- Заслуженная репутация: 0 +0 / -0

Re: Подключение насоса с таймером
slavapril писал(а):А, может, у вас всего два провода. Лучше, конечно, паспорт от него увидеть. Если ставите задачу - ставьте ее открыто.
Эл. магнитный клапан, предназначен для воды. Имеет только 2 провода.
-
- Сообщение
-
slavapril





- Заслуженный Ректор клуба

- Энергетик

- Прогресс звания:
-
- Заслуженная репутация: 125 +40 / -0













Re: Подключение насоса с таймером
Раньше я завидовал тем, кто получал больше меня. Теперь я завидую тем, кто ходит на работу с удовольствием
-
- Сообщение
-
AAAoleg / Автор темы

- Новенький
- Прогресс звания:
-
- Заслуженная репутация: 0 +0 / -0

Re: Подключение насоса с таймером
slavapril писал(а):Возник вопрос - катушка контактора на сколько вольт?
Катушка контактора на 220в(IEK)
-
- Сообщение
-
slavapril





- Заслуженный Ректор клуба

- Энергетик

- Прогресс звания:
-
- Заслуженная репутация: 125 +40 / -0













Re: Подключение насоса с таймером
Раньше я завидовал тем, кто получал больше меня. Теперь я завидую тем, кто ходит на работу с удовольствием
-
- Сообщение
-
AAAoleg / Автор темы

- Новенький
- Прогресс звания:
-
- Заслуженная репутация: 0 +0 / -0

Re: Подключение насоса с таймером
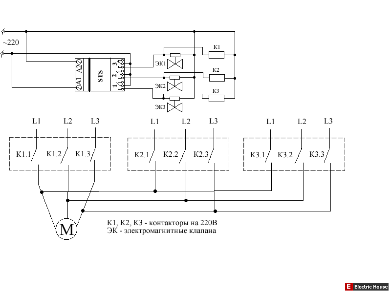
Помогите еще с один моментом, в данной задаче.
Как будет выглядеть схема со следующими элементами:
1. Таймер тот же
2. насос двухфазный на 1 квт
3. электромагнитный клапан 3 шт на 220в (с двумя проводами)
4. контактор на 220в(если нужно,можно несколько)
Насос каждый раз в паре должен включаться и откл. вместе с одним из эл. магнитных клапанов, через определенное время.
-
- Сообщение
-
slavapril





- Заслуженный Ректор клуба

- Энергетик

- Прогресс звания:
-
- Заслуженная репутация: 125 +40 / -0













Re: Подключение насоса с таймером
Раньше я завидовал тем, кто получал больше меня. Теперь я завидую тем, кто ходит на работу с удовольствием
-
- Ссылки на тему
| Ссылка: | |
| BBcode: | |
| HTML: |
-
- Похожие темы
- Ответы
- Просмотры
- Последнее сообщение
-
-
Водоснабжение: включение насоса в обход реле давления
Alexander_A в форуме Электрооборудование, электротехника - 7
- 237
-
elhouse
05 авг 2014, 18:35
-
Водоснабжение: включение насоса в обход реле давления
-
-
Почему ПЗР срабатывает от тримера или водяного насоса?
Arkasha в форуме Электромонтаж на даче, коттедже, бане - 7
- 1967
-
Arkasha
14 июн 2010, 21:29
-
Почему ПЗР срабатывает от тримера или водяного насоса?
-
-
Изоляция провода погружного насоса
Valento в форуме Электрооборудование, электротехника - 1
- 1517
-
sergey_sav
29 окт 2009, 23:17
-
Изоляция провода погружного насоса
-
-
Автономное питание насоса отопления
Ченя в форуме Электрооборудование, электротехника - 12
- 4465
-
миш
18 дек 2009, 21:44
-
Автономное питание насоса отопления
-
-
Стабилизатор для насоса: какой выбрать?
Трусиха Юлька в форуме Электрооборудование, электротехника - 8
- 687
-
sasha diezel
03 фев 2012, 15:21
-
Стабилизатор для насоса: какой выбрать?
-
- Объявления
Вернуться в Электрооборудование, электротехника
Кто на форуме
Всего посетителей: 1, из них зарегистрированных: 1, скрытых: 0 и гостей: 0 (основано на активности пользователей за последние 10 минут)
Больше всего посетителей (279) здесь было 04 сен 2013, 16:45
Сейчас эту тему просматривают: archive.org_bot и гости 0
-
- Объявления
|


Загрузка. Подождите...


















