-
- Объявления
|
Электромонтаж Электромонтажные работы в деревянном доме. www.electric-house.ru |
Местная Конституция | FAQ - Часто задаваемые вопросы | Для новичков! | Реклама на форуме! | Публикация сообщений | Как вставить картинку или файл
Прежде чем задать вопрос, воспользуйтесь поиском - возможно, что такая тема уже есть на форуме. За нарушение правил Ваш вопрос может быть удален без объяснения причин!
-
- Сообщение
-
vasp / Автор темы


- Участник

- Прогресс звания:
-
- Заслуженная репутация: 0 +0 / -0

Замена ТЭНов в варочном котле
-
- Сообщение
-
electrohoz


- Отв. за электрохозяйство

- Энергетик

- Прогресс звания:
-
- Заслуженная репутация: 38 +10 / -0




Замена ТЭНов в варочном котле
vasp писал(а):для чего такое соеденение?
Для оптимальной работы оборудования.
-
- Сообщение
-
vasp / Автор темы


- Участник

- Прогресс звания:
-
- Заслуженная репутация: 0 +0 / -0

Замена ТЭНов в варочном котле
electrohoz писал(а):Для оптимальной работы оборудования.
А перекоса небудет?
-
- Сообщение
-
nikola



- Гуру клуба

- Энергетик

- Прогресс звания:
-
- Заслуженная репутация: 58 +18 / -0






Re: Замена ТЭНов в варочном котле
-
- Сообщение
-
slavapril





- Заслуженный Ректор клуба

- Энергетик

- Прогресс звания:
-
- Заслуженная репутация: 125 +40 / -0













Re: Замена ТЭНов в варочном котле
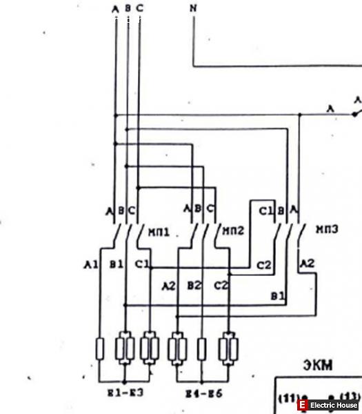
vasp писал(а):режиме разогрева включаются пускатели №1-2
Для быстрого разогрева, видимо...
vasp писал(а):режим варки пускатель №3 две фазы через перемычку исключая из схемы два одиночных тэна
Получается, что четыре сдвоенных тена включены последовательно на две фазы. Видимо, чтоб сильно не выкипело или не бурлила вода. Видимо, это нужно
electrohoz писал(а):Для оптимальной работы оборудования.
Раньше я завидовал тем, кто получал больше меня. Теперь я завидую тем, кто ходит на работу с удовольствием
-
- Сообщение
-
vasp / Автор темы


- Участник

- Прогресс звания:
-
- Заслуженная репутация: 0 +0 / -0

Re: Замена ТЭНов в варочном котле
nikola писал(а):При подключении нагрузки на линейное напряжение перекоса не бывает.
Даже если одна из фаз неучавствует как в этой схеме?
-
- Сообщение
-
Anatoliy






- Почётный Гуру клуба

- Старший энергетик

- Прогресс звания:
-
- Заслуженная репутация: 158 +38 / -0
















Re: Замена ТЭНов в варочном котле
vasp писал(а):А перекоса небудет?
Будет но он не превышает нормированых 30%
-
- Сообщение
-
vasp / Автор темы


- Участник

- Прогресс звания:
-
- Заслуженная репутация: 0 +0 / -0

Re: Замена ТЭНов в варочном котле
Anatoliy писал(а):Будет но он не превышает нормированых 30%
Планируется установка ещё четырёх таких же, думаю на вводе в каждый щиток котла выбирать очерёдность фаз
-
- Ссылки на тему
| Ссылка: | |
| BBcode: | |
| HTML: |
-
- Похожие темы
- Ответы
- Просмотры
- Последнее сообщение
-
-
Последовательно-параллельное соединение ТЭНов
anikin_ms в форуме Вопросы от чайников - 2
- 436
-
Mixas
26 мар 2014, 14:00
-
Последовательно-параллельное соединение ТЭНов
-
-
Индикация работы тэнов
Exsodus в форуме Электрооборудование, электротехника - 17
- 2199
-
миш
29 окт 2010, 20:51
-
Индикация работы тэнов
-
-
Индикатор работы ТЭНов
1, 2 valery125 в форуме Радиотехника, электроника - 23
- 6979
-
миш
03 июл 2009, 14:14
-
Индикатор работы ТЭНов
-
- Объявления
Вернуться в Электрооборудование, электротехника
Кто на форуме
Всего посетителей: 1, из них зарегистрированных: 1, скрытых: 0 и гостей: 0 (основано на активности пользователей за последние 10 минут)
Больше всего посетителей (279) здесь было 04 сен 2013, 16:45
Сейчас эту тему просматривают: archive.org_bot и гости 0
-
- Объявления
|


Загрузка. Подождите...















