Схема АВР с задержкой, для генератора

Обсуждение электрооборудования: стабилизаторы, генераторы, инверторы, солнечные панели, ИБП, UPS, аккумуляторы, конвекторы, котлы, ТЭНы, насосы, вентиляторы, электродвигатели, трансформаторы, ВРУ, АВР, щитовое, сварочное, лифтовое оборудование, бытовая техника и т.д.
Правила форума
Местная Конституция | FAQ - Часто задаваемые вопросы | Для новичков! | Реклама на форуме! | Публикация сообщений | Как вставить картинку или файл

Помните, поблагодарить автора за интересное сообщение, вы можете - нажав Изображение или повысить его репутацию - нажав Изображение в сообщении.
Прежде чем задать вопрос, воспользуйтесь поиском - возможно, что такая тема уже есть на форуме. За нарушение правил Ваш вопрос может быть удален без объяснения причин!
Как вступить в "Клуб электриков" и стать VIP-пользователем?
Нет аватара
dalacom
Автор темы
Kazakhstan
Новенький

Схема АВР с задержкой, для генератора

Сообщение dalacom » 08 дек 2012, 18:56

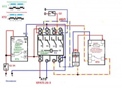
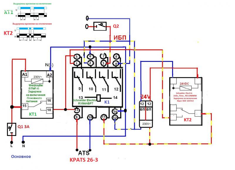
Господа про коментируйте схему задержки для АВР Kpats 26-3 для генератора Kipor.
правильно или нет у кого какие замечания,Спасибо
1)При отключении основного питания включается КТ2 с задержкой на отключения,(после выдержки времени происходит запуск генератора)
2)При включении основного питания включается КТ1 с задержкой на включения(после выдержки времени генератор остонавливается)
Вложения

Реклама на форуме
Реклама на форуме

Схема АВР с задержкой, для генератора

Сообщение Объявления » 08 дек 2012, 18:56

Схема АВР с задержкой, для генератора

Сообщение Похожие темы » 08 дек 2012, 18:56

Посмотрите здесь:
Схема защиты генератора
Схема заземления генератора
Диф.защита генератора
Аккумулятор для генератора
Управление включением генератора.
Аватара пользователя
Василич
Энергетик
Энергетик

Re: Схема АВР с задержкой, для генератора

Сообщение Василич » 08 дек 2012, 20:47

Слишком сыро и пестро (обозначение контактов реле времени не по ГОСТ - не понятно, задержка при срабатывании или отпускании реле, есть кольцовки по контактам К1, но принципиально: реле КТ1 и контактор К1 в нормальном режиме постоянно включены, лучше бы К1 срабатывал при исчезновении напряжения с задержкой при пропадании внешнего электроснабжения и отключался реле КТ1с другой задержкой при восстановлении при восстановлении сети.
Электричество - оно вещь в себе - ему ничего не объяснишь!

Строительная доска объявлений
Строительная доска объявлений

Объявления на нашей доске просматриваются большим количеством посетителей, переходят из рук в руки и всегда имеют хороший отклик.

Рекомендуемый контент

 Ещё страницы сайта »


  • Похожие темы
    Ответы
    Просмотры
    Последнее сообщение

Вернуться в «Электрооборудование, электротехника»

Кто на форуме

Сейчас этот форум просматривают: archive.org_bot, Yandex [Bot] и 0 гостей