-
- Объявления
|
Электромонтаж Электромонтажные работы в деревянном доме. www.electric-house.ru |
Местная Конституция | FAQ - Часто задаваемые вопросы | Для новичков! | Реклама на форуме! | Публикация сообщений | Как вставить картинку или файл
Прежде чем задать вопрос, воспользуйтесь поиском - возможно, что такая тема уже есть на форуме. За нарушение правил Ваш вопрос может быть удален без объяснения причин!
-
- Сообщение
Глубинный насос через ЭКМ. как?
-
- Сообщение
- sergey_sav







- Лидер тех. поддержки

- Технический директор

- Прогресс звания:
-
- Заслуженная репутация: 161 +50 / -0

















Re: Глубинный насос через ЭКМ. как?
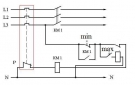
Пример
- Вложения
Все тематические вопросы и ответы на них только на форуме!
Санк-Петербург. Электромонтажные работы.
-
- Сообщение
Re: Глубинный насос через ЭКМ. как?
-
- Сообщение
- sergey_sav







- Лидер тех. поддержки

- Технический директор

- Прогресс звания:
-
- Заслуженная репутация: 161 +50 / -0

















Re: Глубинный насос через ЭКМ. как?
Acolyte писал(а):Только я уже сам разобрался как подключить
Все тематические вопросы и ответы на них только на форуме!
Санк-Петербург. Электромонтажные работы.
-
- Сообщение
Re: Глубинный насос через ЭКМ. как?
Добавлено спустя 1 минуту 33 секунды:
контакты только будут подгорать, как я понял из гугла. но мне бы для начала просто схему собрать, чтобы насос работал. потом уже глубже разбираться
-
- Сообщение
- sergey_sav







- Лидер тех. поддержки

- Технический директор

- Прогресс звания:
-
- Заслуженная репутация: 161 +50 / -0

















Re: Глубинный насос через ЭКМ. как?
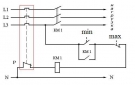
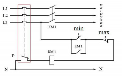
Acolyte писал(а):min размыкающийся, max замыкающийся. Задача прежняя.
Тогда вместо кнопки "max" на первоначальной схеме надо установить промежуточное реле. Пускатель, как и было, остаётся один.
Все тематические вопросы и ответы на них только на форуме!
Санк-Петербург. Электромонтажные работы.
-
- Сообщение
Re: Глубинный насос через ЭКМ. как?
-
- Сообщение
- sergey_sav







- Лидер тех. поддержки

- Технический директор

- Прогресс звания:
-
- Заслуженная репутация: 161 +50 / -0

















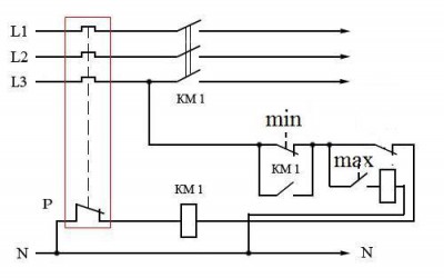
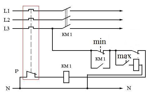
Re: Глубинный насос через ЭКМ. как?
- Вложения
Все тематические вопросы и ответы на них только на форуме!
Санк-Петербург. Электромонтажные работы.
-
- Ссылки на тему
| Ссылка: | |
| BBcode: | |
| HTML: |
-
- Похожие темы
- Ответы
- Просмотры
- Последнее сообщение
-
-
Как избавиться от налипания железа на насос, в колодце
electrohoz в форуме Электрооборудование, электротехника - 1
- 104
-
elhouse
18 мар 2014, 21:03
-
Как избавиться от налипания железа на насос, в колодце
-
-
Канализационный насос
витали в форуме Электрооборудование, электротехника - 5
- 154
-
Mixas
10 ноя 2014, 04:49
-
Канализационный насос
-
-
водяной насос БЦН 3/17
ОСИРИСРА в форуме Электрооборудование, электротехника - 2
- 2588
-
Anatoliy
05 апр 2010, 08:36
-
водяной насос БЦН 3/17
-
- Объявления
Вернуться в Электрооборудование, электротехника
Кто на форуме
Всего посетителей: 1, из них зарегистрированных: 0, скрытых: 0 и гостей: 1 (основано на активности пользователей за последние 10 минут)
Больше всего посетителей (279) здесь было 04 сен 2013, 15:45
Сейчас эту тему просматривают: нет зарегистрированных пользователей и гости 1
Права доступа
Вы не можете начинать темы
Вы не можете отвечать на сообщения
Вы не можете редактировать свои сообщения
Вы не можете удалять свои сообщения
Вы не можете добавлять вложения
Легенда
| Новые сообщения | Нет новых сообщений | Форум закрыт | |||
| Подфорум Новые сообщения | Подфорум Нет новых сообщений | Ссылка на форум |
-
- Объявления
|
phpBB® Forum Software © phpBB Group
Русская поддержка phpBB Связь с администрацией Администраторский раздел |
|


Загрузка. Подождите...
















