Прежде чем задать вопрос, воспользуйтесь поиском - возможно, что такая тема уже есть на форуме. За нарушение правил Ваш вопрос может быть удален без объяснения причин!
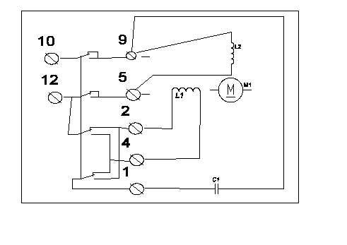
Всем доброго дня. Развалился реверсивный переключатель, хотелось бы подключить напрямую, но движок какой- то хитрый, похоже- две независимые обмотки. Одна-40ом, вторая-20ом. Однофазный, конденсатор на 12Мф. Схема прилагается. Может кто встречался с такими, помогите разобраться с подключением.
Всего посетителей: 1, из них зарегистрированных: 0, скрытых: 0 и гостей: 1 (основано на активности пользователей за последние 10 минут) Больше всего посетителей (279) здесь было 04 сен 2013, 15:45
Сейчас эту тему просматривают: нет зарегистрированных пользователей и гости 1
Права доступа
Вы не можете начинать темы Вы не можете отвечать на сообщения Вы не можете редактировать свои сообщения Вы не можете удалять свои сообщения Вы не можете добавлять вложения