Как включить электромотор Д-32 П1?

Обсуждение электрооборудования: стабилизаторы, генераторы, инверторы, солнечные панели, ИБП, UPS, аккумуляторы, конвекторы, котлы, ТЭНы, насосы, вентиляторы, электродвигатели, трансформаторы, ВРУ, АВР, щитовое, сварочное, лифтовое оборудование, бытовая техника и т.д.
Правила форума
Местная Конституция | FAQ - Часто задаваемые вопросы | Для новичков! | Реклама на форуме! | Публикация сообщений | Как вставить картинку или файл

Помните, поблагодарить автора за интересное сообщение, вы можете - нажав Изображение или повысить его репутацию - нажав Изображение в сообщении.
Прежде чем задать вопрос, воспользуйтесь поиском - возможно, что такая тема уже есть на форуме. За нарушение правил Ваш вопрос может быть удален без объяснения причин!
Как вступить в "Клуб электриков" и стать VIP-пользователем?
Аватара пользователя
BoBot
Автор темы
Новенький

Как включить электромотор Д-32 П1?

Сообщение BoBot » 07 мар, 2011 12:45

Гс-да!
Подскажите, плз, как включить мотор Д-32 П1? Там 4 вывода, пронумерованные 1,2,3, 4, но схемы нет, и куда подключить конденсатор, какие напряжения подавать - непонятно. Может, кто-то умеет, подскажите! :))mega

Реклама на форуме
Реклама на форуме

Как включить электромотор Д-32 П1?

Сообщение Объявления » 07 мар, 2011 12:45

Как включить электромотор Д-32 П1?

Сообщение Похожие темы » 07 мар, 2011 12:45

Посмотрите здесь:
Не запускается электромотор газонокосилки
Свет включить, а выключить из другого места
Как включить один двухклавишный проходной выключатель
Как включить без реле мотор от стиральной машины Чайка
Можно ли просто включить однофазный прибор в трёхфазную сеть
Аватара пользователя
slavapril
Russia
Заслуженный Ректор клуба
Заслуженный Ректор клуба
Главный энергетик
Главный энергетик

Re: Как включить электромотор Д-32 П1?

Сообщение slavapril » 07 мар, 2011 13:30

У него одна обмотка рабочая - на 127В, а другая управляющая - на 12В.
Учиться никогда не поздно.
Все тематические вопросы и ответы на них, только на форуме! В личку по электрике не отвечаю.

Аватара пользователя
Anatoliy
Ukraine
Гуру тех. поддержки
Гуру тех. поддержки
Главный энергетик
Главный энергетик

Re: Как включить электромотор Д-32 П1?

Сообщение Anatoliy » 07 мар, 2011 17:30

Все тематические вопросы и ответы на них, только на форуме! В личку по электрике не отвечаю.

Аватара пользователя
slavapril
Russia
Заслуженный Ректор клуба
Заслуженный Ректор клуба
Главный энергетик
Главный энергетик

Re: Схема подключения электромотора Д-32 П1

Сообщение slavapril » 07 мар, 2011 18:14

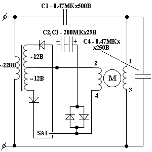
Или вот поприличнее...Если транс будет иметь одну обмотку на 12В, то надо местами менять выводы диода в этой обмотке, чтобы изменить направление тока в обмотке управления.
Вложения
Схема подключения электромотора Д-32 П1 - dvigatel.png
Схема подключения электромотора Д-32 П1 - dvigatel.png (75.63 КБ) 4386 просмотров
Схема подключения электромотора Д-32 П1 - dvigatel.png
Схема подключения электромотора Д-32 П1 - dvigatel.png
(75.63 КБ) 4386 просмотров
Учиться никогда не поздно.
Все тематические вопросы и ответы на них, только на форуме! В личку по электрике не отвечаю.

Аватара пользователя
BoBot
Автор темы
Новенький

Re: Как включить электромотор Д-32 П1?

Сообщение BoBot » 08 мар, 2011 9:12

Не понял, почему надо подавать 200 В если рабочее напряжение 127 В. Ведь сгорит же!

Аватара пользователя
slavapril
Russia
Заслуженный Ректор клуба
Заслуженный Ректор клуба
Главный энергетик
Главный энергетик

Re: Как включить электромотор Д-32 П1?

Сообщение slavapril » 08 мар, 2011 9:51

А вы обратите внимание, что 220В подается на обмотку не напрямую, а через гасящий конденсатор С1. Часть напряжения "осядет" на нем. Или можно рассудить по-другому - на 2 последовательно включенных одинаковых конденсатора С1 и С4 по 0,47мкФ подается 220В. Т.е. на каждом из них(без подсоединения рабочей обмотки двигателя) будет по 110В. Вот к одному из них и подпараллеливается рабочая обмотка двигателя. Просто ввиду параллельного соединения конденсатора С4 и катушки двигателя напряжение должно еще немного сместиться сторону обмотки. В любом случае подбором С1 вы можете подобрать напряжение на рабочей обмотке. Чем будет больше сопротивление С1, т.е. меньше его емкость, тем меньше "достанется" рабочей обмотке. Сам, правда, не испытывал(просто анализирую схему), но раз автор по ссылке, которую вам дал Anatoliy, пишет, что опробовано реально, то почему бы не попробовать..
Учиться никогда не поздно.
Все тематические вопросы и ответы на них, только на форуме! В личку по электрике не отвечаю.

Аватара пользователя
BoBot
Автор темы
Новенький

Re: Как включить электромотор Д-32 П1?

Сообщение BoBot » 08 мар, 2011 10:16

А можно вот по такой схеме? (см. ниже)
Вложения
Как включить электромотор Д-32 П1? - Подключение мотора.jpg
Как включить электромотор Д-32 П1? - Подключение мотора.jpg (39.9 КБ) 4369 просмотров
Как включить электромотор Д-32 П1? - Подключение мотора.jpg
Как включить электромотор Д-32 П1? - Подключение мотора.jpg
(39.9 КБ) 4369 просмотров

Аватара пользователя
slavapril
Russia
Заслуженный Ректор клуба
Заслуженный Ректор клуба
Главный энергетик
Главный энергетик

Re: Как включить электромотор Д-32 П1?

Сообщение slavapril » 08 мар, 2011 10:35

Вроде как то же самое....Только конденсатор другой емкости. Направление вращения, наверно, меняется переключателем В переброской выходных концов регулируемого трансформатора. А сам он меняет, наверно, скорость вращения. Где эту схему-то взяли?
Учиться никогда не поздно.
Все тематические вопросы и ответы на них, только на форуме! В личку по электрике не отвечаю.

Аватара пользователя
BoBot
Автор темы
Новенький

Re: Как включить электромотор Д-32 П1?

Сообщение BoBot » 08 мар, 2011 10:41

Это плод творческого осмысления. Дело в том, что у меня есть битый БП от спикеров, там есть исправный транс 220/12, вот я и подумал: зачем городить все эти диоды, если достаточно припаяться к трансу? Ну, а кондер на 1 мкФ - это на шильде написано.

Аватара пользователя
slavapril
Russia
Заслуженный Ректор клуба
Заслуженный Ректор клуба
Главный энергетик
Главный энергетик

Re: Как включить электромотор Д-32 П1?

Сообщение slavapril » 08 мар, 2011 10:56

Диоды во вторичке тоже вроде как отсутствуют. Сложно без практики по таким двигателям дать доскональный ответ.
Учиться никогда не поздно.
Все тематические вопросы и ответы на них, только на форуме! В личку по электрике не отвечаю.

Строительная доска объявлений
Строительная доска объявлений

Объявления на нашей доске просматриваются большим количеством посетителей, переходят из рук в руки и всегда имеют хороший отклик.

Рекомендуемый контент

 Ещё страницы сайта »


  • Похожие темы
    Ответы
    Просмотры
    Последнее сообщение

Вернуться в «Электрооборудование, электротехника»

Кто на форуме

Сейчас этот форум просматривают: Alexa [Bot] и 0 гостей