ФОРУМ ПО ЭЛЕКТРИКЕ И ЭЛЕКТРИЧЕСТВУ


Полная версия ВходРегистрация

ПоискБлагодарностиФото-галерея
Видео электриковFAQ



Пред. тема | След. тема
Страница 1 из 1 [ Сообщений: 10 ]

Начать новую тему Ответить

Версия для печати

Электрическая плита.

Электрическая плита.

Не в сети - Заглянувший

Профиль 
17 сен 2010, 17:06 Сообщение
Здравствуйте.
Я купил плиту Cp 87 sea\ha Ariston (не из дешевого варианта).
Дело в том что когда привез домой и подсоединил к сети(без заземления) она начала бить на массу. И если поставить контрольную отвертку на корпус так она горит как фаза.
Но если подсоединить заземление тогда она перестает бить током.
Мне сказали что это неисправность плиты, она не должна бить током на массу даже без заземления.
Я отказался от этой плиты.
Потом я взял другую плиту такой-же марки и модели и и получилась такая же самая история. Тоже бьёт током на корпус.
Вопрос: Это неисправность плиты что она бьет током на корпус без заземления или это так должно быть на самом деле?
Ответить с цитатой 


Электрическая плита.

Не в сети - Почётный Гуру клуба

Профиль 
17 сен 2010, 17:14 Сообщение
Нет. Это не неисправность. А просто в этой плите нужно корпус подсоединять на контур РЕ проводник.
Ответить с цитатой 


Электрическая плита.

Не в сети - Заглянувший

Профиль 
17 сен 2010, 17:37 Сообщение
Anatoliy писал(а)
Нет. Это не неисправность. А просто в этой плите нужно корпус подсоединять на контур РЕ проводник.

То есть если я подсоединю заземление, ток пропадет с корпуса.
А тогда такой вопрос не могут возникнуть проблемы с тем что плита просто замкнет и сгорит, от того что ток проходил на корпус?
Или это не реальное?
Ответить с цитатой 


Электрическая плита.

Не в сети - Почётный Гуру клуба

Профиль 
17 сен 2010, 19:11 Сообщение
Нет не сгорит. Посмотрите паспорт там как раз об этом сказано что нужно
заземлять. Да и кабелек от плиты трех жильный и одна жила желто-зеленого цвета, это как раз и есть контурный проводник
Ответить с цитатой 


Электрическая плита.

Не в сети - Лидер тех. поддержки

Профиль 
17 сен 2010, 22:29 Сообщение
Не надо там ничего переставлять. По всей вероятности у "крутой плиты" электронный блок управления, а по сему там есть блок питания, а значит и фильтр с двумя кондёрами на входе. Средняя точка на корпусе, вот вам и потенциал на плите, если не подключено заземление. Бить будет, но не смертельно...
Ответить с цитатой 


Электрическая плита.

Не в сети - Заглянувший

Профиль 
12 июн 2014, 20:01 Сообщение
Здравствуйте!
Плита Мечта с 2мя конфорками и духовкой. Сгорел терморегулятор одной конфорки, купил новый, поставил, перестала греть вторая конфорка. Духовка работает. Подскажите пожалуйста в чем причина?
Ответить с цитатой 


Электрическая плита.

Не в сети - Заслуженный Ректор клуба

Профиль  ICQ 
12 июн 2014, 20:29 Сообщение
а первая как?
Ответить с цитатой 


Re: Электрическая плита.

Не в сети - Заглянувший

Профиль 
12 июн 2014, 23:13 Сообщение
А первая стала греть сильнее.
Ответить с цитатой 


Re: Электрическая плита.

Не в сети - Отв. за электрохозяйство

Профиль 
13 июн 2014, 09:20 Сообщение
Юрий Шептало писал(а)
Подскажите пожалуйста в чем причина?


Возможно, перепутали провода при подключении.
Надо снова его отключить и не торопясь перепроверить, что и куда идёт!
Ответить с цитатой 


Re: Электрическая плита.

Не в сети - Почётный Гуру клуба

Профиль 
13 июн 2014, 09:43 Сообщение
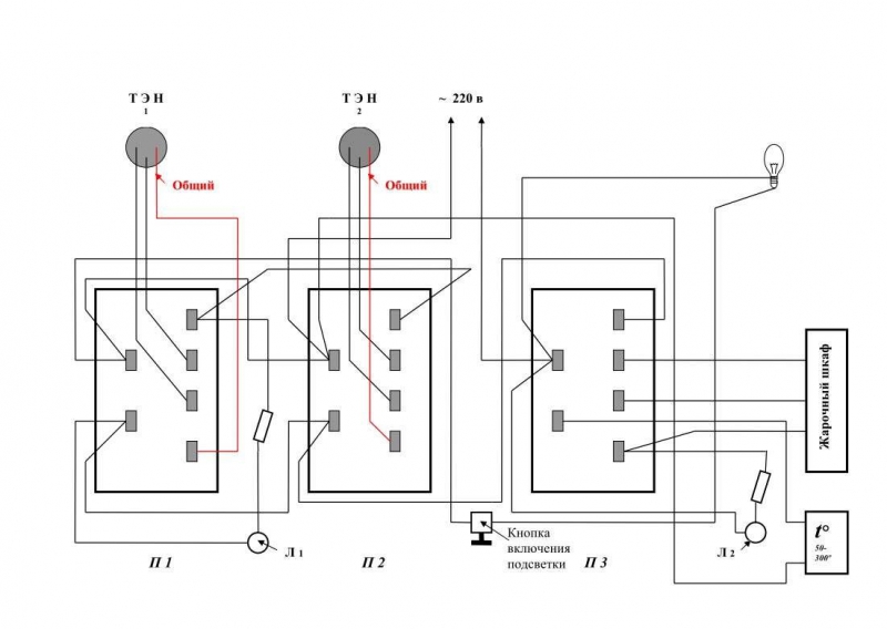
Мечта 8

Вложения

Электрическая плита. - Me4ta 8
Электрическая плита. - Me4ta 8
[ 165.72 КБ | Просмотров: 73 ]


Ответить с цитатой 

Начать новую тему  Ответить
Вернуться к началу


Страница 1 из 1 [ Сообщений: 10 ]
Пред. тема | След. тема

Сейчас эту тему просматривают: нет зарегистрированных пользователей и гости 1






Найти
Перейти
 


Полная версия

Рейтинг-каталог строительных сайтов - Electric House