-
- Объявления
|
Электромонтаж Электромонтажные работы в деревянном доме. www.electric-house.ru |
Местная Конституция | FAQ - Часто задаваемые вопросы | Для новичков! | Реклама на форуме! | Публикация сообщений | Как вставить картинку или файл
Прежде чем задать вопрос, воспользуйтесь поиском - возможно, что такая тема уже есть на форуме. За нарушение правил Ваш вопрос может быть удален без объяснения причин!
-
- Сообщение
-
glukoza76 / Автор темы





- Участник

- Прогресс звания:
-
- Заслуженная репутация: 0 +0 / -0

Подключить асинхронный 3 фазный двигатель в однофазную сеть
Двигатель асинхронный
тип - 4АА63А4ПХ3Н
3 фаз.переменка 50 HZ 0,25 KW 1370 об.мин.
статор возможны соединения звезда и треугольник 220/380
КПД 68 % 0,49/0,86 А
Двигатель Асинхронный
тип- АВ-071-4УХЛ4
3 фаз. переменка 50 HZ 1380 об. мин. соединение возможно звезда и треугольник 220\380 1,6/10 А
КПД 70 %
Если можно то объясните как рассчитывается. Всем заранее огромное спасибо!
-
- Сообщение
-
yura






- Мастер

- Прогресс звания:
-
- Заслуженная репутация: 0 +0 / -0

Подключить асинхронный 3 фазный двигатель в однофазную сеть
(с нагрузкой или нет) или напишите где собираетесь применять.
-
- Сообщение
-
glukoza76 / Автор темы





- Участник

- Прогресс звания:
-
- Заслуженная репутация: 0 +0 / -0

Подключить асинхронный 3 фазный двигатель в однофазную сеть
-
- Сообщение
-
glukoza76 / Автор темы





- Участник

- Прогресс звания:
-
- Заслуженная репутация: 0 +0 / -0

Подключить асинхронный 3 фазный двигатель в однофазную сеть
-
- Сообщение
-
yura






- Мастер

- Прогресс звания:
-
- Заслуженная репутация: 0 +0 / -0

Подключить асинхронный 3 фазный двигатель в однофазную сеть
-
- Сообщение
-
glukoza76 / Автор темы





- Участник

- Прогресс звания:
-
- Заслуженная репутация: 0 +0 / -0

Подключить асинхронный 3 фазный двигатель в однофазную сеть
-
- Сообщение
-
миш







- Почётный член клуба

- Старший энергетик

- Прогресс звания:
-
- Заслуженная репутация: 82 +21 / -0









Подключить асинхронный 3 фазный двигатель в однофазную сеть
- Вложения
-

- Подключить асинхронный 3 фазный двигатель в однофазную сеть - подключение трехфазного асинхронного электродвигателя
(2.98 КБ) Просмотров: 3259
-
- Сообщение
-
миш







- Почётный член клуба

- Старший энергетик

- Прогресс звания:
-
- Заслуженная репутация: 82 +21 / -0









Подключить асинхронный 3 фазный двигатель в однофазную сеть
- Вложения
-

- Подключить асинхронный 3 фазный двигатель в однофазную сеть - poleznoe6_img4
(9.64 КБ) Просмотров: 3252
-

- Подключить асинхронный 3 фазный двигатель в однофазную сеть - poleznoe6_img1
(7.51 КБ) Просмотров: 3252
-
- Сообщение
-
миш







- Почётный член клуба

- Старший энергетик

- Прогресс звания:
-
- Заслуженная репутация: 82 +21 / -0









Подключить асинхронный 3 фазный двигатель в однофазную сеть
-
- Сообщение
-
yura






- Мастер

- Прогресс звания:
-
- Заслуженная репутация: 0 +0 / -0

Подключить асинхронный 3 фазный двигатель в однофазную сеть
-
- Сообщение
-
миш







- Почётный член клуба

- Старший энергетик

- Прогресс звания:
-
- Заслуженная репутация: 82 +21 / -0









Подключить асинхронный 3 фазный двигатель в однофазную сеть
-
- Сообщение
-
glukoza76 / Автор темы





- Участник

- Прогресс звания:
-
- Заслуженная репутация: 0 +0 / -0

Подключить асинхронный 3 фазный двигатель в однофазную сеть
-
- Сообщение
-
glukoza76 / Автор темы





- Участник

- Прогресс звания:
-
- Заслуженная репутация: 0 +0 / -0

Подключить асинхронный 3 фазный двигатель в однофазную сеть
-
- Сообщение
-
yura






- Мастер

- Прогресс звания:
-
- Заслуженная репутация: 0 +0 / -0

Подключить асинхронный 3 фазный двигатель в однофазную сеть
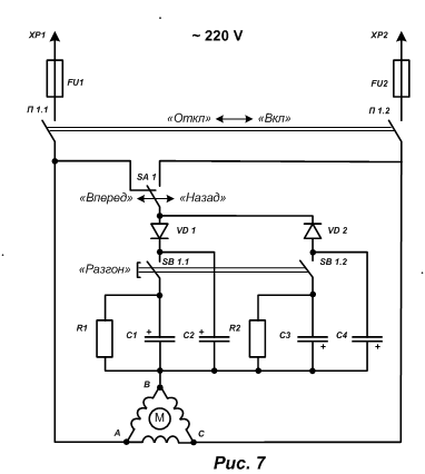
Мишин рисунок №1 и такая кнопка как на моем точиле там когда нажал пуск боковые замкнулись а средний контакт закрыт пока держишь нажатой кнопку пуск. В это время двигатель разгоняется как разогнался отпустил кнопку средний отключился.На рис№1 разгон это средний контакт Сп ставишь на меньший свой двигатель 40мкф.на больший 80мкф. Кондеры МГБЧ-1 на 250 вольт если буква последняя не Ч на 350вольт рабочие пока не став сперва так пробуй.Конденсаторы собирай паралельно смотри если мкф. много двигатель не запустится будет клинить мало плохо разгоняется.Стоит кнопка у нас 100-120руб.при покупке спрашивай откидывается средний контакт или нет они бывают разные.
-
- Сообщение
-
yura






- Мастер

- Прогресс звания:
-
- Заслуженная репутация: 0 +0 / -0

Подключить асинхронный 3 фазный двигатель в однофазную сеть
-
- Ссылки на тему
| Ссылка: | |
| BBcode: | |
| HTML: |
-
- Похожие темы
- Ответы
- Просмотры
- Последнее сообщение
-
-
Выбивает вводной автомат 3-х фазный на головном щетке
valeri038 в форуме Электромонтаж в нежилых помещениях - 6
- 2864
-
Anatoliy
06 янв 2010, 22:37
-
Выбивает вводной автомат 3-х фазный на головном щетке
-
-
3х фазный ввод - используем 1 фазу
Barkas99 в форуме Электромонтаж на даче, коттедже, бане - 4
- 1112
-
Фёдорович
07 ноя 2012, 14:45
-
3х фазный ввод - используем 1 фазу
-
-
3х фазный сварочный аппарат
Анкер в форуме Электрооборудование, электротехника - 7
- 1768
-
Анкер
21 апр 2011, 08:43
-
3х фазный сварочный аппарат
-
-
3-х фазный стабилизатор для дачи
Александр1293 в форуме Электрооборудование, электротехника - 4
- 542
-
Anatoliy
01 июн 2013, 13:17
-
3-х фазный стабилизатор для дачи
-
-
Электронный 3-х фазный счетчик
Vlad_ в форуме Учет электроэнергии - 0
- 200
-
Vlad_
10 ноя 2014, 02:16
-
Электронный 3-х фазный счетчик
-
- Объявления
Вернуться в Электрооборудование, электротехника
Кто на форуме
Всего посетителей: 1, из них зарегистрированных: 1, скрытых: 0 и гостей: 0 (основано на активности пользователей за последние 10 минут)
Больше всего посетителей (279) здесь было 04 сен 2013, 16:45
Сейчас эту тему просматривают: archive.org_bot и гости 0
-
- Объявления
|


Загрузка. Подождите...
















