-
- Объявления
|
Электромонтаж Электромонтажные работы в деревянном доме. www.electric-house.ru |
Местная Конституция | FAQ - Часто задаваемые вопросы | Для новичков! | Реклама на форуме! | Публикация сообщений | Как вставить картинку или файл
Прежде чем задать вопрос, воспользуйтесь поиском - возможно, что такая тема уже есть на форуме. За нарушение правил Ваш вопрос может быть удален без объяснения причин!
-
- Сообщение
-
qwerty / Автор темы




- Новенький
- Прогресс звания:
-
- Заслуженная репутация: 0 +0 / -0

Неисправность в ОПС
-
- Сообщение
-
ВИТАЛИЙ ЙЙ






- Заслуженный член клуба

- Энергетик

- Прогресс звания:
-
- Заслуженная репутация: 50 +12 / -0






Неисправность в ОПС
и эта неисправность произошла после монтажа? Вернее, система работала или её только смонтировали и появилась неисправность?
-
- Сообщение
-
slavapril





- Заслуженный Ректор клуба

- Энергетик

- Прогресс звания:
-
- Заслуженная репутация: 125 +40 / -0













Неисправность в ОПС
Раньше я завидовал тем, кто получал больше меня. Теперь я завидую тем, кто ходит на работу с удовольствием
-
- Сообщение
-
qwerty / Автор темы




- Новенький
- Прогресс звания:
-
- Заслуженная репутация: 0 +0 / -0

Неисправность в ОПС
qwerty писал(а):Прибор гранит 2 на одном шлейфе запитана 10 дымовых датчиков рубеж 2 ручника выдает неисправность через время от 10 мин до часу в области конечки или датчика перед конечкой как исправить заранее спасибо
систеиа новая недавно смонтированная номинальное сопротивление шлейфа имеет номинал конечки 3,4 кОМ
-
- Сообщение
-
Василич






- Лидер тех. поддержки

- Инженер

- Прогресс звания:
-
- Заслуженная репутация: 57 +16 / -0






Неисправность в ОПС
-
- Сообщение
-
slavapril





- Заслуженный Ректор клуба

- Энергетик

- Прогресс звания:
-
- Заслуженная репутация: 125 +40 / -0













Неисправность в ОПС
Василич писал(а):Похоже превысили количество активных датчиков на один шлейф
Вряд ли. Допустимый суммарный ток шлейфа 1,5мА, а потребление одного датчика(конечно, от модели зависит) не превышет 0,05мА
Раньше я завидовал тем, кто получал больше меня. Теперь я завидую тем, кто ходит на работу с удовольствием
-
- Сообщение
-
ВИТАЛИЙ ЙЙ






- Заслуженный член клуба

- Энергетик

- Прогресс звания:
-
- Заслуженная репутация: 50 +12 / -0






Неисправность в ОПС
только если как- диагноз на месте осмотра!
-
- Сообщение
-
Женя В




- Участник

- Прогресс звания:
-
- Заслуженная репутация: 0 +0 / -0

Неисправность в ОПС
А так в Принципе, рисуй схему подключения, от прибора до оконечника, как что подключал, какие ДИПы и ИПР и тогда тебе точно здесь диагноз поставят.,
-
- Сообщение
-
qwerty / Автор темы




- Новенький
- Прогресс звания:
-
- Заслуженная репутация: 0 +0 / -0

Неисправность в ОПС
Женя В писал(а):Замерь напряжение на последних ДИПах, возможен просад, если нет, отключи ручники, возможно в них намудрил.
А так в Принципе, рисуй схему подключения, от прибора до оконечника, как что подключал, какие ДИПы и ИПР и тогда тебе точно здесь диагноз поставят.,
-
- Сообщение
-
ВИТАЛИЙ ЙЙ






- Заслуженный член клуба

- Энергетик

- Прогресс звания:
-
- Заслуженная репутация: 50 +12 / -0






Неисправность в ОПС
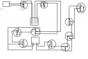
вот схемка
-
- Сообщение
-
Svyazist




- Участник

- Прогресс звания:
-
- Заслуженная репутация: 0 +0 / -0

Неисправность в ОПС
сопротивления на каждый датчик не ставят,его на конечный и на конечный ручник,а у Вас показано,что на каждом датчике стоят!
вот схемка
ставаят. На Гранитах ставят. Только оконечка 3.9, а не 3.4. Да и вообще не пользуйтесь Гранитом он иногда тупит (может даже и в вашем случае).
-
- Ссылки на тему
| Ссылка: | |
| BBcode: | |
| HTML: |
-
- Похожие темы
- Ответы
- Просмотры
- Последнее сообщение
-
-
Некорректная работа стабилизатора или неисправность?
imae_77 в форуме Электрооборудование, электротехника - 1
- 333
-
skv14
04 авг 2011, 14:47
-
Некорректная работа стабилизатора или неисправность?
-
-
Неисправность стабилизатора РЕСАНТА ACH 5000

pryani4ek в форуме Электрооборудование, электротехника - 4
- 233
-
elhouse
05 сен 2014, 08:22
-
Неисправность стабилизатора РЕСАНТА ACH 5000
-
- Объявления
Кто на форуме
Всего посетителей: 1, из них зарегистрированных: 1, скрытых: 0 и гостей: 0 (основано на активности пользователей за последние 10 минут)
Больше всего посетителей (279) здесь было 04 сен 2013, 16:45
Сейчас эту тему просматривают: archive.org_bot и гости 0
-
- Объявления
|


Загрузка. Подождите...














