-
- Объявления
|
Электромонтаж Электромонтажные работы в деревянном доме. www.electric-house.ru |
Местная Конституция | FAQ - Часто задаваемые вопросы | Для новичков! | Реклама на форуме! | Публикация сообщений | Как вставить картинку или файл
Прежде чем задать вопрос, воспользуйтесь поиском - возможно, что такая тема уже есть на форуме. За нарушение правил Ваш вопрос может быть удален без объяснения причин!
-
- Сообщение
Защита от неверного подключения полярности
Хочу установить варистор параллельно неоновой лампе или просто неоновую лампу таким образом что бы сопротивление неоновой лампы 150кОм сидело на нейтрали а другой контакт на клемме заземления для того что бы в случае не верного подключения загоралась лампа и сгорал варистор.
Разрешается ли таким способом соединять ?
Где прописано в каком госте или пуэ ?
-
- Сообщение
Re: Защита от неверного подключения полярности
Ivga21 писал(а):сидело на нейтрали, а другой контакт на клемме заземления
3-х фазное?
Раньше я завидовал тем, кто получал больше меня. Теперь я завидую тем, кто ходит на работу с удовольствием
-
- Сообщение
- sergey_sav







- Лидер тех. поддержки

- Технический директор

- Прогресс звания:
-
- Заслуженная репутация: 161 +50 / -0

















Re: Защита от неверного подключения полярности
Внутри прибора можете хоть чего вытворять, если гарантия не нужна...
Неонка через 150 кОм не внесёт сколь нибудь значительных токов даже для срабатывания УЗО 10 мА.
ПУЭ на этот счёт никаких высказываний не содержит...
(хотя могу и ошибаться)
Все тематические вопросы и ответы на них только на форуме!
Санк-Петербург. Электромонтажные работы.
-
- Сообщение
Re: Защита от неверного подключения полярности
Ivga21 писал(а):Проблема в следующем: Часто путают при подключении к клеммнику на изделии фазу и ноль в следствии чего оборудование выходит из строя.
Хочу установить варистор параллельно неоновой лампе или просто неоновую лампу таким образом что бы сопротивление неоновой лампы 150кОм сидело на нейтрали а другой контакт на клемме заземления для того что бы в случае не верного подключения загоралась лампа и сгорал варистор.
Разрешается ли таким способом соединять ?
Где прописано в каком госте или пуэ ?
1. Есть инструкция по эксплуатации прибора
2. В самом приборе на колодке есть обозначение L-N-PE
3. Если было произведено неправильное подключение ответственность несет монтажник.
4. ПУЭ оговаривается только пункты для адекватных монтажников.
-
- Сообщение
Re: Защита от неверного подключения полярности
Добавлено спустя 7 минут 57 секунд:
Или лучше разрядник подобрать что бы автомат срабатывал?
-
- Сообщение
Re: Защита от неверного подключения полярности
Раньше я завидовал тем, кто получал больше меня. Теперь я завидую тем, кто ходит на работу с удовольствием
-
- Сообщение
Re: Защита от неверного подключения полярности
Добавлено спустя 6 минут 10 секунд:
slavapril писал(а):Если внутри оборудования хотите ставить, то можно схемку из 3-х конденсаторов(для создания "искусственной нейтрали") и реле. Оборудование просто включаться не будет. А там и лампочку можно пригородить типа "Неправильная полярность" или "Поменяй полярность". Хотя, может потребоваться дополнительное реле помощнее. А по вашему описанию не ясно, сколько места для монтажа мы имеем. Да и из оборудования вы тайну делаете.
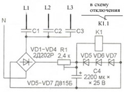
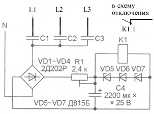
Хотя можно схемку. Есть готовые устройства что бы самому не городить. Если нет можете зарисовать?
-
- Сообщение
Re: Защита от неверного подключения полярности
Ivga21 писал(а):Хотя можно схемку.
Если вместо какой-то из фаз подать ноль, и наоборот, реле встанет под ток из-за смещения нейтрали и отключит, например, основной пускатель. Все номиналы и тип приборов необходимо подбирать для конкретно используемого оборудования.

Раньше я завидовал тем, кто получал больше меня. Теперь я завидую тем, кто ходит на работу с удовольствием
-
- Сообщение
Re: Защита от неверного подключения полярности
Не запрещает ли это ПУЭ ?
-
- Сообщение
Re: Защита от неверного подключения полярности
Ivga21 писал(а):разрядник между N и PE на пробой при 220В
Разрядник не для этого предназначен - не для защиты от неправильного подключения.
Раньше я завидовал тем, кто получал больше меня. Теперь я завидую тем, кто ходит на работу с удовольствием
-
- Сообщение
- sergey_sav







- Лидер тех. поддержки

- Технический директор

- Прогресс звания:
-
- Заслуженная репутация: 161 +50 / -0

















Re: Защита от неверного подключения полярности
slavapril писал(а):Разрядник не для этого предназначен
Как и пиропатрон, однако...
Но ведь может научить нерадивых соблюдать полярность...

Все тематические вопросы и ответы на них только на форуме!
Санк-Петербург. Электромонтажные работы.
-
- Сообщение
Re: Защита от неверного подключения полярности
например Чтобы видеть ссылки войдите на конференцию или зарегистрируйтесь.
цена вопроса где-то около 5 килорублей вместе с пускателем.
-
- Сообщение
Re: Защита от неверного подключения полярности
СетХеор писал(а):есть такая штука - реле контроля напряжения)
Автору надо внутрь монтировать и с наименьшими затратами
Раньше я завидовал тем, кто получал больше меня. Теперь я завидую тем, кто ходит на работу с удовольствием
-
- Сообщение
- haramamburu





- Инженер

- Прогресс звания:
-
- Заслуженная репутация: 16 +9 / -2


Re: Защита от неверного подключения полярности
-
- Сообщение
Re: Защита от неверного подключения полярности
slavapril писал(а):Re: Защита от неверного подключения полярности
Номер сообщения:#8 slavapril » 04 авг 2013, 22:40
Ivga21 писал (а):
Хотя можно схемку.
Если вместо какой-то из фаз подать ноль, и наоборот, реле встанет под ток из-за смещения нейтрали и отключит, например, основной пускатель. Все номиналы и тип приборов необходимо подбирать для конкретно используемого оборудования.
При асимметрии в сети кажется работать не будет схема!!!
-
- Сообщение
Re: Защита от неверного подключения полярности
Ivga21 писал(а):При асимметрии в сети кажется работать не будет схема!!
При допустимой будет работать. Всё отстраивается. При ненормальной асимметрии , разумеется сработает. Это рабочие схемы защиты эл.двигателей в кулибинские времена. Просто и дешево - то есть то, что вам нужно. Есть, конечно, современные устройства, но их вам внутрь, видимо, не поместить да и цену, как вы писали, на товар вам повышать нельзя.
Раньше я завидовал тем, кто получал больше меня. Теперь я завидую тем, кто ходит на работу с удовольствием
-
- Сообщение
Re: Защита от неверного подключения полярности
slavapril писал(а): Есть, конечно, современные устройства, но их вам внутрь, видимо, не поместить да и цену, как вы писали, на товар вам повышать нельзя.
Место есть только вот цена больше влияет.
-
- Сообщение
Re: Защита от неверного подключения полярности
Ivga21 писал(а):Место есть
тогда сообщение №12 вам в помощь
Ivga21 писал(а):цена больше влияет
тогда собирайте сами
Раньше я завидовал тем, кто получал больше меня. Теперь я завидую тем, кто ходит на работу с удовольствием
-
- Ссылки на тему
| Ссылка: | |
| BBcode: | |
| HTML: |
-
- Похожие темы
- Ответы
- Просмотры
- Последнее сообщение
-
-
Схема изменения полярности на кнопке стеклоподъемника
mr2 в форуме Автотехника, автоэлектрика - 3
- 418
-
elhouse
13 мар 2014, 10:48
-
Схема изменения полярности на кнопке стеклоподъемника
-
-
Смена полярности для стеклоподъёмников
yainet в форуме Автотехника, автоэлектрика - 6
- 280
-
yainet
01 май 2014, 11:14
-
Смена полярности для стеклоподъёмников
-
- Объявления
Вернуться в Радиотехника, электроника
Кто на форуме
Всего посетителей: 1, из них зарегистрированных: 0, скрытых: 0 и гостей: 1 (основано на активности пользователей за последние 10 минут)
Больше всего посетителей (279) здесь было 04 сен 2013, 15:45
Сейчас эту тему просматривают: нет зарегистрированных пользователей и гости 1
Права доступа
Вы не можете начинать темы
Вы не можете отвечать на сообщения
Вы не можете редактировать свои сообщения
Вы не можете удалять свои сообщения
Вы не можете добавлять вложения
Легенда
| Новые сообщения | Нет новых сообщений | Форум закрыт | |||
| Подфорум Новые сообщения | Подфорум Нет новых сообщений | Ссылка на форум |
-
- Объявления
|
phpBB® Forum Software © phpBB Group
Русская поддержка phpBB Связь с администрацией Администраторский раздел |
|


Загрузка. Подождите...
























