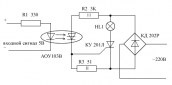
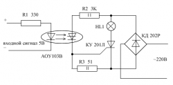
Часто попадаются вопросы, когда спрашивают, как усилить сигнал от светодиода. Т.е. имеется некое устройство с некоторой светодиодной индикацией. И требуется, скажем, перенести индикацию в другое помещение в виде сигнала обычной лампы. Как правило, напряжение большинства светодиодов составляет 5В. Хотя в настоящее время и другие есть. Но здесь важен принцип. Схема простая. Необходимо взять оптрон, выпаять светодиод и на его место запаять выводы излучающего элемента оптической пары. Вторая пара оптрона включается в управляющую цепь тиристора. Сама лампа включается в силовую цепь тиристора через диодный мост.
Один из вариантов решения поставленной задачи с конкретными параметрами на приведенной схеме.


Загрузка. Подождите...





















