-
- Объявления
|
Электромонтаж Электромонтажные работы в деревянном доме. www.electric-house.ru |
Местная Конституция | FAQ - Часто задаваемые вопросы | Для новичков! | Реклама на форуме! | Публикация сообщений | Как вставить картинку или файл
Прежде чем задать вопрос, воспользуйтесь поиском - возможно, что такая тема уже есть на форуме. За нарушение правил Ваш вопрос может быть удален без объяснения причин!
-
- Сообщение
-
Dynamic / Автор темы




- Заглянувший
- Прогресс звания:
-
- Заслуженная репутация: 0 +0 / -0


Датчик давления
датчик давления adz-sml-10 выходной сигнал от4 до 20 милиампер (отдающая сторона)
регистратор принимает (видит)напряжение от0 до 10 вольт (принимающая сторона)
От и до ето робочие границы в пределах которых значения меняютьса
-
- Сообщение
-
FRIM@N





- Инженер

- Прогресс звания:
-
- Заслуженная репутация: 11 +7 / -0


Re: Датчик давления
-
- Сообщение
-
sergey_sav








- Лидер тех. поддержки

- Технический директор

- Прогресс звания:
-
- Заслуженная репутация: 161 +50 / -0

















Re: Датчик давления
В Вашем случае придётся снимать сигнал на регистратор с последовательно включенного резистора, номинал которого рассчитайте исходя из известных пределов изменения тока датчика и входного напряжения регистратора.

Все тематические вопросы и ответы на них только на форуме!
Санк-Петербург. Электромонтажные работы.
-
- Сообщение
-
Grumm





- Инженер

- Прогресс звания:
-
- Заслуженная репутация: 26 +10 / -0



Re: Датчик давления
- Вложения
-

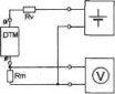
- Датчик давления - scheme01
(2.69 КБ) Просмотров: 420
-
- Сообщение
-
sergey_sav








- Лидер тех. поддержки

- Технический директор

- Прогресс звания:
-
- Заслуженная репутация: 161 +50 / -0

















Re: Датчик давления
Grumm писал(а):Не совсем понятно подключение ИП в схеме выше.
Схема 2 отличается только наличием ограничительного резистора Rv.
Все тематические вопросы и ответы на них только на форуме!
Санк-Петербург. Электромонтажные работы.
-
- Сообщение
-
sergey_sav








- Лидер тех. поддержки

- Технический директор

- Прогресс звания:
-
- Заслуженная репутация: 161 +50 / -0

















Re: Датчик давления

Схемы то сравнить не пытались?...
Все тематические вопросы и ответы на них только на форуме!
Санк-Петербург. Электромонтажные работы.
-
- Ссылки на тему
| Ссылка: | |
| BBcode: | |
| HTML: |
-
- Похожие темы
- Ответы
- Просмотры
- Последнее сообщение
-
-
Как правильно выбрать уличный датчик движения
1, 2 Алекс СВАО в форуме Электроустановочные изделия - 33
- 10796
-
sergey_sav
18 авг 2012, 21:34
-
Как правильно выбрать уличный датчик движения
-
-
По какой схеме подключать датчик движения (ДД)?
1, 2 DEN78 в форуме Электроустановочные изделия - 20
- 6455
-
Бонис
10 май 2011, 22:23
-
По какой схеме подключать датчик движения (ДД)?
-
-
Датчик движения вместо обычного выключателя.
cipelev в форуме Электроустановочные изделия - 7
- 674
-
electrohoz
01 дек 2014, 10:32
-
Датчик движения вместо обычного выключателя.
-
-
датчик обратной тяги на колонку.
миш в форуме Своими руками - 3
- 921
-
Anatoliy
27 апр 2011, 00:23
-
датчик обратной тяги на колонку.
-
-
Датчик движения и выключатель совместно.
116rus в форуме Электроустановочные изделия - 11
- 317
-
slavapril
09 фев 2014, 11:48
-
Датчик движения и выключатель совместно.
-
- Объявления
Вернуться в Радиотехника, электроника
Кто на форуме
Всего посетителей: 1, из них зарегистрированных: 1, скрытых: 0 и гостей: 0 (основано на активности пользователей за последние 10 минут)
Больше всего посетителей (279) здесь было 04 сен 2013, 16:45
Сейчас эту тему просматривают: archive.org_bot и гости 0
-
- Объявления
|


Загрузка. Подождите...
















