Обозначение на чертеже реле контроля напряжения УЗМ-51М
Местная Конституция | FAQ - Часто задаваемые вопросы | Для новичков! | Реклама на форуме! | Публикация сообщений | Как вставить картинку или файл
Помните, поблагодарить автора за интересное сообщение, вы можете - нажав
или повысить его репутацию - нажав
в сообщении.Прежде чем задать вопрос, воспользуйтесь поиском - возможно, что такая тема уже есть на форуме. За нарушение правил Ваш вопрос может быть удален без объяснения причин!
Консультации и обсуждение вопросов связанных с проектированием систем электроснабжения и электроосвещения, производятся только для членов клуба электриков и VIP-пользователей!
Создавать темы в этом разделе могут только члены клуба электриков и VIP-пользователи - Как вступить в "Клуб электриков" и стать VIP-пользователем?
-
atv
Автор темы - Новенький
Обозначение на чертеже реле контроля напряжения УЗМ-51М
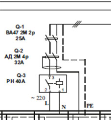
Подскажите пожалуйста, как графически можно обозначить на чертеже проекта (принципиальная схема электроснабжения) - Устройство защиты многофункциональное УЗМ-51М, устройство защиты от скачков напряжения, нагрузка 63А.
Re: Обозначение на чертеже реле контроля напряжения УЗМ-51М
Все тематические вопросы и ответы на них, только на форуме! В личку по электрике не отвечаю.
Re: Обозначение на чертеже реле контроля напряжения УЗМ-51М
| ! | Сообщение из: "elhouse" |
| Анатолий вставляй вложения в сообщения! Иначе они не масштабируется! |
-
atv
Автор темы - Новенький
-
Строительная доска объявлений
Объявления на нашей доске просматриваются большим количеством посетителей, переходят из рук в руки и всегда имеют хороший отклик.
Рекомендуемый контент
-
-
Реле контроля напряжения Вложения
albert73 » 22 ноя 2012, 08:37 » в форуме Электроустановочные изделия - 7
- 777
-
Василич
25 ноя 2012, 19:25
-
-
-
Реле контроля напряжения АВВ CM-EFS
radian » 21 июн 2009, 20:29 » в форуме Электроустановочные изделия - 1
- 2358
-
sakrej
25 июн 2009, 13:23
-
-
-
Реле контроля напряжения в квартиру
Kensan » 04 мар 2013, 20:32 » в форуме Электроустановочные изделия - 11
- 2554
-
sergey_sav
05 мар 2013, 21:44
-
-
-
Выбор реле контроля 3-х фазного напряжения...Как выбрать? Вложения
electrohoz » 10 дек 2015, 01:04 » в форуме Электроустановочные изделия - 0
- 155
-
electrohoz
10 дек 2015, 01:04
-
-
- 4
- 573
-
Релейщик
29 апр 2013, 12:27
Вернуться в «Электропроектирование»
Кто на форуме
Сейчас этот форум просматривают: archive.org_bot и 0 гостей
Загрузка. Подождите...





















