ФОРУМ ПО ЭЛЕКТРИКЕ И ЭЛЕКТРИЧЕСТВУ


Полная версия ВходРегистрация

ПоискБлагодарностиФото-галерея
Видео электриковFAQ



Пред. тема | След. тема
Страница 1 из 1 [ Сообщений: 6 ]

Начать новую тему Ответить

Версия для печати

Мой проект электроснабжения))

Мой проект электроснабжения))

Не в сети - Заглянувший

Профиль 
04 мар 2010, 18:49 Сообщение
Здравствуйте! Посмотрите пожалуйста мое творение и укажите на ошибки)).

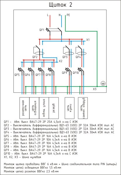
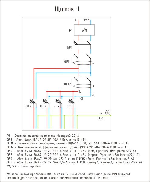
Перед стройкой дома был сделан временный ввод в гараж, автомат перед счетчиком не установили, после счетчика есть два однополюсных автомата, дальше розетка. Дом в сельской местности.

Пришло время все делать по-уму)). Только отлавливать электриков по району не хочетца, решил вводный автомат поставить после счетчика.

Система заземления была выбрана ТТ...

Все автоматы и УЗО от ИЭК - только они распространены у нас в городе.

Проводка в доме будет (дом деревянный) - ВВГнг закрыто в металлорукаве, розетки 2,5 кв.мм, свет 1,5 кв.мм. Кстати, узнал, что сейчас многие кабели не соответсвуют номинальному диаметру, указанному на бирке. Но продавцы говорят, что это ГОСТ и все нормально. Что скажите?

Остается открытым вопрос по предупреждению перенапряжения. Какие есть проверенные не дорогие варианты?

На данный момент у меня однотарифный счетчик. Если решу переделать на 2-х тарифный - это как-то зависит от возможностей элетросетей? Имеют ли мне право отказать?

Заземлители у меня получились там, где возможно будут ходить. Насколько это опасно? По идее при утечке должны сработать УЗО, но все же есть сомнения.

Вложения

Мой проект электроснабжения)) - shema3
Мой проект электроснабжения)) - shema3
[ 55.47 КБ | Просмотров: 2307 ]

Мой проект электроснабжения)) - shema2
Мой проект электроснабжения)) - shema2
[ 52.12 КБ | Просмотров: 2307 ]

Мой проект электроснабжения)) - shema1
Мой проект электроснабжения)) - shema1
[ 39.07 КБ | Просмотров: 2307 ]


Ответить с цитатой 



Не в сети - Член клуба

Профиль 
08 мар 2010, 09:55 Сообщение
Цитата
Система заземления была выбрана ТТ...

Не плохо конечно, но... придёться обосновывать, почему не TN-C-S, косвенно сталкивался с ростехнадзором, не очень то они любят отступления от всеобщей TN-...

Цитата
Проводка в доме будет (дом деревянный) - ВВГнг закрыто в металлорукаве

Металлорукав заземлять требуют.

Цитата
Остается открытым вопрос по предупреждению перенапряжения. Какие есть проверенные не дорогие варианты?

По идее, на вводе, перед счётчиком, устонавливают Автомат или предохранители (предохранители кстати предпочтительней, при ударе молнии сработают 100%), за ними параллельно с счётчиком устонавливают Ограничители перенапряжения ОПС, типа В (обычно экономят и ставят С)

Цитата
Если решу переделать на 2-х тарифный - это как-то зависит от возможностей элетросетей? Имеют ли мне право отказать?

Имеет смысл если ночью будете включать электрокотёл, у нас за двойнной тариф днём плотишь 1,1 раза больше, ночью 0,8.

Цитата
Заземлители у меня получились там, где возможно будут ходить. Насколько это опасно?

Заземление не должно быть доступно к случайному прикосновению к ним человека
Ответить с цитатой 



Не в сети - Заслуженный член клуба

Профиль 
08 мар 2010, 09:59 Сообщение
вам ро этой теме ответили-какой смысл еще задавать вопрос!!!!!
Ответить с цитатой 



Не в сети - Член клуба

Профиль 
08 мар 2010, 10:03 Сообщение
а где ответили?
Ответить с цитатой 



Не в сети - Заслуженный член клуба

Профиль 
08 мар 2010, 10:06 Сообщение
другой форум-если Сергей сав не против -он может скинуть ссылку
Ответить с цитатой 



Не в сети - Лидер тех. поддержки

Профиль 
08 мар 2010, 11:13 Сообщение
В личных сообщениях можно любые ссылки оставлять, кроме порносайтов.... -:
Ответить с цитатой 

Начать новую тему  Ответить
Вернуться к началу


Страница 1 из 1 [ Сообщений: 6 ]
Пред. тема | След. тема

Сейчас эту тему просматривают: нет зарегистрированных пользователей и гости 1






Найти
Перейти
 


Полная версия

Рейтинг-каталог строительных сайтов - Electric House