-
- Объявления
|
Электромонтаж Электромонтажные работы в деревянном доме. www.electric-house.ru |
Местная Конституция | FAQ - Часто задаваемые вопросы | Для новичков! | Реклама на форуме! | Публикация сообщений | Как вставить картинку или файл
Прежде чем задать вопрос, воспользуйтесь поиском - возможно, что такая тема уже есть на форуме. За нарушение правил Ваш вопрос может быть удален без объяснения причин!
-
- Сообщение
-
миш / Автор темы







- Почётный член клуба

- Старший энергетик

- Прогресс звания:
-
- Заслуженная репутация: 82 +21 / -0









Как проверить наличие наряжения
Дома собрал схему на выходе схема должно быть 900в.сунулся а у меня прибор до 750. может кто-то подскажет.
-
- Сообщение
-
sergey_sav








- Лидер тех. поддержки

- Технический директор

- Прогресс звания:
-
- Заслуженная репутация: 161 +50 / -0

















Как проверить наличие наряжения
Все тематические вопросы и ответы на них только на форуме!
Санк-Петербург. Электромонтажные работы.
-
- Сообщение
-
миш / Автор темы







- Почётный член клуба

- Старший энергетик

- Прогресс звания:
-
- Заслуженная репутация: 82 +21 / -0









Как проверить наличие наряжения
-
- Сообщение
-
миш / Автор темы







- Почётный член клуба

- Старший энергетик

- Прогресс звания:
-
- Заслуженная репутация: 82 +21 / -0









Как проверить наличие наряжения
- Вложения
-

- Как проверить наличие наряжения - 6-1
(3 КБ) Просмотров: 4080
-
- Сообщение
-
haramamburu






- Инженер

- Прогресс звания:
-
- Заслуженная репутация: 16 +9 / -2


Как проверить наличие наряжения
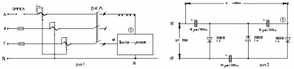
kokoko писал(а):Если не секрет: зачем Вам почти 1000 В?!
Рыбу глушить?
ващето схема 2, енто классический умножитель напряжения применяемый в телевизорах...
тока где выход напруги в данной схеме, и зачсем 2ф на вход.
вторая схема пральная, но не факт что она должна выдавать то, что ва хочите (какая нагрузка?), но я понял смысл: 310*3

-
- Сообщение
-
haramamburu






- Инженер

- Прогресс звания:
-
- Заслуженная репутация: 16 +9 / -2


Как проверить наличие наряжения
почему то подумал Што не "выдает", оказалось измерить.
как советовал sergey_sav, вряд ли получится (еси неразумно, то ваще неполлучится (а ведь НАРОД поймет буквально - косяк спишет на ВАС "неразумного" - я не обижаю), R вольтметра должен был бы соизмерим "буквально" с СОПРОТИВЛЕНИЕМ), здесь надо применять метод "потенциометров" , 2 или более резисторов соед. послед. к нагрузке, волтметр должен с внутренним R на порядок более, вольтметр соед. парал. с резистором и умножим на кол. резисторов
ЗЫ свыше 2х кВ вольтметр свой - искоровой
-
- Сообщение
-
sergey_sav








- Лидер тех. поддержки

- Технический директор

- Прогресс звания:
-
- Заслуженная репутация: 161 +50 / -0

















Как проверить наличие наряжения
haramamburu писал(а):как советовал sergey_sav, вряд ли получится ...
Поэтому сказал не просто "резистор", а с помощью добавочного резистора.
Все тематические вопросы и ответы на них только на форуме!
Санк-Петербург. Электромонтажные работы.
-
- Сообщение
-
sergey_sav








- Лидер тех. поддержки

- Технический директор

- Прогресс звания:
-
- Заслуженная репутация: 161 +50 / -0

















Как проверить наличие наряжения
Все тематические вопросы и ответы на них только на форуме!
Санк-Петербург. Электромонтажные работы.
-
- Сообщение
-
haramamburu






- Инженер

- Прогресс звания:
-
- Заслуженная репутация: 16 +9 / -2


Как проверить наличие наряжения
ведь НАРОД поймет буквально - косяк спишет на ВАС "неразумного" - я не обижаю

-
- Сообщение
-
haramamburu






- Инженер

- Прогресс звания:
-
- Заслуженная репутация: 16 +9 / -2


Как проверить наличие наряжения
sergey_sav писал(а):Автору темы. Готовьтесь к взрыву. Вы взяли электролиты с малым рабочим напряжением!
да вряд ли, здесь как начальной школе, работает +.
ЗЫ здесь не должно быть Електролитов, Ваще!!!
-
- Сообщение
-
миш / Автор темы







- Почётный член клуба

- Старший энергетик

- Прогресс звания:
-
- Заслуженная репутация: 82 +21 / -0









Как проверить наличие наряжения
-
- Сообщение
-
миш / Автор темы







- Почётный член клуба

- Старший энергетик

- Прогресс звания:
-
- Заслуженная репутация: 82 +21 / -0









-
- Сообщение
-
haramamburu






- Инженер

- Прогресс звания:
-
- Заслуженная репутация: 16 +9 / -2


Как проверить наличие наряжения
ну было дело, были Електолиты, НО, ни один справочник ентого не даст...
при высоких U , ващето кондеры не тех емкостей (иных Честно - не встречал ЗЫ я про радиотехнику, а не про компенсацию реак. 500 кВ0).
и где моЩность? , назначение?
ЗЫ штирлицы в другом подъезде
-
- Сообщение
-
миш / Автор темы







- Почётный член клуба

- Старший энергетик

- Прогресс звания:
-
- Заслуженная репутация: 82 +21 / -0









Как проверить наличие наряжения
-
- Сообщение
-
миш / Автор темы







- Почётный член клуба

- Старший энергетик

- Прогресс звания:
-
- Заслуженная репутация: 82 +21 / -0









-
- Ссылки на тему
| Ссылка: | |
| BBcode: | |
| HTML: |
-
- Похожие темы
- Ответы
- Просмотры
- Последнее сообщение
-
-
Помогите рассчитать токи,и проверить правильность уравнений

inanocoder в форуме Ваш репетитор - теория - 5
- 613
-
slavapril
24 ноя 2011, 21:28
-
Помогите рассчитать токи,и проверить правильность уравнений
-
-
Как проверить межвитковое замыкание обмоток двигателя?
jovani в форуме Электрооборудование, электротехника - 11
- 6000
-
деда
01 апр 2011, 21:10
-
Как проверить межвитковое замыкание обмоток двигателя?
-
-
Как проверить счетчик на правильность показаний
elhouse в форуме Учет электроэнергии - 1
- 366
-
electrohoz
07 янв 2015, 10:44
-
Как проверить счетчик на правильность показаний
-
-
Как проверить кабель без мегера?
Grumm в форуме Электроустановочные изделия - 7
- 514
-
sergey_sav
19 апр 2011, 18:16
-
Как проверить кабель без мегера?
-
-
Как проверить провод ПУНГП 2х2.5

Z1000000 в форуме Электроустановочные изделия - 3
- 322
-
Morigan
02 окт 2012, 16:53
-
Как проверить провод ПУНГП 2х2.5
-
- Объявления
Вернуться в Общие темы по электрике
Кто на форуме
Всего посетителей: 1, из них зарегистрированных: 1, скрытых: 0 и гостей: 0 (основано на активности пользователей за последние 10 минут)
Больше всего посетителей (279) здесь было 04 сен 2013, 16:45
Сейчас эту тему просматривают: archive.org_bot и гости 0
-
- Объявления
|


Загрузка. Подождите...


















