-
- Объявления
|
Электромонтаж Электромонтажные работы в деревянном доме. www.electric-house.ru |
Местная Конституция | FAQ - Часто задаваемые вопросы | Для новичков! | Реклама на форуме! | Публикация сообщений | Как вставить картинку или файл
Прежде чем задать вопрос, воспользуйтесь поиском - возможно, что такая тема уже есть на форуме. За нарушение правил Ваш вопрос может быть удален без объяснения причин!
-
- Сообщение
-
АБВ / Автор темы



- Новенький
- Прогресс звания:
-
- Заслуженная репутация: 0 +0 / -0

Можно объединять PEN-проводники разных ТП?
Хочу подключить два ввода с разных ТП, в щите учёта объединить PEN-проводники на шине, после чего разделить на N и PE. Далее двумя раздельными кабелями на ВРУ с АВР. Систему заземления хочу TN-C-S.
-
- Сообщение
-
nikola



- Гуру клуба

- Энергетик

- Прогресс звания:
-
- Заслуженная репутация: 58 +18 / -0






Если соеденить, может протекать большой уравнивающий ток, величина которого зависит от мощности и нагрузок трансформаторов.
Ток может быть в некоторых случаях 100А и выше, а при КЗ на ВЛ от одной из ТП в три-пять раз больше.
Делайте систему заземления ТТ и будет вам удача, как говорят некоторые.
-
- Сообщение
-
Mixas




- Тех. поддержка

- Мастер

- Прогресс звания:
-
- Заслуженная репутация: 16 +4 / -0


Re: Можно объединять PEN-проводники разных ТП?
АБВ писал(а):Хочу подключить два ввода с разных ТП, в щите учёта объединить PEN-проводники на шине, после чего разделить на N и PE.
Посмотрите ещё вот здесь - Соединение «нулей» при подключении резервного электропитания.
Некоторые комментарии:
При подключении резервного питания, от другого ТП, домов частного сектора - остаются вопросы без ответов.
Как обеспечить безопасность работ на ТП - как низкой стороне, так и на высокой, если не известно состояние АВР в частном доме и не исключается подача напряжения 0,4 кВ от другого ТП?
Как выписать наряд диспетчеру сетей на ремонтные работы, если он не знает схему переключений в частном доме с запиткой от двух ТП?
Кто будет отвечать за поражение электрическим током ремонтного персонала, если выясниться что напряжения прибежало через переключающее устройство резервного питания частного дома, хозяин которого не электрик?

-
- Сообщение
-
Pukin





- Мастер

- Прогресс звания:
-
- Заслуженная репутация: 8 +4 / -0

Re: Можно объединять PEN-проводники разных ТП?
АБВ писал(а):можно ли соединять PEN-проводники разных трансформаторных подстанций?
nikola писал(а):PEN проводники с разных ТП соединять нельзя. Тем более на вводе в дом.
Можно, даже нужно.
Если делать все правильно, т.е разделять РЕN на РЕ и N, то не объединить не получится.
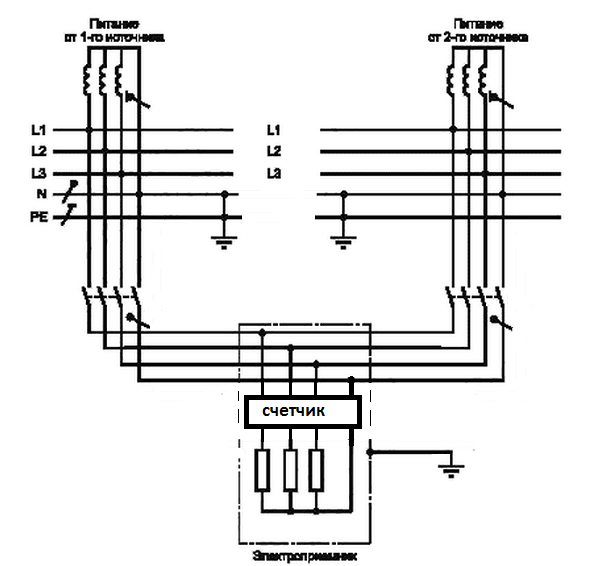
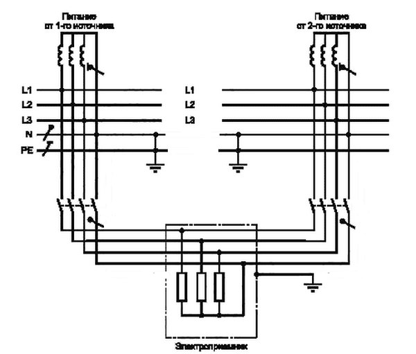
Как видно из рисунка они объединяются перемычкой между шинами РЕ. Даже если сделать 2 разных заземляющих устройства, то "перемычкой" послужит сама земля (матушка)

- Вложения
-
- Сообщение
-
Shturman



- Электрик

- Прогресс звания:
-
- Заслуженная репутация: 2 +2 / -0

Re: Можно объединять PEN-проводники разных ТП?
nikola писал(а):PEN проводники с разных ТП соединять нельзя. Тем более на вводе в дом.
Объясните пожалуйста и мне. А если бы вводы были с одной двух-трансформаторной ТП которая запитана по высшему напряжению от разных ВЛ-10 кВ, то тогда РЕN проводники нужно было бы объединять?
Pukin писал(а):Можно, даже нужно.
Вот я не могу разобраться. Одни говорят можно другие нельзя. А вот на всех схемах ВРУ, которые питаются двумя кабелями независимо от того, питание приходит с одной двух-трансформаторной ТП или двух разных ТП, очень даже объединяют нули кабелей на вводе.

-
- Сообщение
-
haramamburu






- Инженер

- Прогресс звания:
-
- Заслуженная репутация: 16 +9 / -2


Re: Можно объединять PEN-проводники разных ТП?
Shturman писал(а):Вот я не могу разобраться.
Mixas писал(а):Посмотрите ещё вот здесь. Соединение «нулей» при подключении резервного электропитания
Все вышеперечисленное "невозможно", если ваши два ТП запитаны по разным схемам, маловероятно, но возможно.
-
- Сообщение
-
Shturman



- Электрик

- Прогресс звания:
-
- Заслуженная репутация: 2 +2 / -0

Re: Можно объединять PEN-проводники разных ТП?
haramamburu писал(а):Все вышеперечисленное "невозможно", если ваши два ТП запитаны по разным схемам, маловероятно, но возможно.
А что подразумеваеться под "запиткой ТП по разным схемам"?
-
- Сообщение
-
haramamburu






- Инженер

- Прогресс звания:
-
- Заслуженная репутация: 16 +9 / -2


Re: Можно объединять PEN-проводники разных ТП?
Shturman писал(а):А что подразумеваеться под "запиткой ТП по разным схемам"?
Я так понимаю.
-
- Сообщение
-
Shturman



- Электрик

- Прогресс звания:
-
- Заслуженная репутация: 2 +2 / -0

Re: Можно объединять PEN-проводники разных ТП?

Смотреть внизу щита. Нули приходят на одну шину. Там по два кабеля в паралель проложено.
-
- Сообщение
-
Anatoliy






- Почётный Гуру клуба

- Старший энергетик

- Прогресс звания:
-
- Заслуженная репутация: 158 +38 / -0
















Re: Можно объединять PEN-проводники разных ТП?
444.4.6.1 Питание от нескольких источников в Системе TN.
-
- Сообщение
-
haramamburu






- Инженер

- Прогресс звания:
-
- Заслуженная репутация: 16 +9 / -2


Re: Можно объединять PEN-проводники разных ТП?
Shturman писал(а):разных кабелей от одной ТП.
-
- Сообщение
-
Shturman



- Электрик

- Прогресс звания:
-
- Заслуженная репутация: 2 +2 / -0

Re: Можно объединять PEN-проводники разных ТП?
ГОСТ Р 50571-4-44-2011
444.4.6.1 Питание от нескольких источников в Системе TN
Почитал. Насколько я понял с того что прочитал, то нули от разных ТП соединяються, но при этом на ТП не должно быть глухозаземленной нейтрали (изолированная нейтраль), а заземление нуля происходит непосредственно на ГРЩ обьекта. Правильно или нет?

-
- Сообщение
-
haramamburu






- Инженер

- Прогресс звания:
-
- Заслуженная репутация: 16 +9 / -2


Re: Можно объединять PEN-проводники разных ТП?
Anatoliy писал(а):Питание от нескольких источников в Системе TN
а TN - это разве изолированная нейтраль?

-
- Сообщение
-
Shturman



- Электрик

- Прогресс звания:
-
- Заслуженная репутация: 2 +2 / -0

Re: Можно объединять PEN-проводники разных ТП?
haramamburu писал(а):а TN - это разве изолированная нейтраль?
Так вот я и хочу разобраться.
Получается что бы выполнить требование этого ГОСТ Р 50571-4-44-2011 пункт 444.4.6.1, надо что бы ТП были с изолированными нейтралями? Так? Если судить по тому рисунку в ГОСТ, то там именно на ТП нету заземленной нейтрали. Но почему? если это система TN?
Ну тогда неувязка выходит с этим рисунком, так как сейчас все ТП с глухозаземленной нейтралью. Следовательно подключиться от двух независимых ТП не получиться что ли? Ну никак я не могу сложить все это в кучу.
-
- Сообщение
-
nikola



- Гуру клуба

- Энергетик

- Прогресс звания:
-
- Заслуженная репутация: 58 +18 / -0






Re: Можно объединять PEN-проводники разных ТП?
-
- Сообщение
-
Anatoliy






- Почётный Гуру клуба

- Старший энергетик

- Прогресс звания:
-
- Заслуженная репутация: 158 +38 / -0
















Re: Можно объединять PEN-проводники разных ТП?
Разделение PEN проводника должно быть выполнено до ввода на 4 полюсные рубильники на шине ГЗШ. + повторное заземление.
И на вводе с каждой ТП ставится 4 полюсный рубильник. Таким образом будет разрываться N проводник.
-
- Сообщение
-
nikola



- Гуру клуба

- Энергетик

- Прогресс звания:
-
- Заслуженная репутация: 58 +18 / -0






Re: Можно объединять PEN-проводники разных ТП?
Никакого разделения PEN. Сделать собственное заземляющее устройство понадежней и его нельзя соединять с нейтралью ВЛ.
Плюс двухступенчатая дифзащита на каждом вводе и перекидной рубильник, или АВР. Счетчик можно один. А на некоторые потребители трехступенчатая защита. Плюс СУП.
Еще желательно, чтобы опоры с повторными заземлениями, с которых будет браться питание, находились подальше(на противоположных сторонах) от дома и друг от друга.
Shturman писал(а):Так вот я и хочу разобраться.
Получается что бы выполнить требование этого ГОСТ Р 50571-4-44-2011 пункт 444.4.6.1, надо что бы ТП были с изолированными нейтралями?
Ну никак я не могу сложить все это в кучу.
В ГОСТе говорится, что нейтрали источников питания должны соединяться только в одном месте - ГЗШ. Т.е в самой РП. Соединяться должны изолированными проводниками на ГЗШ, а не сразу с трансформатора на контур заземления. А с ГЗШ уже на контур заземления. Глухозаземленная нейтраль соблюдается.
Как можно выполнить это условие, если ТП находятся в разных местах - об этом там не оговаривается. Значит в нашей ситуации он не подойдет.
Что-бы соединить PEN-ы с ВЛ от разных пунктов питания, нужно согласование с обслуживающей организацией. Если дадут разрешение, то пожалуйста - делайте. В огороде сделать свой контур и прямо с опор на него заземляющие спуски. Но на это они вряд-ли согласятся. Что если один транс 1000 кВт, а другой 100 кВт. По одной стороне провод 180 кв мм, а по другой 25 мм кв. Не трудно догадаться какие токи пойдут через ваш дом, при соединении нейтрали.
-
- Сообщение
-
haramamburu






- Инженер

- Прогресс звания:
-
- Заслуженная репутация: 16 +9 / -2


Re: Можно объединять PEN-проводники разных ТП?
nikola писал(а):Что если один транс 1000 кВт, а другой 100 кВт. По одной стороне провод 180 кв мм, а по другой 25 мм кв.
И что? Если "схемы соед." совпадают? А?
nikola писал(а):Не трудно догадаться какие токи пойдут через ваш дом при соединении нейтрали.
Ну и какие?
nikola писал(а):Что если один транс 1000 кВт, а другой 100 кВт. По одной стороне провод 180 кв мм, а по другой 25 мм кв.
думаю вы путаете.. "работу трансов в параллель".. Это совершенно другая тема!
Anatoliy писал(а):Разделение PEN проводника должно быть выполнено до ввода на 4 полюсные рубильники на шине ГЗШ. + повторное заземление.
И на вводе с каждой ТП ставится 4 полюсный рубильник. Таким образом будет разрываться N проводник.
Вот нифига не понял.. Если делим на ГЗШ ОБА ПЕНа на Н и РЕ.. то, имеем тоже самое объединение ПЕНов.. и в чем тогда смысл 4Р рубильников?
-
- Сообщение
-
nikola



- Гуру клуба

- Энергетик

- Прогресс звания:
-
- Заслуженная репутация: 58 +18 / -0






Re: Можно объединять PEN-проводники разных ТП?
haramamburu писал(а):Ну и какие?
При обрыве нуля, в результате отгорания, от ТП 1000 кВА по загруженному фидеру 400 А, в следствии КЗ на линии будет сильный перекос по фазам и при плохих повторных заземлениях, ток до трехсот Ампер потечет через соединение PEN по нейтрали второй ВЛ к контуру заземления ТП 100 кВА. Если вовремя не сработает защита, а в таких ситуациях она может не сработать вовремя, погорят кабеля вводов в дом, где соединение PEN, все электроприборы в доме подключенные в сеть, в результате увеличения потенциала в нулевом рабочем проводнике через место разделения и сам дом, если соединение внутри или на деревянном покрытии и ни кого нет дома. Когда PEN отгорит, на нем будет фаза, плюс перед этим опасное растекание тока от ЗУ. Нейтраль на ТП 100 кВА отгорит, так как не рассчитана на такую нагрузку и перекос по фазам будет уже на второй ВЛ, со всеми вытекающими последствиями.
Все соединения такого рода должны выполняться на распределительной подстанции.
Но если схемы питания позволяют, о чем может знать только обслуживающая организация, то с их согласия возможно что получится сделать.
Но сомневаюсь, что ТС самому будет под силу правильно выполнить систему заземления TN-C-S на два, три ввода, если даже здесь, на форуме многие не представляют как это должно быть.
По системе заземления ТТ - самый безопасный, оптимальный вариант, на мой взгляд. Ничего, что написал выше, не произойдет.
Р.S. У нас на базе тоже два ввода. Но там мы заморачиваться не стали и подключили PEN только с одной ВЛ, которая понадежней и ТП поближе.
Вторая ВЛ загружена, напряжение слабое, в любом случае хуже не будет. Хоть так и нельзя, я говорил, но если очень хочется то ......
Хозяин - барин.
Причина: Подкорректировал
-
- Ссылки на тему
| Ссылка: | |
| BBcode: | |
| HTML: |
-
- Похожие темы
- Ответы
- Просмотры
- Последнее сообщение
-
-
Управление воротами разных фирм с одного пульта
gen999 в форуме Радиотехника, электроника - 3
- 330
-
Гарри
22 янв 2013, 14:43
-
Управление воротами разных фирм с одного пульта
-
-
Схема выключателя освещения из разных точек
1, 2, 3 тимофей в форуме Схемы по электрике - 55
- 28487
-
igori11
06 июн 2010, 15:24
-
Схема выключателя освещения из разных точек
-
-
Статистика - тип заказчика в разных регионах
elhouse в форуме Общие темы по электрике - 7
- 564
-
bob
21 фев 2011, 12:04
-
Статистика - тип заказчика в разных регионах
-
-
Соединение разных по цвету проводов
Masterboy в форуме Электроустановочные изделия - 2
- 305
-
Masterboy
20 июн 2012, 21:31
-
Соединение разных по цвету проводов
-
-
Можно ли запитаться от разных нуля и фазы?
Amar в форуме Электромонтаж в квартире - 19
- 4465
-
Александр Охрименко
17 фев 2010, 00:14
-
Можно ли запитаться от разных нуля и фазы?
-
- Объявления
Вернуться в Общие темы по электрике
Кто на форуме
Всего посетителей: 1, из них зарегистрированных: 1, скрытых: 0 и гостей: 0 (основано на активности пользователей за последние 10 минут)
Больше всего посетителей (279) здесь было 04 сен 2013, 16:45
Сейчас эту тему просматривают: archive.org_bot и гости 0
-
- Объявления
|


Загрузка. Подождите...























