-
- Объявления
|
Электромонтаж Электромонтажные работы в деревянном доме. www.electric-house.ru |
Местная Конституция | FAQ - Часто задаваемые вопросы | Для новичков! | Реклама на форуме! | Публикация сообщений | Как вставить картинку или файл
За нарушение правил Ваш вопрос может быть удален без объяснения причин!
-
- Сообщение
-
yura / Автор темы






- Мастер

- Прогресс звания:
-
- Заслуженная репутация: 0 +0 / -0

Запуск трёхфазных двигателей дома
Бывает просто кто нибудь принесет типа посмотри перепаяй на 220.Короче сделал я универсальное пусковое устройство для запуска трех -фазников в домашних условиях БЕЗ РАБОЧИХ КОНДЕНСАТОРОВ только пусковые, конденсаторы взял 10 штук (электролиты) каждый по 100 мкф./450вольт каждый щелчек переключателя добовляет 100мкф. в схеме это не показал но думаю будет понятно.Пользуюсь этим много лет.В таких установках как точило, сверильный, бетономешалка, хватает мощности и без рабочих кондеров, можно сделать это и с рабочими но реверс ( Т-1 ) прийдется убрать.
Достоинство этого метода нулевая защита и возможность запуска разных по мощности эл.двиг. При пуске нужно установить нужные мкф. и держать нажатой кнопку пуск пока двигатель не запустится не более 4-6 секунд если запуск не прошел (СТОП) добавить мкф. и повторить.
-
- Сообщение
-
sergey_sav








- Лидер тех. поддержки

- Технический директор

- Прогресс звания:
-
- Заслуженная репутация: 161 +50 / -0

















Запуск трёхфазных двигателей дома
Все тематические вопросы и ответы на них только на форуме!
Санк-Петербург. Электромонтажные работы.
-
- Сообщение
-
yura / Автор темы






- Мастер

- Прогресс звания:
-
- Заслуженная репутация: 0 +0 / -0

Запуск трёхфазных двигателей дома
sergey_sav писал(а):Непонятно, как у Вас живут электролиты в условиях переменки?
Живут они 4-6 секунд ровно столько сколько я держу кнопку пуск потом КМ-1 (пусковой) отключается и разряжает их через резистор.Вроде я понятно нарисовал.Для электролита это время в переменке не проблема.Поэтому кнопку пуск дольше держать нельзя.
-
- Сообщение
-
sergey_sav








- Лидер тех. поддержки

- Технический директор

- Прогресс звания:
-
- Заслуженная репутация: 161 +50 / -0

















Запуск трёхфазных двигателей дома
Для электролита в переменке и пара секунд может оказаться последней... Уж тогда хоть встречно включил бы.
Все тематические вопросы и ответы на них только на форуме!
Санк-Петербург. Электромонтажные работы.
-
- Сообщение
-
Anatoliy






- Почётный Гуру клуба

- Старший энергетик

- Прогресс звания:
-
- Заслуженная репутация: 158 +38 / -0
















Запуск трёхфазных двигателей дома
1. какая схема двигателя звезда/треугольник?
2. как себя ведет двигатель в нагрузке?
3. за счет чего после отключения Сп, происходит фазосдвиг?
4. Скорость вращения в рабочем режиме?
-
- Сообщение
-
yura / Автор темы






- Мастер

- Прогресс звания:
-
- Заслуженная репутация: 0 +0 / -0

Запуск трёхфазных двигателей дома
Anatoliy писал(а):2 yura
1. какая схема двигателя звезда/треугольник?
2. как себя ведет двигатель в нагрузке?
3. за счет чего после отключения Сп, происходит фазосдвиг?
4. Скорость вращения в рабочем режиме?
Без обиды мужики вижу грамотные вы ребята но не жили вы в деревне не было у вас не мельницы самодельной или точила вся Россия запускает дома эл.двигателя при помощи электролитов а для вас это новость удивляете вы меня.
1.Любая
2.Теряет мощность 50-60 процентов
3.Практически работает на одной обмотке ( фаз.сдвига нет.)
4.Скорость согласно его данных
Возмите эл.двиг. 500ватт соедените на 220 кондер на 100мкф (ЭЛЕКТРОЛИТ) 450вольт сунте в розетку как запустится кондер отсоедените сразу.Лучше один раз вам увидеть чем мне писать.
Но если честно я в шоке что кто то тем более электрик ни когда не видел как запускают электродвигатель при помощи электролитов.
-
- Сообщение
-
Anatoliy






- Почётный Гуру клуба

- Старший энергетик

- Прогресс звания:
-
- Заслуженная репутация: 158 +38 / -0
















Запуск трёхфазных двигателей дома
Не в обиду. Я просто спросил. А в жизни приходилось запускать просто с ремня.
Ту схему которую вы дали это обычная схема только убран один Ср.
Вот и все. Раньше это все выполнялось на кнопке где был один контакт не фиксированный.
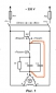
- Вложения
-

- Запуск трёхфазных двигателей дома - 380-220
(47.93 КБ) Просмотров: 3746
-
- Сообщение
-
sergey_sav








- Лидер тех. поддержки

- Технический директор

- Прогресс звания:
-
- Заслуженная репутация: 161 +50 / -0

















Запуск трёхфазных двигателей дома
Но если честно я в шоке что кто то тем более электрик ни когда не видел как запускают электродвигатель при помощи электролитов.

Все тематические вопросы и ответы на них только на форуме!
Санк-Петербург. Электромонтажные работы.
-
- Сообщение
-
yura / Автор темы






- Мастер

- Прогресс звания:
-
- Заслуженная репутация: 0 +0 / -0

Запуск трёхфазных двигателей дома
Anatoliy писал(а):2 yura
Не в обиду. Я просто спросил. А в жизни приходилось запускать просто с ремня.
Ту схему которую вы дали это обычная схема только убран один Ср.
Вот и все. Раньше это все выполнялось на кнопке где был один контакт не фиксированный.
Полностью согласен раньше я такие кнопки и применял дешиво и сердито но раз отвлекли мельница зерно молола а свет выключили и опять включили и нет двигателя.И за конденсаторы бумажные тоже правда они лучше электролитов но один мкф.у нас стоит 10-15рублей чтобы разогнать мое точило 2.2киловата 3000об.нужно не мение 400-500мкф.вот и прикинте.Поэтому собрал такой ящик на выходе поставил трехфазную розетку и любой каприэ от 250ватт до 4 киловат.Это не всем нужно просто на любителя.
-
- Сообщение
-
yura / Автор темы






- Мастер

- Прогресс звания:
-
- Заслуженная репутация: 0 +0 / -0

Запуск трёхфазных двигателей дома
sergey_sav писал(а):Если честно, то просто видел, как взрываются электролиты... Поэтому предпочитаю набор банок МБГ кондёров необходимого номинала. И пила и точило именно в деревне и именно с этими банками и работают. И главное, застрахован от неожиданностей...Но если честно я в шоке что кто то тем более электрик ни когда не видел как запускают электродвигатель при помощи электролитов.
Да неожидонности бывают кум строится сделал ему бетономешалку покупные дорого и хлипкие. Руки у него в растворе песок попал между кнопкой и ее корпусом кнопка заклинила кондер остался в работе естественно взорвался. Спасло то что все это было под кожухом и кондер я всегда заматываю в резину (велосипедную камеру ) Просто так без кожуха можно и без глаз остаться.Как они взрываются врагу не пожелаеш видел и я.
-
- Сообщение
-
Андрей1976






- Новенький
- Прогресс звания:
-
- Заслуженная репутация: 0 +0 / -0

Запуск трёхфазных двигателей дома
yura писал(а):Приходилось часто пользоваться 3/фазными двигателями дома.Бывает
просто кто нибудь принесет типа посмотри перепаяй на 220.Короче сделал я универсальное пусковое устройство для запуска трех -фазников в домашних условиях БЕЗ РАБОЧИХ КОНДЕНСАТОРОВ только пусковые,конденсаторы взял 10 штук (электролиты) каждый по 100 мкф./450вольт каждый щелчек переключателя добовляет 100мкф. в схеме это не показал но думаю будет понятно.Пользуюсь этим много лет.В таких установках как точило, сверильный, бетономешалка, хватает мощности и без рабочих кондеров, можно сделать это и с рабочими но реверс ( Т-1 ) прийдется убрать.Достоинство этого метода нулевая защита и возможность запуска разных по мощности эл.двиг. При пуске нужно установить нужные мкф. и держать нажатой кнопку пуск пока двигатель не запустится не более 4-6 секунд если запуск не прошел (СТОП) добавить мкф. и повторить.
Вы действительно пробовали с электролитами эту схему или как а то начал собирать а сомнения тревожат.Смотрю не все вам верят.
-
- Сообщение
-
Андрей1976






- Новенький
- Прогресс звания:
-
- Заслуженная репутация: 0 +0 / -0

Запуск трёхфазных двигателей дома
-
- Сообщение
-
yura / Автор темы






- Мастер

- Прогресс звания:
-
- Заслуженная репутация: 0 +0 / -0

Запуск трёхфазных двигателей дома
Андрей1976 писал(а):Пожалуйста не посчитайте за труд ответте я ради этого чтобы вам вопрос задать и зарегистриловался на вашем форуме.
Мне в августе 50 будет на пенсию пойду вот пенсией и клянусь.Электрики самые упертые люди по себе знаю много я не знаю
но смотрю тут на форуме тоже люди разные больше теоретиков слова они умные пишут но сами не пробовали я не стесняюсь спросить что не видел но что пробовал за то отвечаю. Кондер можно даже на 350 вольт просто теоретиков не стал дразнить,мне приходилось ставить электролит даже на 300вольт правда стрельнул быстро но месяц простоял.Тут суть такая если эл.двиг.1000об.то можно и на 300вольт они лихо запускаются 3000об разогнать трудней тут кондер 350-450вольт тебе если что не понятно пиши [email protected] или сюда.КМ-1 и КМ-2 я ставил ПМЛ второй величены а дома у меня такой пускатель собран на ПМЛ первой величены запускаю точило 2 с лишним киловата таблички нет на вид 2,2 может больше.По теории должны контакты отгорет но третий год работает и хоть бы хны.
-
- Сообщение
-
Андрей1976






- Новенький
- Прогресс звания:
-
- Заслуженная репутация: 0 +0 / -0

Запуск трёхфазных двигателей дома
-
- Сообщение
-
Андрей1976






- Новенький
- Прогресс звания:
-
- Заслуженная репутация: 0 +0 / -0

Запуск трёхфазных двигателей дома
-
- Сообщение
-
yura / Автор темы






- Мастер

- Прогресс звания:
-
- Заслуженная репутация: 0 +0 / -0

Запуск трёхфазных двигателей дома
Андрей1976 писал(а):И такой вопрос может вы слышали такое утверждение что если двигатель220/380 соеденить в звезду то он будет легче запускаться в однофазной сети 220V и конденсаторов нужно будет меньше.А после запуска его переключить на 220 и он будет работать???
Слышал сам не пробовал ,пробовал 127/220 там звезда родное напряжение да запускается легче и работает лучше главный энергетик расказывал что у него дома станок так запускается двигатель 220/380 4квт. 3000об. в звезу запускает в треугольник работает и бывал я у него но как то не посмотрел но мужик сурьезный вроде не должен врать. Сейчас у нас другой энергетик.Но слышал я это от многих.
-
- Сообщение
-
миш







- Почётный член клуба

- Старший энергетик

- Прогресс звания:
-
- Заслуженная репутация: 82 +21 / -0









Запуск трёхфазных двигателей дома
-
- Сообщение
-
Андрей1976






- Новенький
- Прогресс звания:
-
- Заслуженная репутация: 0 +0 / -0

Запуск трёхфазных двигателей дома
-
- Сообщение
-
Андрей1976






- Новенький
- Прогресс звания:
-
- Заслуженная репутация: 0 +0 / -0

Запуск трёхфазных двигателей дома
-
- Сообщение
-
Андрей1976






- Новенький
- Прогресс звания:
-
- Заслуженная репутация: 0 +0 / -0

Запуск трёхфазных двигателей дома
миш писал(а):электролиты можно использовать но с диодами поскольку нужен отрицательный и положительный полупериуды . в звезду я запускал и запуск мне так кажется одинаков может чуть легче на глаз это не заметно.
Только что проверил не нужны там диоды.Запуск если не знать чисто три фазы аж подпрыгивает.
-
- Ссылки на тему
| Ссылка: | |
| BBcode: | |
| HTML: |
-
- Похожие темы
- Ответы
- Просмотры
- Последнее сообщение
-
-
Защита асинхронных двигателей. Максимальные токовые реле.
1, 2 slavapril в форуме Электрооборудование, электротехника - 25
- 4037
-
rdnaem
02 фев 2013, 13:35
-
Защита асинхронных двигателей. Максимальные токовые реле.
-
-
Защита асинхронных двигателей. Плавкие вставки.
slavapril в форуме Электрооборудование, электротехника - 5
- 2494
-
slavapril
12 янв 2014, 20:48
-
Защита асинхронных двигателей. Плавкие вставки.
-
-
Защита асинхронных двигателей. Тепловые реле.
slavapril в форуме Электрооборудование, электротехника - 1
- 2912
-
миш
15 май 2012, 20:18
-
Защита асинхронных двигателей. Тепловые реле.
-
-
Защита асинхронных двигателей. Автоматические выключатели.
slavapril в форуме Электрооборудование, электротехника - 0
- 9196
-
slavapril
14 окт 2012, 21:01
-
Защита асинхронных двигателей. Автоматические выключатели.
-
-
Выбор асинхронных двигателей общего назначения.
electrohoz в форуме Библиотека электрика - 0
- 104
-
electrohoz
16 фев 2014, 20:04
-
Выбор асинхронных двигателей общего назначения.
-
- Объявления
Кто на форуме
Всего посетителей: 1, из них зарегистрированных: 1, скрытых: 0 и гостей: 0 (основано на активности пользователей за последние 10 минут)
Больше всего посетителей (279) здесь было 04 сен 2013, 16:45
Сейчас эту тему просматривают: archive.org_bot и гости 0
-
- Объявления
|


Загрузка. Подождите...















