Схема ввода, переключение по времени
Доброго времени суток, возникла, вот такая идея:
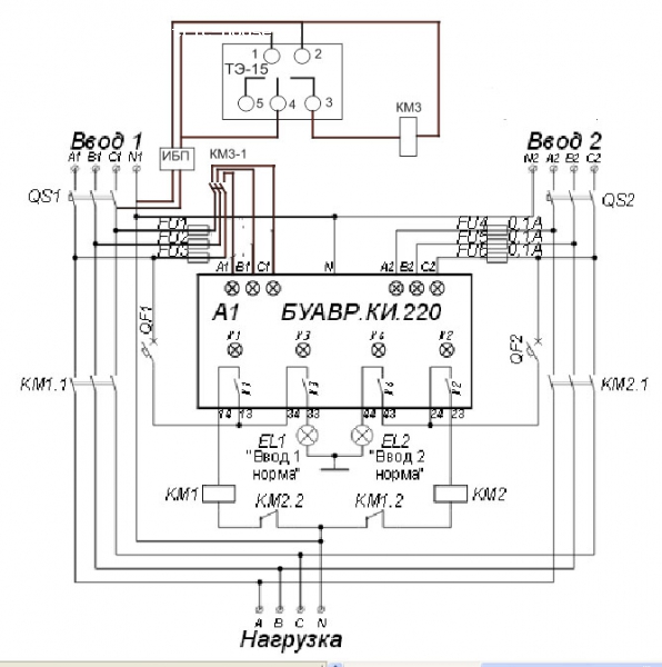
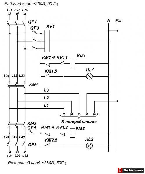
Существует два ввода с независимых источников питания, один ввод №1 (установлен 3-х фазный прибор учета с одной зонной), второй ввод №2(планируется установить 3- фазный прибор учета с 3-мя зонами "пик", "полу пик", "ночь") Нужно чтоб в "пиковые" часы ввод №2 отключался, и основное питание происходило через ввод №1, а в "полу пик " и "ночь" питание поступало через ввод №2, для того чтоб нагрев воды, теплые полы, полив газона, нагрев воды в бассейне, перевести на наиболее дешевый тариф! При этом в схему нужно установить АВР, так как питание с разных ТП. Помогите пожалуйста со схемой!
За ранее благодарен!
Существует два ввода с независимых источников питания, один ввод №1 (установлен 3-х фазный прибор учета с одной зонной), второй ввод №2(планируется установить 3- фазный прибор учета с 3-мя зонами "пик", "полу пик", "ночь") Нужно чтоб в "пиковые" часы ввод №2 отключался, и основное питание происходило через ввод №1, а в "полу пик " и "ночь" питание поступало через ввод №2, для того чтоб нагрев воды, теплые полы, полив газона, нагрев воды в бассейне, перевести на наиболее дешевый тариф! При этом в схему нужно установить АВР, так как питание с разных ТП. Помогите пожалуйста со схемой!
За ранее благодарен!
