Реверс однофазного асинхронного электродвигателя
Местная Конституция | FAQ - Часто задаваемые вопросы | Для новичков! | Реклама на форуме! | Публикация сообщений | Как вставить картинку или файл
Помните, поблагодарить автора за интересное сообщение, вы можете - нажав
или повысить его репутацию - нажав
в сообщении.Прежде чем задать вопрос, воспользуйтесь поиском - возможно, что такая тема уже есть на форуме. За нарушение правил Ваш вопрос может быть удален без объяснения причин!
Консультации по "схемам электрощитов и электропроектам" в частных домах и квартирах, производятся только для VIP-пользователей! Как вступить в "Клуб электриков" и стать VIP-пользователем?
-
moshkarow
Автор темы - Заглянувший
Re: Реверс однофазного асинхронного электродвигателя
moshkarow писал(а):
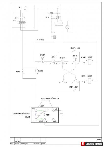
Выкладываю свою схему
Это нам для ликбеза или есть вопрос?
Все тематические вопросы и ответы на них, только на форуме! В личку по электрике не отвечаю.
-
moshkarow
Автор темы - Заглянувший
Re: Реверс однофазного асинхронного электродвигателя
moshkarow писал(а):
для замечаний
А что сказать? Подходят ли сечения проводов? Или тип пускателя? Или номинал конденсатора? Нет же никаких данных...Просто схема...
Просто составили или она у вас работает?
Все тематические вопросы и ответы на них, только на форуме! В личку по электрике не отвечаю.
-
Строительная доска объявлений
Объявления на нашей доске просматриваются большим количеством посетителей, переходят из рук в руки и всегда имеют хороший отклик.
Рекомендуемый контент
-
-
Реверс однофазного двигателя Вложения
Al » 25 окт 2009, 20:48 » в форуме Электрооборудование, электротехника - 11
- 12215
-
Al
12 ноя 2009, 21:31
-
-
-
Перегрев асинхронного электродвигателя Вложения
Tapochekc » 17 сен 2015, 21:57 » в форуме Электрооборудование, электротехника - 4
- 370
-
Tapochekc
18 сен 2015, 20:14
-
-
-
Подключение трехфазного асинхронного электродвигателя в одну Вложения
elhouse » 13 дек 2010, 14:55 » в форуме Схемы по электрике - 1
- 3379
-
slavapril
13 дек 2010, 21:48
-
-
- 22
- 2222
-
Morigan
06 мар 2013, 06:16
-
-
Трёхфазное напряжение из однофазного - для двигателя Вложения
Anatoliy » 06 мар 2010, 00:14 » в форуме Электрооборудование, электротехника - 2
- 1394
-
yura
09 мар 2010, 10:36
-
Вернуться в «Схемы по электрике»
Кто на форуме
Сейчас этот форум просматривают: archive.org_bot и 0 гостей
Загрузка. Подождите...


















