Схема защиты генератора
Местная Конституция | FAQ - Часто задаваемые вопросы | Для новичков! | Реклама на форуме! | Публикация сообщений | Как вставить картинку или файл
Помните, поблагодарить автора за интересное сообщение, вы можете - нажав
или повысить его репутацию - нажав
в сообщении.Прежде чем задать вопрос, воспользуйтесь поиском - возможно, что такая тема уже есть на форуме. За нарушение правил Ваш вопрос может быть удален без объяснения причин!
Консультации по "схемам электрощитов и электропроектам" в частных домах и квартирах, производятся только для VIP-пользователей! Как вступить в "Клуб электриков" и стать VIP-пользователем?
-
Nataly
Автор темы - Заглянувший
Схема защиты генератора
Помогите, пожалуйста, со схемой для защиты генератора!
Какие могут быть неисправности для схемы защиты генератора?
Заранее благодарю!
Re: Схема защиты генератора
Nataly писал(а):
со схемой для защиты генератора!
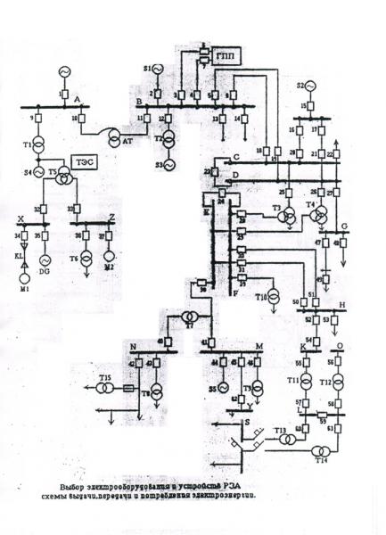
Похоже Вы не имеете представления о чём спрашиваете? Судя по представленной схеме у Вас синхронный генератор на несколько сотен меговат и его защита строится по многокаскадной схеме как по возбуждению так и по выходным параметрам генерируемой мощности в том числе контроль за реактивкой, а также ещё по нескольким сотням параметров механического плана (Вибрация, охлаждение, гидоавлика и т.д.) Все схемы - это несколько томов документации!
-
Строительная доска объявлений
Объявления на нашей доске просматриваются большим количеством посетителей, переходят из рук в руки и всегда имеют хороший отклик.
Рекомендуемый контент
-
-
Схема заземления генератора
Виталик » 18 дек 2014, 10:11 » в форуме Заземление, зануление, молниезащита - 2
- 998
-
BDBD
12 янв 2015, 00:57
-
-
-
Схема АВР с задержкой, для генератора Вложения
dalacom » 08 дек 2012, 18:56 » в форуме Электрооборудование, электротехника - 1
- 1436
-
Василич
08 дек 2012, 20:47
-
-
- 19
- 2261
-
Артём
12 авг 2010, 09:51
-
-
Автомат защиты двигателя Вложения
Fktrctq » 22 фев 2013, 23:39 » в форуме Электрооборудование, электротехника - 12
- 1286
-
Morigan
08 июн 2013, 20:30
-
-
-
Реле защиты насосов РЗН-1М. Вложения
electrohoz » 10 дек 2015, 00:41 » в форуме Электроустановочные изделия - 0
- 144
-
electrohoz
10 дек 2015, 00:41
-
Вернуться в «Схемы по электрике»
Кто на форуме
Сейчас этот форум просматривают: archive.org_bot и 0 гостей
Загрузка. Подождите...


















