Страница 1 из 2
Схема двухклавишного переключателя c трех мест

Добавлено:
09 сен 2012, 14:06
mailar
Здравствуйте уважаемые форумчане, возник вопрос - необходимо собрать схемку управления освещением (2 группы - далее 1 и 2) с трех мест, если быть точнее: первый пост - 1,2, второй - 1,2,3, третий 2,3. Перерыл интернет - похожие есть, но нужного не нашел,
Re: Схема двухклавишного переключателя c трех мест

Добавлено:
09 сен 2012, 14:12
elhouse
Re: Схема двухклавишного переключателя c трех мест

Добавлено:
09 сен 2012, 14:25
elhouse
При помощи пульта...
Re: Схема двухклавишного переключателя c трех мест

Добавлено:
09 сен 2012, 14:28
mailar
пульт не подходит, по проекту стоят выключатели (переключатели)
Re: Схема двухклавишного переключателя c трех мест

Добавлено:
09 сен 2012, 14:33
elhouse
Re: Схема двухклавишного переключателя c трех мест

Добавлено:
09 сен 2012, 14:41
mailar
а нет подобного рисунка на 2-х клавишный перкл...хотя думаю там просто добавляются еще одна группа проводов (поправьте если ошибаюсь)
Re: Схема двухклавишного переключателя c трех мест

Добавлено:
09 сен 2012, 14:42
slavapril
А что это за детское творчество на рисунке? Ничего не понял. Так у вас три лампы или две?
Re: Схема двухклавишного переключателя c трех мест

Добавлено:
09 сен 2012, 14:46
mailar
slavapril писал(а):А что это за детское творчество на рисунке? Ничего не понял. Так у вас три лампы или две?
на скорую руку накидал - ламп 3штуки - 1,2 двухклавишный переключатель в прихожей; 1.2.3 трехклавишный переключатель в гостинной; 2,3 в углу гостинной. номер лампы соответствует номеру клавишы переключателя
Re: Схема двухклавишного переключателя c трех мест

Добавлено:
09 сен 2012, 14:55
slavapril
Т.е с прихожей надо иметь возможность включать и выключать лампы 1 и 2, с гостинной 1, 2 и 3, а с угла гостинной включать и выключать 2 и 3? Так что ли?
Re: Схема двухклавишного переключателя c трех мест

Добавлено:
09 сен 2012, 14:59
mailar
совершенно верно - именно так, вся проблема в том ,что уже завтра надо закладывать проводку, потому что гипсокартонщики все закатывают, а сколько , что и как я еще до конца не понял.
Re: Схема двухклавишного переключателя c трех мест

Добавлено:
09 сен 2012, 16:43
slavapril
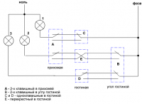
Ну, в общем-то можно. Получается, что в прихожей надо поставить один 2-х клавишный выключатель, В углу гостиной тоже один 2-х клавишный, а в самой гостиной - два одноклавишных(2-х клавишный не подойдет) и один перекрестный (с четырьмя выводами), применяемый для включения с трех точек. Если еще актуально, могу нарисовать.
Re: Схема двухклавишного переключателя c трех мест

Добавлено:
09 сен 2012, 16:54
mailar
да за рисуночек был бы благодарен
по проекту стоит один трехклавишный переключатель, думаю прокинуть пару резервных проводов - на всякий случай...
Re: Схема двухклавишного переключателя c трех мест

Добавлено:
09 сен 2012, 17:44
slavapril
Только так вы сможете обеспечить требуемую функциональность. Группу 1 можно будет включать/выключать с прихожей и гостиной, группу 2 с любого их трех мест, а группу 3 с гостиной и угла гостиной
Re: Схема двухклавишного переключателя c трех мест

Добавлено:
09 сен 2012, 18:08
sergey_sav
mailar писал(а):по проекту стоит один трехклавишный переключатель
Которых в природе не существует.... Исключение есть, например, Аnam. В этой серии в одну коробку можно запихнуть три одноклавишных переключателя... Но один из них должен быть перекрёстным, а есть ли такой у Аnam_а, не знаю.
Re: Схема двухклавишного переключателя c трех мест

Добавлено:
09 сен 2012, 18:16
mailar
даже так, блин, придется с заказчиком передумать проектик маленько, у него там просто кусок стены ограниченной ширины - три в ряд подразетника врядли поместятся
Добавлено спустя 1 минуту 7 секунд:
спасибо за советы - теперь хоть есть представление, как это реализовать...
хотел бы узнать. какие еще варианты решения могут быть
Re: Схема двухклавишного переключателя c трех мест

Добавлено:
09 сен 2012, 18:29
slavapril
mailar писал(а):хотел бы узнать. какие еще варианты решения могут быть
Да какие угодно. Была бы поставлена задача, а решить всегда можно. Можно на блокировочных реле. А можно с использованием диммера "Агат-К-300", но только с обычными лампами или галогенками на 220В и некоторыми типами светодиодных(от внутренней схемы зависит), ибо фиг его знает, как другие себя поведут.
mailar писал(а):- три в ряд подразетника вряд ли поместятся
Ну вот

Я весь мозг тут сломал, а у него не получится. Продумывать надо всё заранее. Тут любому ясно, что обычный 3-х клавишник в гостиной не пойдет. Чем проектировщик думал?
Re: Схема двухклавишного переключателя c трех мест

Добавлено:
09 сен 2012, 19:13
mailar
slavapril писал(а):Да какие угодно. Была бы поставлена задача, а решить всегда можно. Можно на блокировочных реле. А можно с использованием диммера "Агат-К-300", но только с обычными лампами или галогенками на 220В и некоторыми типами светодиодных(от внутренней схемы зависит), ибо фиг его знает, как другие себя поведут.
Ну вот Я весь мозг тут сломал, а у него не получится. Продумывать надо всё заранее. Тут любому ясно, что обычный 3-х клавишник в гостиной не пойдет. Чем проектировщик думал?
slavapril не гневтесь

) ваши ответы были более чем совет, завтра все решиться и состоится разговор, возможно измениться место расположения или еще как-то...
на счет диммера - надо будет посмотреть - заказчику проект-то нарисовали, а вот где закупить необходимое оборудование не показали, да и вообще существует ли оно. завтра день думок и нервов, наверно.
з.ы. отпишу, как прошло и что решилось
Re: Схема двухклавишного переключателя c трех мест

Добавлено:
09 сен 2012, 19:20
slavapril
mailar писал(а):необходимое оборудование не показали, да и вообще существует ли оно
Если проект серьезный, а не школьный рисунок, то в спецификации должно быть указано всё оборудование. Но, похоже, это не ваш случай

Re: Схема двухклавишного переключателя c трех мест

Добавлено:
09 сен 2012, 19:26
mailar
slavapril писал(а):Если проект серьезный, а не школьный рисунок, то в спецификации должно быть указано всё оборудование. Но, похоже, это не ваш случай
Там квартира в перепланировке, 120 кв.мм, полная замена электропроводки под дизайн. Нарисованы светильники, розетки и выключатели (расположение), а как прокладывается проводка и остальные моменты остались на мои плечи. Так сказать, фантазии.
Re: Схема двухклавишного переключателя c трех мест

Добавлено:
09 сен 2012, 22:44
sergey_sav
mailar писал(а):хотел бы узнать. какие еще варианты решения могут быть
Применить кнопки и импульсное реле. Тогда можете управлять светом хоть из десяти мест...
