-
- Объявления
|
Электромонтаж Электромонтажные работы в деревянном доме. www.electric-house.ru |
Местная Конституция | FAQ - Часто задаваемые вопросы | Для новичков! | Реклама на форуме! | Публикация сообщений | Как вставить картинку или файл
Прежде чем задать вопрос, воспользуйтесь поиском - возможно, что такая тема уже есть на форуме. За нарушение правил Ваш вопрос может быть удален без объяснения причин!
-
- Сообщение

Ремонт двигателя электроболгарки и его диагностика
Я пользовался болгаркой и по моей вине в редуктор по смазке попал болтик и вовремя старта она заклинила , она работала в заклинённом состоянии всего 1.5 секунды после чего замолкла , в ней что-то слабо пукнуло и из вентиляционных отверстий вышло немножко дама (чуть-чуть) после чего она перестала подавать какие либо признаки жизни ...
Я ее разобрал снял таблетку , пусковое реле , статор и ротор - прозвонил ротор на обрыв (обрыва не обнаружил, межвитковое замыкание я исключил потому что она бы тогда догорела, но во время пуска болгарки этого не случилось ...
Вопрос состоит в том как должен прозваниваться ротор на обрыв? (на коллекторе)
Я прозванивал через коллектор и каждый контакт прозванивался со всеми остальными , скажите - так и должно быть или они должны прозваниваться через один?
Балгарка без марки в алюминиевом корпусе, очень мощная , но очень древняя - ей лет наверное больше чем моиму папе, а ему 50...
В сервисном центре мне не смогли ответить зачем в балгарке пусковое реле , поэтому хотел бы спросить у вас .
И еще на корпусе статора какая-то пластина прикручена металлическая и от нее идет 2 провода к пусковому реле , я тоже не могу понять для чего нужна эта пластина...
Причина: Орфография...
-
- Сообщение
Ремонт двигателя электроболгарки и его диагностика
-
- Сообщение
- haramamburu





- Инженер

- Прогресс звания:
-
- Заслуженная репутация: 16 +9 / -2


Ремонт двигателя электроболгарки и его диагностика
xlebyss писал(а):И еще на корпусе статора какаято пластина прекручена металическая и отнее идет 2 провода к пусковому реле , я тоже немагу панять для чего нужна эта пластина...
Фото кидайте - посмотрим.
-
- Сообщение
Ремонт двигателя электроболгарки и его диагностика
xlebyss писал(а):каждый контакт прозванивался со всеми остальными , скажите - так и должно быть или они должны прозваниваться через один ?
На каждую пару пластин (ламелей) коллектора(ротора)распаяна отдельная обмотка. Они все одинаковые. Так что каждый контакт будет прозваниваться с остальными. И при измерении омметром любые две смежные пластины должны показывать одно и то же сопротивление. Если это не так - в топку.
Межвитковое замыкание хоть статора хоть ротора можно проверить любым самодельным генератором, собранным по схеме специально для данного измерения. Омметр не увидит разницы при наличии 2-х...3-х замкнутых витков.
За себя по моей практике работы с двигателями коллекторного типа (бытовыми дрелями, миксерами и т.д., двигателями производственного назначения)скажу следующее: при перегрузках, например, при заклинивании выходит в первую очередь из строя статор, коллектор остается цел, если вовремя заметить. А при загрязнении коллектора(якоря), если не следить, он может выйти из строя. Хотя у машинок бытового назначения узел коллектора хорошо отшлифован, а щетки довольно износостойки, поэтому чистка может десятилетиями не потребоваться.
Раньше я завидовал тем, кто получал больше меня. Теперь я завидую тем, кто ходит на работу с удовольствием
-
- Сообщение
Ремонт двигателя электроболгарки и его диагностика
Вопрос: я проверил на обрыв и ротор и статор - всё показало на то что его нету, должна ли болгарка подавать какие либо признаки жизни (гудеть, греться, догореть )?
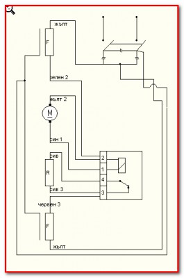
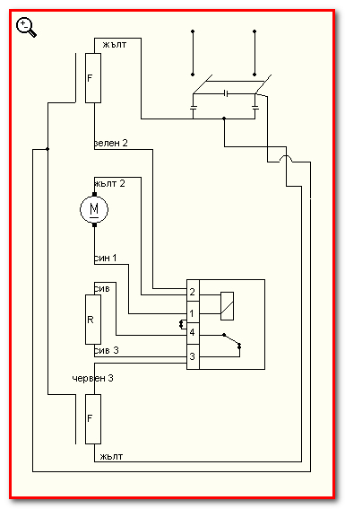
Вот нашел схему.
-
- Сообщение
Ремонт двигателя электроболгарки и его диагностика
Раньше я завидовал тем, кто получал больше меня. Теперь я завидую тем, кто ходит на работу с удовольствием
-
- Сообщение
Ремонт двигателя электроболгарки и его диагностика
на работе мне электрики говарили что они спалили в своое время балгарок 10 и у всех летел ротор ...
Ну чего не пишите то ? высказывайте все что думаете , есть у кого предположение ???...
я чуть позже выкину фото деталей...,есть там одна накладка по поводу металлпластины на статоре ...
-
- Сообщение
Ремонт двигателя электроболгарки и его диагностика
-
- Сообщение
- haramamburu





- Инженер

- Прогресс звания:
-
- Заслуженная репутация: 16 +9 / -2


Ремонт двигателя электроболгарки и его диагностика
xlebyss писал(а):Ну чего не пишите то ?
А че писать то? Фото со 2 го поста просят, а их как не было так и нет.
-
- Сообщение
Ремонт двигателя электроболгарки и его диагностика
ПОЛНОСТЬЮ СО ВСЕМ РАЗОБРАЛСЯ, - пластина которая крепилась к статору это был предохранитель , он и полетел , в принцепе за полторы секунды кроме него не чего и полететь немогло как не крути !
УМЕЛИ РУССКИЕ РАНЬШЕ НА ВЕКА ДЕЛАТЬ ВСЕ....(Продуманые однако), а счас балгарку купиш-поломается и выкинеш ..., а все китайци мать их , на всем икономят ! Так что несоветую надеяться на бош и макиту , они рассчитаны максимум на 20 минут непрерывной работы иначе , стопудово ченить политит !
А фотку если хотите выложу , подетальную.
-
- Сообщение
Ремонт двигателя электроболгарки и его диагностика
-
- Сообщение
Ремонт двигателя электроболгарки и его диагностика

как в документе на балгарку так и тут
-
- Сообщение
Ремонт двигателя электроболгарки и его диагностика
-
- Сообщение
Ремонт двигателя электроболгарки и его диагностика
Чито скажите ?
-
- Сообщение
- electrician



- Член клуба

- Электрик

- Прогресс звания:
-
- Заслуженная репутация: 3 +1 / -0

Ремонт двигателя электроболгарки и его диагностика
xlebyss писал(а):вот еще вопрос , по этой схеме у меня выходит так что "R" это статор , я правельно мыслю ??? и М это щетки ..., уж настолько подозрительная пластина, и написано на ней 3 ома , обычно же на предохранителях пишут амперы а не омы ...
Чито скажите ?
На схеме видно что R это резистор,шунтируемый контактами реле.Думаю что в паре с реле резистор служит для снижения токов при пуске и при перегрузках.Возможно благодаря этому резистору болгарка прослужила так долго.
-
- Сообщение
Ремонт двигателя электроболгарки и его диагностика

-
- Сообщение
- electrician



- Член клуба

- Электрик

- Прогресс звания:
-
- Заслуженная репутация: 3 +1 / -0

Ремонт двигателя электроболгарки и его диагностика
xlebyss писал(а):ну не знаю , я када разбирал никакого резистора ненашол , а подключено было так что по схеме резистор это статор , веть если был бы это резистор , то где тогда статор на схеме ?
F на схеме, полагаю, и являются обмотками статора.
-
- Сообщение
Ремонт двигателя электроболгарки и его диагностика
-
- Сообщение
Ремонт двигателя электроболгарки и его диагностика
только я непонимаю точно как эта система работает , у меня версия что резистор с реле для защиты от нагрузки при пуске , но мне человек сказал что возможно это для безобасности после выключения инструмента для снятия остаточного наряжени , опишите как происходит пуск ? ну судя по тому что все обмотки прозваниваются , обрыв всетаки на резисторе, на резисторе написано 3 ома , я мерил мультиметром -показывает 1 ом, померил цешкой советской та вообще нипоказывает нечего...
без резистора проверять нестану там много мароки чтоб собрать ее -паять нада , но уверен что заработает все... там сложность в том что таб все провода черные а белых два тока на резисторе....
-
- Сообщение
- electrician



- Член клуба

- Электрик

- Прогресс звания:
-
- Заслуженная репутация: 3 +1 / -0

Ремонт двигателя электроболгарки и его диагностика
А по поводу остаточного напряжения - бред,не в чем ему там накапливаться.
-
- Ссылки на тему
| Ссылка: | |
| BBcode: | |
| HTML: |
-
- Похожие темы
- Ответы
- Просмотры
- Последнее сообщение
-
-
Ремонт шуруповёрта интерскол модель ДА-12ЭР-01 нужен совет
LIKHAC в форуме Электроинструмент, КИП - 5
- 4453
-
LIKHAC
25 янв 2011, 22:14
-
Ремонт шуруповёрта интерскол модель ДА-12ЭР-01 нужен совет
-
-
Капитальный ремонт внутридомовой электрической сети
нина михайловна в форуме Техническая документация по электрике - 5
- 569
-
нина михайловна
16 авг 2013, 09:18
-
Капитальный ремонт внутридомовой электрической сети
-
-
Ремонт дугостаторного пресса ФБ1732
Электронщик в форуме Электрооборудование, электротехника - 6
- 309
-
Фёдорович
22 янв 2014, 22:42
-
Ремонт дугостаторного пресса ФБ1732
-
-
Ремонт Контроллера электромагнитного замка ТС-1
1, 2 ferakos в форуме Слаботочка - 21
- 677
-
lyuto
18 фев 2014, 14:07
-
Ремонт Контроллера электромагнитного замка ТС-1
-
-
Монтаж и ремонт кабельных линий
electrohoz в форуме Библиотека электрика - 0
- 172
-
electrohoz
28 мар 2014, 16:28
-
Монтаж и ремонт кабельных линий
-
- Объявления
Вернуться в Электроинструмент, КИП
Кто на форуме
Всего посетителей: 1, из них зарегистрированных: 0, скрытых: 0 и гостей: 1 (основано на активности пользователей за последние 10 минут)
Больше всего посетителей (279) здесь было 04 сен 2013, 15:45
Сейчас эту тему просматривают: нет зарегистрированных пользователей и гости 1
Права доступа
Вы не можете начинать темы
Вы не можете отвечать на сообщения
Вы не можете редактировать свои сообщения
Вы не можете удалять свои сообщения
Вы не можете добавлять вложения
Легенда
| Новые сообщения | Нет новых сообщений | Форум закрыт | |||
| Подфорум Новые сообщения | Подфорум Нет новых сообщений | Ссылка на форум |
-
- Объявления
|
phpBB® Forum Software © phpBB Group
Русская поддержка phpBB Связь с администрацией Администраторский раздел |
|


Загрузка. Подождите...



























