-
- Объявления
|
Электромонтаж Электромонтажные работы в деревянном доме. www.electric-house.ru |
Местная Конституция | FAQ - Часто задаваемые вопросы | Для новичков! | Реклама на форуме! | Публикация сообщений | Как вставить картинку или файл
Прежде чем задать вопрос, воспользуйтесь поиском - возможно, что такая тема уже есть на форуме. За нарушение правил Ваш вопрос может быть удален без объяснения причин!
-
- Сообщение
-
Виктор / Автор темы






- Участник

- Прогресс звания:
-
- Заслуженная репутация: 0 +0 / -0

Сгорело несколько светильников и кондиционеров
Такая схема вообще могла работать?
-
- Сообщение
-
миш







- Почётный член клуба

- Старший энергетик

- Прогресс звания:
-
- Заслуженная репутация: 82 +21 / -0









Сгорело несколько светильников и кондиционеров
-
- Сообщение
-
Виктор / Автор темы






- Участник

- Прогресс звания:
-
- Заслуженная репутация: 0 +0 / -0

Сгорело несколько светильников и кондиционеров
Не складывается у меня задачка...
-
- Сообщение
-
миш







- Почётный член клуба

- Старший энергетик

- Прогресс звания:
-
- Заслуженная репутация: 82 +21 / -0









Сгорело несколько светильников и кондиционеров
-
- Сообщение
-
Виктор / Автор темы






- Участник

- Прогресс звания:
-
- Заслуженная репутация: 0 +0 / -0

Сгорело несколько светильников и кондиционеров
-
- Сообщение
-
sakrej






- Стажёр

- Прогресс звания:
-
- Заслуженная репутация: 0 +0 / -0

Сгорело несколько светильников и кондиционеров
-
- Сообщение
-
Виктор / Автор темы






- Участник

- Прогресс звания:
-
- Заслуженная репутация: 0 +0 / -0

Сгорело несколько светильников и кондиционеров
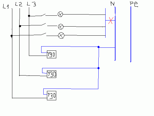
- Вложения
-

- Сгорело несколько светильников и кондиционеров - 1
(4.52 КБ) Просмотров: 4614
-
- Сообщение
-
kokoko






- Бригадир

- Прогресс звания:
-
- Заслуженная репутация: 0 +0 / -0

Сгорело несколько светильников и кондиционеров
Как именно она работает - нужно целое исследование...
Проще сделать всё как надо!
-
- Сообщение
-
sergey_sav








- Лидер тех. поддержки

- Технический директор

- Прогресс звания:
-
- Заслуженная репутация: 161 +50 / -0

















Сгорело несколько светильников и кондиционеров
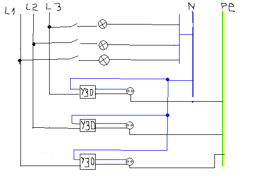
- Вложения
-

- Сгорело несколько светильников и кондиционеров - Безымянный
(5.74 КБ) Просмотров: 4606
Все тематические вопросы и ответы на них только на форуме!
Санк-Петербург. Электромонтажные работы.
-
- Сообщение
-
Виктор / Автор темы






- Участник

- Прогресс звания:
-
- Заслуженная репутация: 0 +0 / -0

Сгорело несколько светильников и кондиционеров
-
- Сообщение
-
Виктор / Автор темы






- Участник

- Прогресс звания:
-
- Заслуженная репутация: 0 +0 / -0

Сгорело несколько светильников и кондиционеров
-
- Сообщение
-
kokoko






- Бригадир

- Прогресс звания:
-
- Заслуженная репутация: 0 +0 / -0

Сгорело несколько светильников и кондиционеров
Виктор писал(а):Но вопрос остается - могло ли это работать год?
Всё могло быть!
Электрика - штука загадошная....
У моего бывшего ген. директора в кабинете строители вешали подвесной потолок и, видимо, пробили в стене кабель. У директора несколько лет над головой висел потолок под напряжением 220 В!
И ничего, никто, даже электрики не заметили!
Заметили строители, когда этажом выше стали заливать полы раствором!

-
- Сообщение
-
миш







- Почётный член клуба

- Старший энергетик

- Прогресс звания:
-
- Заслуженная репутация: 82 +21 / -0









Сгорело несколько светильников и кондиционеров
-
- Сообщение
-
sergey_sav








- Лидер тех. поддержки

- Технический директор

- Прогресс звания:
-
- Заслуженная репутация: 161 +50 / -0

















Сгорело несколько светильников и кондиционеров
миш писал(а):...но сюда нехватает одной перемычки. междуN и РЕ...
Все тематические вопросы и ответы на них только на форуме!
Санк-Петербург. Электромонтажные работы.
-
- Сообщение
-
миш







- Почётный член клуба

- Старший энергетик

- Прогресс звания:
-
- Заслуженная репутация: 82 +21 / -0









Сгорело несколько светильников и кондиционеров
-
- Сообщение
-
Виктор / Автор темы






- Участник

- Прогресс звания:
-
- Заслуженная репутация: 0 +0 / -0

Сгорело несколько светильников и кондиционеров
-
- Сообщение
-
Виктор / Автор темы






- Участник

- Прогресс звания:
-
- Заслуженная репутация: 0 +0 / -0

Сгорело несколько светильников и кондиционеров
kokoko писал(а):Виктор писал(а):Но вопрос остается - могло ли это работать год?
Всё могло быть!
Электрика - штука загадошная....
У моего бывшего ген. директора в кабинете строители вешали подвесной потолок и, видимо, пробили в стене кабель. У директора несколько лет над головой висел потолок под напряжением 220 В!
И ничего, никто, даже электрики не заметили!
Заметили строители, когда этажом выше стали заливать полы раствором!
всякие чудеса встречаются - понятно, но все равно в раздумьях...
Почему год? почему в одном или двух кабинетах? полного понимания не хватает.
-
- Сообщение
-
- Сообщение
-
Виктор / Автор темы






- Участник

- Прогресс звания:
-
- Заслуженная репутация: 0 +0 / -0

Сгорело несколько светильников и кондиционеров
миш писал(а):как вы это проверили.
Полтора года все это руками крутил, по десять раз проверял. Видать маловато. Остается еще вариант стороннего воздействия, но маловероятен.
-
- Ссылки на тему
| Ссылка: | |
| BBcode: | |
| HTML: |
-
- Похожие темы
- Ответы
- Просмотры
- Последнее сообщение
-
-
блок питания для светодиодных светильников
Толян в форуме Электрооборудование, электротехника - 3
- 683
-
Толян
20 ноя 2010, 22:09
-
блок питания для светодиодных светильников
-
-
Монтаж светильников ЛВО в потолок Армстронг
EgoRUS в форуме Электрооборудование, электротехника - 12
- 1736
-
Anatoliy
04 апр 2013, 00:22
-
Монтаж светильников ЛВО в потолок Армстронг
-
-
Как правильно расчитать кол-во светильников в помещении!?
trampampam в форуме Электроустановочные изделия - 3
- 6396
-
Anatoliy
14 янв 2010, 00:36
-
Как правильно расчитать кол-во светильников в помещении!?
-
-
Подключение галогенных точечных светильников
Gorbunkov_01 в форуме Электроустановочные изделия - 9
- 2105
-
slavapril
10 апр 2011, 09:32
-
Подключение галогенных точечных светильников
-
-
При включении светильников выбивает автомат?
Andeymos в форуме Электроустановочные изделия - 5
- 406
-
sergey_sav
22 фев 2011, 00:51
-
При включении светильников выбивает автомат?
-
- Объявления
Вернуться в Электромонтаж в нежилых помещениях
Кто на форуме
Всего посетителей: 1, из них зарегистрированных: 1, скрытых: 0 и гостей: 0 (основано на активности пользователей за последние 10 минут)
Больше всего посетителей (279) здесь было 04 сен 2013, 16:45
Сейчас эту тему просматривают: archive.org_bot и гости 0
-
- Объявления
|


Загрузка. Подождите...

















