Устройство защитного отключения (УЗО)
Местная Конституция | FAQ - Часто задаваемые вопросы | Для новичков! | Реклама на форуме! | Публикация сообщений | Как вставить картинку или файл
Помните, поблагодарить автора за интересное сообщение, вы можете - нажав
или повысить его репутацию - нажав
в сообщении.Прежде чем задать вопрос, воспользуйтесь поиском - возможно, что такая тема уже есть на форуме. За нарушение правил Ваш вопрос может быть удален без объяснения причин!
Как вступить в "Клуб электриков" и стать VIP-пользователем?
Устройство защитного отключения (УЗО)
Что же такое устройство защитного отключения, для чего оно нужно, как правильно выполнить его электромонтаж
(далее для краткости мы будем называть его как принято в литературе – УЗО).
Все УЗО используются с одной важной целью – для защиты человека от поражения электрическим током при возникновении неисправности электрооборудования и отключения подачи энергии при непреднамеренном контакте человека с открытыми токопроводящими частями электроустановок во время утечки тока. Предохранит УЗО и от возгорания электропроводки при замыкании на корпус или на землю.
Кроме УЗО для защиты используют также дифференциальные автоматы, которые объединяют в своем конструктиве одновременно УЗО и автоматический выключатель, что, конечно, экономит место при электромонтаже в силовых и распределительных щитах, но может обойтись значительно дороже. Впрочем, к дифференциальным автоматам (или дифавтоматам) мы вернемся несколько позже.
Итак – УЗО. Что же это такое с точки зрения схемотехники? В принципе это просто быстродействующий выключатель. Принцип его работы основан на реакции датчика тока на изменение дифференциального тока в проводниках, по которым электроэнергия подается на электроустановку, для которой организована защита.
В качестве датчика тока используют дифференциальный трансформатор тока, намотанный на тороидальном сердечнике. Пороговый элемент, который определяет при каком токе будет срабатывать УЗО, делают, как правило, на магнитоэлектрическом реле с высокой чувствительностью.
Релейные конструкции проверены временем и являются очень надежными. Однако в настоящее время появились и электронные УЗО, в которых роль порогового элемента отведена специальной электронной схеме. Реле приводит в действие исполнительный механизм, который собственно и разрывает электрическую цепь. Такой механизм представляет собой контактную группу, рассчитанную на максимально указанный в паспорте на УЗО ток, и пружинный привод, разрывающий цепь в случае внештатной ситуации.
Для тестирования исправности УЗО в его составе обычно имеется специальная цепь, которая искусственно создает утечку тока для срабатывания устройства, благодаря чему можно выполнять периодический контроль его исправности без вызова специалистов электролаборатории для проведения периодических электроизмерений.
Работает УЗО следующим образом:
При нормальной работе системы электроснабжения и, следовательно, отсутствии утечки, рабочий ток, протекая через включенные встречно первичные обмотки трансформатора (которые соединены с прямым и обратным проводниками, ведущими к нагрузке), наводит встречно направленные магнитные потоки, одинаковые по величине. Их взаимодействие приводит к тому, что ток вторичной обмотки практически равен нулю и пороговый элемент не срабатывает.
При возникновении внештатной ситуации – появлении утечки тока или при прикосновении человека к токоведущим частям во время утечки тока (по сути, возникновение той же утечки через тело человека) баланс токов в первичных обмотках трансформатора будет нарушен, что вызовет появление тока во вторичной обмотке.
В свою очередь, наведенный во вторичной обмотке ток приведет к срабатыванию порогового элемента и приведению в действие исполнительного механизма. Этот механизм вызывает обесточивание контролируемой цепи.
УЗО, изнутри:
Корпус, обозначенный (1) делают из стойкой к возгоранию пластмассы, обычно на нем смонтированы замки (2) для установки на DIN рейку щитка. Датчик наличия дифференциального тока – трансформатор тока (3), сигнал с которого поступает на электромагнитное реле (4) управляющее токовым расцепителем (5). Для снижения возможности возникновения электроразрядной дуги устанавливают дугогасительные камеры (6). Электромонтаж осуществляется через качественные зажимы из посеребренной меди и стали(7).
Классификация и типы УЗО
Сегодня наиболее перспективной признается система заземления «ТNS». В соответствии с ПУЭ-7, электропитание электроприёмников должно выполняться от электросети 380\220 В с системой заземления «TN-S» или «TN-C-S».
Но следует четко представлять, что электробезопасность в этих системах заземления обеспечивается не ими самими, а именно наличием УЗО и автоматических выключателей. Если произойдет пробой изоляции на корпус, автоматический выключатель не прореагирует, пока не возникнет достаточно большой ток из-за перегрузки или короткого замыкания. Поэтому, если Вы хотите обеспечить свою безопасность от возможного поражения электрическим током, обязательно следует выполнять электромонтаж устройства защитного отключения.
Однако надо помнить, что УЗО не является панацеей от всех возможных проблем, хотя и значительно увеличивает безопасность эксплуатации электрооборудования.
Если в защищаемой цепи отсутствуют токи утечки, то УЗО не среагирует (например, при коротком замыкании между фазным и нулевым проводом). Не срабатывают такие устройства и в тех случаях, когда человек прикоснется одновременно к фазному и нулевому проводнику. Это происходит по причине того, что с точки зрения протекания тока человеческое тело, это такое же омическое сопротивление, как и любая другая нагрузка.
В связи с этим, для исключения подобных случаев, применяются механические меры защиты: электромонтаж дополнительной изоляции проводника (гофрированная труба), установка кожухов и коробов, ограничение доступа неквалифицированного персонала. В некоторых случаях установка УЗО запрещена, так как отключение жизненно важного оборудования может повлиять на безопасность жизнеобеспечения человека.
УЗО классифицируются по условиям эксплуатации и по их технической реализации. По условиям их использования в электроустановках УЗО подразделяют на типы АС, А, В, S, G.
УЗО типа АС реагируют на переменный дифференциальный ток синусоидальной формы, который либо возникает внезапно, либо медленно возрастает.
УЗО типа А реагирует на переменный дифференциальный ток синусоидальной формы, а также на пульсирующий постоянный ток, возникающий внезапно или медленно возрастающий.
УЗО типа В реагирует на постоянный, переменный и выпрямленный дифференциальный ток.
УЗО типа S – это устройство, имеющее выдержку времени отключения.
УЗО типа G аналогично предыдущему, но имеет меньшую выдержку времени.
По их технической реализации УЗО разделяются на: Электромеханические устройства, которые не зависят от наличия напряжения питания. Работают такие устройства исключительно с контролируемым сигналом и не требуют для своего функционирования дополнительного источника энергии.
Электронные УЗО для обеспечения отключения потребителя нуждаются в дополнительном источнике энергии, которую получают от контролируемой цепи, либо от дополнительного источника.
Такое устройство обычно имеет более низкую надежность, и будет беспрерывно подвергать опасности жизнь человека в случае отсутствия питания, например, из-за обрыва нулевого проводника в цепи до УЗО. При этом такое электронное устройство перестанет работать, а фазный потенциал, опасный для жизни, будет по-прежнему поступать на электроустановку. Некомпетентный человек при этом может потерять бдительность и даже может попробовать самостоятельно устранить неисправность, например, открыв электрощит и проверив контакты. Попадание под фазный потенциал и поражающее действие электрического тока в такой ситуации практически неизбежно.
Таким образом, рассмотрев все факторы, которые влияют на обеспечение безопасности потребителя, к применению в электроустановках и электрощитах, в первую очередь, следует рекомендовать электромеханические УЗО, как устройства, обеспечивающие более надежную защиту.
Что требуется учесть при электромонтаже УЗО.
Прежде чем приобрести УЗО, нужно заранее четко определить максимальные нагрузки в групповых линиях. Необходимо учитывать величину дифференциального тока, при котором произойдет срабатывание устройства защитного отключения, так например, в особо опасных помещениях, с влажной средой (бани, сауны, санитарные комнаты, ванные комнаты) величина дифференциального тока должна быть не более 30 мА. Также необходимо определиться с типом УЗО.
УЗО типа АС реагируют на переменный дифференциальный ток синусоидальной формы, который либо возникает внезапно, либо медленно возрастает.
УЗО типа А реагирует на переменный дифференциальный ток синусоидальной формы, а также на пульсирующий постоянный ток, возникающий внезапно или медленно возрастающий.
УЗО типа В реагирует на постоянный, переменный и выпрямленный дифференциальный ток.
УЗО типа S – это устройство, имеющее выдержку времени отключения.
УЗО типа G аналогично предыдущему, но имеет меньшую выдержку времени.
К примеру, электромеханическое УЗО типа А стоит дороже, однако обеспечивает гораздо более надежную защиту.
В медицинских учреждениях, в соответствии с защитными мерами электробезопасности, следует применять УЗО типа А или В. Основную информацию о типе, номинальном и дифференциальном токе можно прочесть на корпусе устройства защитного отключения.
Существует также довольно широкий класс УЗО, которые устанавливаются на место уже существующей розетки либо подсоединяются к ней, а затем уже в них включают электроприборы.
Важно знать и то, что кроме качественных УЗО известных брендов на рынке имеется куча подделок с привлекательным видом и отвратительными техническими характеристиками. Применение их НЕДОПУСТИМО ни в коем случае. Поэтому при покупке внимательно проверьте сопроводительную документацию и сертификаты: пожарной безопасности и соответствия.
Если вы определились с устройством защитного отключения и начали вести электромонтаж в распределительном щите вашего дома или квартиры, помните прописную истину: электромонтаж должен выполняться только опытными специалистами, прошедшими аттестацию по электробезопасности и имеющие не менее 4 группы допуска по электробезопасности.
Электромонтаж УЗО в старой двухпроводной системе, которая до сих пор имеется в большинстве старых домов, БЕСПОЛЕЗЕН. Более того, такая система не соответствует требованиям ПУЭ. Поэтому в первую очередь в вашем доме должна быть оборудована система заземления TN-S или TN-C-S, то есть трех или пяти- проводная кабельная линия.
УЗО устанавливают в местах, наиболее удобных для его последующей эксплуатации. Это может быть распределительный шкаф, силовой щит, щит освещения и т.п. Электромонтаж УЗО нужно выполнять следующим образом:
1.На каждую отдельную кабельную линию ставится одно УЗО.
2.На кабельной линии с особо опасными потребителями электроэнергии (стиральная машина, теплый пол, посудомоечная машина, розетки в санузле) ставится обязательно отдельное УЗО для каждого потребителя.
Для более точного расчета количества УЗО, необходимых для установки в вашем распределительном щите, рекомендуем обратиться к квалифицированным специалистам, которые помогут выполнить необходимые расчеты и изготовят проект электроснабжения.
Какие ошибки могут произойти при электромонтаже УЗО? Наиболее распространенные ошибки при выполнении электромонтажных работ:
1.Нагрузка подключена к нулевому проводу до УЗО;
2.Между нулевыми рабочими проводниками двух разных УЗО имеется перемычка;
3.Нагрузка подключена к нулевому проводу другого УЗО (ток нагрузки при таком подключении окажется дифференциальным для обоих УЗО и одно или оба сработают).
После выполнения всех электромонтажных работ, необходимо протестировать УЗО нажатием кнопки «Тест», расположенной на корпусе УЗО. Эту процедуру требуется повторять не реже 1 раза в три месяца.
До ввода электроустановки (распределительный щит, квартирный щит, силовой щит) в эксплуатацию требуется произвести замеры и испытание выключателей автоматических управляемых дифференциальным током (УЗО), что позволит убедиться в качестве и надежности аппарата защиты.
Селективность работы УЗО.
Для обеспечения селективной работы нескольких УЗО в радиальных схемах электроснабжения необходимо учитывать следующие факторы. В силу очень высокого быстродействия УЗО практически невозможно обеспечить селективность действия УЗО по току утечки при значениях уставок на соседних ступенях защиты, например, 10 и 30 мА, или 30 и 100 мА.
Необходимо также учитывать, что на практике утечка тока в электроустановке вовсе не обязательно плавно увеличивается по мере старения изоляции, появления мелких дефектов и т.д. Возможны пробой изоляции или ее серьезное повреждение, когда ток утечки мгновенно достигает значения, превышающего уставки устройств на обеих ступенях защиты. Логично, что в этих случаях возможно срабатывание любого из УЗО, установленных последовательно в цепи. Селективность работы УЗО может быть обеспечена применением модификаций УЗО с задержкой срабатывания (УЗО с индексами «S» или «G»).
УЗО с индексом «S» имеют выдержку времени от 0,13 до 0,5 с, с индексом «G» — меньшую выдержку. Важно учесть, что УЗО, работающие с выдержкой по времени, находятся более долгое время под воздействием экстремальных токов, поэтому к ним предъявляются повышенные требования по условному току короткого замыкания Inc, термической и динамической стойкости, коммутационной способности и т.д.
На рис. 1. приведены времятоковые характеристики УЗО без выдержки времени с номинальным отключающим дифференциальным током IΔn= 30 мА и УЗО с выдержкой времени (характеристика «S») с номинальным отключающим дифференциальным током IΔn = 300 мА. Во Франции широко практикуется применение селективных УЗО как весьма эффективное противопожарное мероприятие. На главном вводе в распределительном щите электроустановки, как правило, устанавливают УЗО противопожарного назначения типа «S» с номинальным отключающим дифференциальным током 300 или 500 мА.
Времятоковые характеристики УЗО
Рис. 1. Времятоковые характеристики УЗО А — характеристика УЗО типа «S», IΔn=300 мА; Б — характеристика УЗО общего применения, IΔn=30 мА
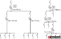
Характеристики, представленные на риc. 1, иллюстрируют принцип селективности работы УЗО обычного типа в сочетании с УЗО типа «S». Примеры схем с 2-мя и 3-мя уровнями селективности приведены на рис. 2.
Времятоковые характеристики УЗО
Рис. 2. Примеры схем с 2-мя и 3-мя уровнями селективности
В Германии, Австрии устройства с выдержкой времени применяются в меньшей степени, предпочтение отдается радиальным (лучевым) схемам с более чувствительными УЗО, выполняющими как электрозащитные, так и противопожарные функции.
Все тематические вопросы и ответы на них, только на форуме! В личку по электрике не отвечаю
Re: Устройство защитного отключения (УЗО)
electrohoz писал(а):
При нормальной работе системы электроснабжения и, следовательно, отсутствии утечки, рабочий ток, протекая через включенные встречно первичные обмотки трансформатора (которые соединены с прямым и обратным проводниками, ведущими к нагрузке), наводит встречно направленные магнитные потоки, одинаковые по величине.
Иными словами - прямой ток равен обратному.
electrohoz писал(а):
При возникновении внештатной ситуации – появлении утечки тока или при прикосновении человека к токоведущим частям во время утечки тока (по сути, возникновение той же утечки через тело человека) баланс токов в первичных обмотках трансформатора будет нарушен
Т.е.появится ненулевая разность между прямым и обратным током, достаточная для срабатывания устройства.
P.S. на правах дополнения

Все тематические вопросы и ответы на них, только на форуме! В личку по электрике не отвечаю.
Re: Устройство защитного отключения (УЗО)
electrohoz писал(а):
Электромонтаж УЗО в старой двухпроводной системе, которая до сих пор имеется в большинстве старых домов, БЕСПОЛЕЗЕН. Более того, такая система не соответствует требованиям ПУЭ.
Позволю маленькое отклонение или добавление как будет угодно.
Согласно СП-31-110-2003 приложение А
А.1.7 Использование УЗО для объектов действующего жилого фонда с двухпроводными сетями, где электроприемники не имеют защитного заземления, является эффективным средством в части повышения электробезопасности. Срабатывание УЗО при замыкании на корпус в таких сетях происходит только при появлении дифференциального тока, то есть при непосредственном прикосновении к корпусу(соединении с «землей»). В соответствии с этим установка УЗО может быть рекомендована как временная мера повышения безопасности до проведения полной реконструкции. Решение об установке УЗО должно приниматься в каждом конкретном случае после получения объективных данных о состоянии электропроводок и приведения оборудования в исправное состояние.
Личное мнение УЗО ставить надо , оно не повредит. Когда нибудь оно спасет жизнь.
Все тематические вопросы и ответы на них, только на форуме! В личку по электрике не отвечаю.
Re: Устройство защитного отключения (УЗО)
миш писал(а):
Личное мнение УЗО ставить надо , оно не повредит. Когда нибудь оно спасет жизнь.
Миша все верно. Интуиция не подводит, да и ПУЭ об этом говорит.
7.1.72. Если устройство защиты от сверхтока (автоматический выключатель, предохранитель) не обеспечивает время автоматического отключения 0,4 с при номинальном напряжении 220 В из-за низких значений токов короткого замыкания и установка (квартира) не охвачена системой уравнивания потенциалов, установка УЗО является обязательной.
electrohoz писал(а):
1.На каждую отдельную кабельную линию ставится одно УЗО.
Этот пункт не так категоричен
ПУЭ
7.1.79. В групповых сетях, питающих штепсельные розетки, следует применять УЗО с номинальным током срабатывания не более 30 мА.
Допускается присоединение к одному УЗО нескольких групповых линий через отдельные автоматические выключатели (предохранители).
electrohoz писал(а):
Все УЗО используются с одной важной целью – для защиты человека от поражения электрическим током при возникновении неисправности электрооборудования и отключения подачи энергии при непреднамеренном контакте человека с открытыми токопроводящими частями электроустановок во время утечки тока.
ПУЭ
1.7.50. Для защиты от поражения электрическим током в нормальном режиме должны быть применены по отдельности или в сочетании следующие меры защиты от прямого прикосновения:
основная изоляция токоведущих частей;
ограждения и оболочки;
установка барьеров;
размещение вне зоны досягаемости;
применение сверхнизкого (малого) напряжения.
Для дополнительной защиты от прямого прикосновения в электроустановках напряжением до 1 кВ, при наличии требований других глав ПУЭ, следует применять устройства защитного отключения (УЗО) с номинальным отключающим дифференциальным током не более 30 мА.
electrohoz писал(а):
Итак – УЗО. Что же это такое с точки зрения схемотехники? В принципе это просто быстродействующий выключатель.
В первую очередь проверяется время срабатывания автоматического выключателя
1.7.79. В системе TN время автоматического отключения питания не должно превышать значений, указанных в табл. 1.7.1.
Приведенные значения времени отключения считаются достаточными для обеспечения электробезопасности, в том числе в групповых цепях.
Re: Устройство защитного отключения (УЗО)
На каждом УЗО должна быть стойкая маркировка с указанием всех или, при малых размерах, части следующих данных:
1. Наименование или торговый знак (марка) изготовителя.
2. Обозначение типа, номера по каталогу или номера серии.
3. Номинальное напряжение Un.
4. Номинальная частота, если УЗО разработано для частоты, отличной от 50 и (или) 60 Гц.
5. Номинальный ток IΔn.
Для УЗО со встроенной защитой от сверхтоков – номинальный ток в амперах без указания единицы измерения с предшествующим обозначением типа мгновенного расцепления (В, С или D). Например, «В25»: тип мгновенного расцепления — В, номинальный ток — 25 А.
6. Номинальный отключающий дифференциальный ток IΔn.
7. Номинальная включающая и отключающая способность Im.
Для УЗО со встроенной защитой от сверхтоков — номинальная наибольшая коммутационная способность Icn
8. Номинальная включающая и отключающая способность по дифференциальному току IΔm, если она отличается от номинальной включающей и отключающей способности УЗО.
9. Номинальный условный ток короткого замыкания Inc.
10. Степень защиты (только в случае ее отличия от IР20);
11. Символ [S] для устройств типа «S», [G] для устройств типа «G».
12. Указание, что УЗО функционально зависит от напряжения сети, если это имеет место.
13. Обозначение органа управления контрольным устройством кнопки «Тест» буквой «Т».
14. Схема подключения.
15. Рабочая характеристика:
тип «АС» — символ тип АС
тип «А» — символ тим А
Маркировка по п.п. 2, 3, 5, 6, 8, 9, 11, 13, 15 должна быть расположена так, чтобы быть видимой после монтажа УЗО.
Информация об устройстве по п.п. 1, 7, 14 может быть нанесена на боковой или задней поверхности устройства, видимых только до установки изделия.
Информация об устройстве по п.п. 4, 10, 12 должны быть приведены в эксплуатационной документации.
Изготовитель обязан сообщать в техническом паспорте на устройство допустимые значения интеграла Джоуля I²t и пикового тока Ip. Минимальные значения указанных величин рассмотрены в ГОСТ Р 51326.1 (табл.15).
Выводы, предназначенные исключительно для соединения цепи нулевого рабочего проводника, должны быть обозначены буквой «N».
Отключенное положение УЗО должно обозначаться символом «О» (окружностью), включенное положение — символом «I» (короткой вертикальной чертой).
Стандартные значения температуры окружающей среды от -5 до +40°С могут не указываться. Диапазон температур от -25 до + 40°С обозначается символом Диапазон температур.
В последние годы во всем мире в целях автоматизации учета, движения, складирования товара широко применяется маркировка штрих-кодом. Штрих-код стандартизирован и выдается предприятиям – членам Ассоциации ЮНИСКАН/EAN РОССИЯ. В соответствии с государственным стандартом ГОСТ ИСО/МЭК 15420-2001 «управление системой нумерации, осуществляемое EAN и UCC, обеспечивает международную уникальность и согласованность в определении идентификационных кодов, присваиваемых конкретным предметам» (стр. III ГОСТ ИСО/МЭК 15420-2001). В Российской Федерации эти коды присваиваются Ассоциацией ЮНИСКАН/EAN Россия.
Каждому предприятию присвоен международный номер и выдано соответствующее свидетельство. Предприятие — член Ассоциации получает уникальные штриховые коды на свою продукцию, позволяющие идентифицировать изделия.
Наличие штрих-кода на изделии — показатель качества и гарантия исключения фальсификации.
Все тематические вопросы и ответы на них, только на форуме! В личку по электрике не отвечаю
-
ink_elec
- Член клуба

- Бригадир

Re: Устройство защитного отключения (УЗО)
electrohoz писал(а):
УЗО с индексом «S» имеют выдержку времени от 0,13 до 0,5 с...
Как же тогда УЗО S срабатывает за время ~ 0,04 с, согласно
electrohoz писал(а):
Времятоковые характеристики УЗО
Рис. 1. Времятоковые характеристики УЗО А — характеристика УЗО типа «S», IΔn=300 мА; Б — характеристика УЗО общего применения, IΔn=30 мА

-
Строительная доска объявлений
Объявления на нашей доске просматриваются большим количеством посетителей, переходят из рук в руки и всегда имеют хороший отклик.
Рекомендуемый контент
-
-
Устройство защитного отключения Вложения
electrohoz » 04 апр 2014, 18:01 » в форуме Библиотека электрика - 0
- 1429
-
electrohoz
04 апр 2014, 18:01
-
-
-
Как выбрать УЗО (устройство защитного отключения)
socius » 12 янв 2012, 00:59 » в форуме Электромонтаж в квартире - 11
- 927
-
Фёдорович
21 фев 2012, 00:04
-
-
-
Правильный выбор УЗО с током отключения
Андрей777 » 16 ноя 2013, 18:33 » в форуме Электроустановочные изделия - 5
- 414
-
sergey_sav
23 ноя 2013, 18:47
-
-
-
Как избежать отключения при запуске стартёра Вложения
Cosinus1024 » 04 дек 2013, 20:20 » в форуме Автотехника, автоэлектрика - 7
- 1576
-
karib092
03 дек 2014, 22:22
-
-
-
Щит отключения второстепенных цепей нагрузки
klen1202589 » 20 мар 2011, 17:17 » в форуме Электромонтаж в квартире - 5
- 687
-
Anatoliy
21 мар 2011, 02:19
-
Вернуться в «Электроустановочные изделия»
Кто на форуме
Сейчас этот форум просматривают: archive.org_bot и 0 гостей
Загрузка. Подождите...






























