Прежде чем задать вопрос, воспользуйтесь поиском - возможно, что такая тема уже есть на форуме. За нарушение правил Ваш вопрос может быть удален без объяснения причин!
А что тут непонятного? Как известно, каждый счетчик состоит из токовой катушки и катушки напряжения (либо 3-х таковых для 3-х фазного). Соответственно, необходимо на каждую катушку напряжения подать фазу от L1, L2, L3 да еще пропустить каждую из них через катушку тока. Отсюда и точка соединения для каждой из фаз. Вертикальная линия в кружочке - катушка напряжения, горизонтальная - катушка тока. Второй конец всех катушек напряжения объединен, как видно из схемы, с нулем. Второй конец тр-ров тока мало того,что заводится на катушку тока счетчика, так еще и заземляется. Это нужно для предотвращения погрешностей измерения из-за паразитной емкости между измеряемой цепью и землей - это из области ТОЭ. Если интересно, позже могу описать подробнее. Сейчас в гостях у elhouse
Учиться никогда не поздно Раньше я завидовал тем, кто получал больше меня. Теперь я завидую тем, кто ходит на работу с удовольствием
В данном типе исполнения ТТ на токопроводящей шине два отверстия. одно для подключения силового провода, а второе (меньшее)- для подключения коммутационного провода от счётчика.
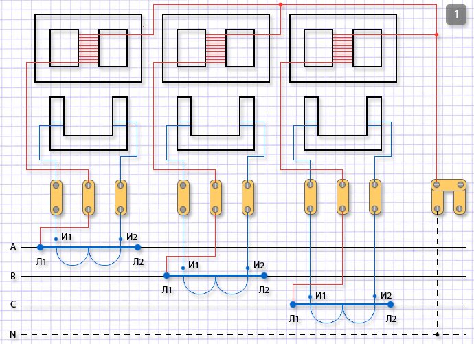
Однофазные и трехфазные счетчики изготавливаются на номинальные токи до 100 А, изготовить приборы на большие номинальные токи затруднительно, так как сечение провода последовательной обмотки получается чрезмерно большим. Кроме того, появляются затруднения при выборе числа витков обмотки, которая в этом случае имеет один или два витка. При больших номинальных токах ампер-витки обмотки могут отличаться от тех, которые выбраны за номинальные при малых токах через обмотку. Это может привести к изменению характеристики счетчика, иногда нежелательному. Например, для счетчика типа СО-2, у которого номинальное количество ампер-витков последовательной обмотки равно 70, при номинальном токе 50 А количество витков может быть выбрано равным 1 или 2. В первом случае номинальное количество ампер-витков будет равным 50, во втором – 100, то есть в обоих случаях мы получим изменение основных характеристик прибора: вращающего момента, нагрузочной кривой. Поэтому при больших номинальных токах, последовательные обмотки счетчиков обычно включают через измерительные трансформаторы тока (ТТ), как это показано на рисунке 1. Такое подключение наиболее часто встречается в сетях до 1 кВ. Параллельные цепи включаются на фазное напряжение сети, а последовательные цепи включаются через ТТ. Последовательная обмотка счетчика при этом рассчитывается на номинальный ток 5А и питается от вторичной обмотки ТТ. Иногда применяют измерительные трансформаторы с номинальным вторичным током 1А, при этом сопротивление нагрузки трансформатора может быть выбрано большим, что позволяет располагать счетчик на значительном расстоянии от трансформатора. Параллельные обмотки счетчиков обычно изготавливают на напряжение до 500 В. При более высоких напряжениях для обмотки параллельной цепи приходится применять провод слишком малого сечения.
Насколько я помню посредством испытательной коробки можно произвести замену счётчика ничего не отключая, поочерёдно переводя контакты в специальных гнёздах на ней. Если интересно поищу и выложу схему. В основном используется при замене 100-В счётчиков по высокой стороне. На КТП при использовании счётчиков 0,4 кВ И2 как правило не заземляют.
116rus писал(а):А для чего нужна испытательная коробка?
Могут придти дядечки с энергосбыта со своим приборчиком, который втыкают в ИКК снизу, откидывают перемычки, испытуют, строчат актики, если необходимо... возвращают всё как было и уходят...
Всего посетителей: 1, из них зарегистрированных: 1, скрытых: 0 и гостей: 0 (основано на активности пользователей за последние 10 минут) Больше всего посетителей (279) здесь было 04 сен 2013, 16:45
Сейчас эту тему просматривают: archive.org_bot и гости 0