-
- Объявления
|
Электромонтаж Электромонтажные работы в деревянном доме. www.electric-house.ru |
Местная Конституция | FAQ - Часто задаваемые вопросы | Для новичков! | Реклама на форуме! | Публикация сообщений | Как вставить картинку или файл
Прежде чем задать вопрос, воспользуйтесь поиском - возможно, что такая тема уже есть на форуме. За нарушение правил Ваш вопрос может быть удален без объяснения причин!
-
- Сообщение
Подключение люстры к двойному выключателю
Хочу подсоединить люстру с 6тью лампами к двойному выключателю. До этого висела люстра с 3мя лампами и работала от 1 выключателя. Провода без маркировок, поэтому все проверил отверткой тестером и запутался...
Сейчас стоит двойной выключатель, но люстра работала от одной кнопки.
Арабскими цифрами отмечено какие выключатели включены, какие выключены.
Да - значит лампочка в тестере горит, нет - не горит.
Римскими цифрами для удобства общения обозначит провода, выходящие из потолка.
Слева на рисунке схема выключателя,, справа провода из потолка.
До этого люстра была подключена через левый выключатель (Л) и к проводам I и III (II просто висел изолированный)
Вопросы:
1. правильно ли подключен выключатель?
2. к какому проводу из потолка подключать общий провод от всех ламп люстры?
3. Если есть желание, то объясните или дайте статью, чтобы я понял, почему ток на двух проводах вообще не зависит от выключателей и лишь на одном зависит.
Хочу разобраться...
Заранее всем спасибо!
Добавлено спустя 11 часов 20 минут 52 секунды:
На свежую голову появились мысли.
1. правильно
2. III - общий провод. Так называемый ноль
3. не знаю. По мое логике на проводе I ( он же тот, что подключен к левому выключателю) ток должен присутствовать только тогда, когда выключатель включен.
-
- Сообщение
Re: Подключение люстры к двойному выключателю
Выключатель собран правильно. С верху приходит фаза. С потолка, на котором всегда нет, общий ноль. Два остальных на лампы. Если не будет гореть - смотрите в коробке не зацепленные две жилы: одна с провода на лампу, другая с провода на выключатель. Надо их прозвонить и соединить вместе. На которых всегда показывает да - один выход с выключателя и на потолке это скорей всего просто наведённое напряжение.
Если на потолке подключить лампочку между левой и правой жилой, потом пощелкать выключателем и лампа гореть не будет - значит на левой жиле наведёнка и она не подключена. Так же в выключателе.
Должно быть так: на двухклавишный выключатель идет трехжильный провод. Фаза приходит сверху и двумя жилами уходит через коробку на лампы. С потолка приходит трехжильный или четырех (если есть заземление ) провод. Фаза с выключателя, через коробку, две жилы на две группы ламп с них на одну общую третью жилу обратно в коробку на ноль. В коробке два провода. Который на выключатель - одна жила на фазу, провод на лампы одна жила на ноль, оставшиеся две жилы на обоих проводах соединяем с одного провода на другой по отдельности.
-
- Сообщение
Re: Подключение люстры к двойному выключателю
1.
Если на потолке подключить лампочку между левой и правой жилой, потом пощелкать выключателем и лампа гореть не будет - значит на левой жиле наведёнка и она не подключена. Так же в выключателе
при этом выключатель не надо пересобирать? Фазу от него отключить?
2.
Один раз помню было странное поведение. Я последнее время использую энергосберегающие лампы. И один раз, когда я вкручивал лампу, она загоралась при выключенном выключателе. Странно, что до этого стояла лампа от того же производителя и той же мощности, но подобного не наблюдал. Вкрутил другую лампу (от другого производителя) - все ок.
Это может быть из-за наведенного тока?
-
- Сообщение
Re: Подключение люстры к двойному выключателю
Надо открыть распред-коробку. Найти провода на люстру, на выключатель, прозвонить их и правильно собрать схему.
Если энергосберегающая лампа мигала при выключенном выключателе, то это дешевая лампа. Питание берется от наведенки, емкостное и др. Заряжается внутри кондер и разряжается через катушку на лампу. Примерно так, но это уже электроника , поэтому точно не скажу. Если лампа горела в полный накал долго, то на ней была полноценная фаза и ноль.
-
- Сообщение
Re: Подключение люстры к двойному выключателю
Получилось.
Подключил на 2 выключателя.
Но проблемы:
1. энергосберегающие лампочки моргают от наведенного напряжения при выключенном выключателе. Это можно как-то исправить?
2. При включенном выключателе присутствует запах от выключателя то ли проводки, то ли изоленты. Причем, по-моему, когда ток идет по проводу, который до этого не использовался. Это нормально? Пройдет или надо как-то изменить? Может быть из-за того, что использовал не черную тряпичную изоленту? Следов горения/плавления/тления пока не замечал
-
- Сообщение
Re: Подключение люстры к двойному выключателю
1. Поменять лампы на нормальные (не всегда помогает).
2. Если выключатель с подсветкой - убрать подсветку или поменять выключатель на нормальный (не всегда помогает).
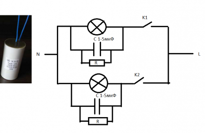
3. Шунтировать лампу, параллельно лампам на входе в люстру поставить сетевой конденсатор, сопротивление.(помогает)
Запах изоленты, ее быть не должно, соедините провод клемником. Запах изоляции бывает от новых проводов. Запах горелой изоляции, изоленты бывает от сильного нагрева, плохого контакта проводов. Когда лампа работает, она должна гореть ровно, посторонних звуков быть не должно. После того как выключатель долго поработает, можно его отключить, разобрать и пощупать не нагрелся -ли провод, не плавится-ли изоляция. Еще когда подгорают контакты или через них разряжается конденсатор светильника (если он там есть) может быть запах озона, но это редко на высоковольтных импульсах. Если выключатель старый то его лучше заменить,тогда будет запах нового выключателя.
-
- Сообщение
Re: Подключение люстры к двойному выключателю
Собрался перенести двухклавишный выключатель на другое место, вытащил старый - там соответственно три провода. Схема подключения как во втором посте данного топика. По идее один из этих проводов должна быть приходящая фаза, а два остальных это уходящие фазы на пятилампочную люстру. Так вот при попытке определить какой из этих проводов фаза выяснилось, что напряжение есть на двух проводах из трех. (До этого старый выключатель работал штатно - каждая кнопка включала и отключала свою группу ламп).
Подключил одну фазу на вход в выключатель, а два оставшихся соответственно на выход и теперь одна первая кнопка не включает ничего, а при включении второй (отдельно) включается одна группа ламп. А при включении второй (с включенной уже первой) горят обе группы.
Можете подсказать где копать?
По мне так нужно лезть в коробку, но может есть еще варианты где можно посмотреть?
-
- Сообщение
- 116rus


- Бригадир

- Прогресс звания:
-
Re: Подключение люстры к двойному выключателю
AirCrew писал(а):Можете подсказать где копать?
вы подключили неправильно выключатель!
Добавлено спустя 10 минут 7 секунд:
AirCrew писал(а):при включении второй
поменяйте местами провода этой клавиши
-
- Сообщение
Re: Подключение люстры к двойному выключателю
116rus писал(а):поменяйте местами провода этой клавиши
поменять местами выходящие провода из выключателя или провод второй кнопки с входящим проводом?
Разве может приходить на выключатель (пусть даже на двухкнопочный) три провода - два из которых фаза?
-
- Сообщение
Re: Подключение люстры к двойному выключателю
AirCrew писал(а):Разве может приходить на выключатель (пусть даже на двухкнопочный) три провода - два из которых фаза?
У вас, наверно, лампы накаливания в люстре? Тогда просто в разрыве у вас не фаза, а ноль. Подключите тот провод, который не вызывает свечение индикатора, на центральный контакт выключателя, а два оставшихся на выходы с клавиш.
Раньше я завидовал тем, кто получал больше меня. Теперь я завидую тем, кто ходит на работу с удовольствием
-
- Сообщение
- 116rus


- Бригадир

- Прогресс звания:
-
Re: Подключение люстры к двойному выключателю
AirCrew писал(а):провод второй кнопки с входящим проводом
да, нарисуйте схему работы выключателя сразу разберетесь
-
- Сообщение
Re: Подключение люстры к двойному выключателю
AirCrew писал(а):... Подключил одну фазу на вход в выключатель, а два оставшихся соответственно на выход и теперь одна первая кнопка не включает ничего, а при включении второй (отдельно) включается одна группа ламп. А при включении второй (с включенной уже первой) горят обе группы ...
- Вложения
-
- Сообщение
- 116rus


- Бригадир

- Прогресс звания:
-
Re: Подключение люстры к двойному выключателю
Topmo3 писал(а):ВЛОЖЕНИЯ
ну как всегда, на самом интересном месте
-
- Сообщение
Re: Подключение люстры к двойному выключателю
116rus писал(а):ну как всегда, на самом интересном месте
... не понятки ... картинку режет в произвольном порядке ... 
А где приведены допускаемые размеры вложений?
-
- Сообщение
Re: Подключение люстры к двойному выключателю
Topmo3 писал(а): допускаемые размеры вложений?
Вообще было 800х600 пикселей.
-
- Сообщение
- 116rus


- Бригадир

- Прогресс звания:
-
Re: Подключение люстры к двойному выключателю
nikola писал(а):Вообще было 800х600 пикселей.
видимо давно это было
-
- Сообщение
Re: Подключение люстры к двойному выключателю
nikola писал(а):Вообще было 800х600 пикселей.
Сейчас установлен мод, которому все равно, какой исходный размер фото. В сообщении должен быть размер, уменьшаемый до ширины 250рх. При нажатии клавишей мышки(увеличит. стекло) максимальный размер будет показан шириною 800рх. Просто ошибка и хватит ее обсуждать. еlhouse приедет и исправит. Хватит кипиш наводить.
Раньше я завидовал тем, кто получал больше меня. Теперь я завидую тем, кто ходит на работу с удовольствием
-
- Ссылки на тему
| Ссылка: | |
| BBcode: | |
| HTML: |
-
- Похожие темы
- Ответы
- Просмотры
- Последнее сообщение
-
-
При замене люстры - провода обломались под корень
DonyPatrony в форуме Электроустановочные изделия - 2
- 863
-
RandoM
06 сен 2010, 10:05
-
При замене люстры - провода обломались под корень
-
-
Освещение: бра, люстры, светильники (фото-отчёт)
ВИТАЛИЙ ЙЙ в форуме Фото/видео отчёты по электромонтажу - 18
- 1284
-
ВИТАЛИЙ ЙЙ
07 мар 2013, 08:57
-
Освещение: бра, люстры, светильники (фото-отчёт)
-
-
Схема подключения люстры двухклавишным выключателем
elhouse в форуме Схемы по электрике - 5
- 8200
-
Sasha_zp
21 янв 2009, 17:52
-
Схема подключения люстры двухклавишным выключателем
-
-
Мигание одной из ламп люстры
red-white19 в форуме Электромонтаж в квартире - 8
- 829
-
FRIM@N
17 янв 2011, 00:24
-
Мигание одной из ламп люстры
-
-
На кронштейне крепления люстры - фаза
Yurec66 в форуме Электромонтаж в квартире - 6
- 556
-
Zhelezyaka
12 июл 2013, 21:46
-
На кронштейне крепления люстры - фаза
-
- Объявления
Вернуться в Электроустановочные изделия
Кто на форуме
Всего посетителей: 1, из них зарегистрированных: 0, скрытых: 0 и гостей: 1 (основано на активности пользователей за последние 10 минут)
Больше всего посетителей (279) здесь было 04 сен 2013, 15:45
Сейчас эту тему просматривают: нет зарегистрированных пользователей и гости 1
Права доступа
Вы не можете начинать темы
Вы не можете отвечать на сообщения
Вы не можете редактировать свои сообщения
Вы не можете удалять свои сообщения
Вы не можете добавлять вложения
Легенда
| Новые сообщения | Нет новых сообщений | Форум закрыт | |||
| Подфорум Новые сообщения | Подфорум Нет новых сообщений | Ссылка на форум |
-
- Объявления
|
phpBB® Forum Software © phpBB Group
Русская поддержка phpBB Связь с администрацией Администраторский раздел |
|


Загрузка. Подождите...

























