Светодиодные лампы мерцают
Местная Конституция | FAQ - Часто задаваемые вопросы | Для новичков! | Реклама на форуме! | Публикация сообщений | Как вставить картинку или файл
Помните, поблагодарить автора за интересное сообщение, вы можете - нажав
или повысить его репутацию - нажав
в сообщении.Прежде чем задать вопрос, воспользуйтесь поиском - возможно, что такая тема уже есть на форуме. За нарушение правил Ваш вопрос может быть удален без объяснения причин!
Как вступить в "Клуб электриков" и стать VIP-пользователем?
-
tatianic
Автор темы - Заглянувший
Светодиодные лампы мерцают
-
Василич
- Энергетик

Re: Светодиодные лампы мерцают
-
tatianic
Автор темы - Заглянувший
Re: Светодиодные лампы мерцают
Мерцает переменка 50 гц. Блочёк можно купить...
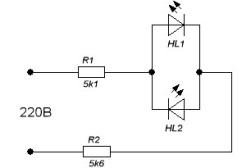
Можно вот так:
Схема содержит минимальное количество деталей: всего 2 светодиода и гасящий резистор. На схеме видно, что светодиоды включены встречно – параллельно. При таком включении каждый из них защищает другой от обратного напряжения, которое у светодиодов невелико, и напряжение сети явно не выдержит. Кроме того такое двойное включение увеличит частоту мерцания светодиодной лампы до 100 Гц, что будет не заметно на глаз и не будет утомлять зрение. Здесь достаточно вспомнить, как в целях экономии подключали через диод обычные лампы накаливания, например, в подъездах. На зрение они действовали весьма неприятно.
- Вложения
-

- Светодиодные лампы мерцают - 1294406877_10.jpg (6.58 КБ) 3444 просмотра

- Светодиодные лампы мерцают - 1294406877_10.jpg
(6.58 КБ) 3444 просмотра
Стабилизаторы напряжения Энергия.
Все тематические вопросы и ответы на них, только на форуме! В личку по электрике не отвечаю.
Re: Светодиодные лампы мерцают
tatianic писал(а):
светодиодные лампы "мерцают"
Где-то тут на форуме в подобном вопросе sergey_sav советовал параллельно питанию лампы установить конденсатор (0,05 - 0,1мкФ) небольшой емкости на соответствующее напряжение. Помнится, автор вопроса попробовал и остался доволен. Тут Для просмотра ссылки необходимо зарегистрироваться! вот пишут, что и такие схемы встречаются.
Все тематические вопросы и ответы на них, только на форуме! В личку по электрике не отвечаю.
Re: Светодиодные лампы мерцают
Первое и последнее сообщение.
Все тематические вопросы и ответы на них только на форуме!
Санк-Петербург. Электромонтажные работы.
-
Строительная доска объявлений
Объявления на нашей доске просматриваются большим количеством посетителей, переходят из рук в руки и всегда имеют хороший отклик.
Рекомендуемый контент
-
-
Синхронно мигают/мерцают светодиодные лампочки в ванне Вложения
Holichnik » 18 дек 2014, 17:44 » в форуме Электроустановочные изделия - 19
- 1132
-
Sergey 31
01 апр 2015, 16:19
-
-
-
Люминисцентные лампы мерцают Вложения
Евгений С » 22 сен 2012, 22:00 » в форуме Электроустановочные изделия - 11
- 476
-
Евгений С
29 сен 2012, 12:03
-
-
- 6
- 14770
-
electrohoz
22 окт 2015, 21:34
-
-
Энергосберегающие светодиодные лампы Вложения
elhouse » 22 мар 2013, 22:23 » в форуме Электроустановочные изделия - 45
- 4462
-
PavelP-y
12 мар 2016, 10:32
-
-
- 8
- 1135
-
ося
13 фев 2011, 19:58
Вернуться в «Электроустановочные изделия»
Кто на форуме
Сейчас этот форум просматривают: archive.org_bot и 0 гостей
Загрузка. Подождите...





















