ФОРУМ ПО ЭЛЕКТРИКЕ И ЭЛЕКТРИЧЕСТВУ


Полная версия ВходРегистрация

ПоискБлагодарностиФото-галерея
Видео электриковFAQ



Пред. тема | След. тема
Страница 1 из 1 [ Сообщений: 6 ]

Начать новую тему Ответить

Версия для печати

Катушка в пускателе двигателя может сгореть?

Катушка в пускателе двигателя может сгореть?

Не в сети - Участник

Профиль 
31 май 2011, 13:12 Сообщение
Всем доброго времени суток!
Возник вопрос: Нужно подключить трехфазный электродвигатель 0.37 кВт к трехфазной сети. Катушка в пускателе рассчитана на 24В. На пульте управления предполагается установить двухпозиционный переключатель с фиксацией. Схема управления электродвигателем - стандартная (пуск - одно положение/ стоп - другое положение переключателя). Так вот вопрос в том, что когда запускаешь двигатель с помощью кнопки "ПУСК" (нормально разомкнутый контакт) - нажал - контакты в кнопке замкнулись, на катушку пошло 24В, сработали контакты в пускателе, двигатель завелся - кнопку "ПУСК" отпустил - контакты, естественно, разомкнулись на кнопке, питание катушки прекращается, двигатель продолжает работать... А если контакты не размыкать? И будет постоянно на катушку подаваться 24В? Пускатель не выйдет из строя?
Ответить с цитатой 


Re: Катушка в пускателе двигателя может сгореть?

Не в сети - Лидер тех. поддержки

Профиль 
31 май 2011, 14:48 Сообщение
Валерич писал(а)
контакты в кнопке замкнулись, на катушку пошло 24В, сработали контакты в пускателе, двигатель завелся - кнопку "ПУСК" отпустил - контакты, естественно, разомкнулись на кнопке, питание катушки прекращается,

Ничего не попутали?... Как правило при отпускании кнопки "Пуск" напряжение на катушку выдаётся через контакты НО пускателя. Самоблокировка, однако.
Ответить с цитатой 


Re: Катушка в пускателе двигателя может сгореть?

Не в сети - Заслуженный Ректор клуба

Профиль  ICQ 
31 май 2011, 21:43 Сообщение
sergey_sav писал(а)
Ничего не попутали?... Как правило при отпускании кнопки "Пуск" напряжение на катушку выдаётся через контакты НО пускателя. Самоблокировка, однако.

Студенты, однако, в наши ряды затесались :))biggrin
Уважаемый, Игорь Валерич! Если вы не знаете управление пускателем с помощью кнопочого поста, то мы вам поясним, вы только намекните! :- Пока двигатель работает - пускатель, однако, под напряжением! -):
Ответить с цитатой 


Re: Катушка в пускателе двигателя может сгореть?

Не в сети - Участник

Профиль 
02 июн 2011, 13:32 Сообщение
slavapril писал(а)
Если вы не знаете управление пускателем с помощью кнопочого поста, то мы вам поясним, вы только намекните!

Действительно - студент, к сожалению в вышке этого не преподают, приходится все самому капать... Как я понял из Вашего пояснения, катушка находится под напряжением (24В в моем случае) постоянно, когда подается на нее напряжение, до момента остановки двигателя... Следовательно, если будет установлен 2-х позиционный переключатель и контакты на "ПУСК" будет постоянно замкнуты, до момента выключения, с пускателем все будет нормально, не выйдет из строя?
Ответить с цитатой 


Re: Катушка в пускателе двигателя может сгореть?

Не в сети - Член клуба

Профиль 
02 июн 2011, 14:25 Сообщение
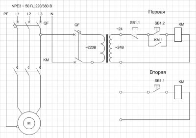
Вот ваша схема
Первая это где ненужно держать кнопку нажатой, есть блокировочный контакт КМ.1 под кнопкой SB1.2
Вторая где нужно, держишь кнопку, двиг работает, отпускаешь, не работает)
:)))

Вложения

Катушка в пускателе двигателя может сгореть? - 02.06
Катушка в пускателе двигателя может сгореть? - 02.06
[ 28.47 КБ | Просмотров: 373 ]


Ответить с цитатой 


Re: Катушка в пускателе двигателя может сгореть?

Не в сети - Участник

Профиль 
02 июн 2011, 14:30 Сообщение
Looking писал(а)
Вот ваша схема

Спасибо огромное, все наглядно понятно
Ответить с цитатой 

Начать новую тему  Ответить
Вернуться к началу


Страница 1 из 1 [ Сообщений: 6 ]
Пред. тема | След. тема

Сейчас эту тему просматривают: нет зарегистрированных пользователей и гости 1






Найти
Перейти
 


Полная версия

Рейтинг-каталог строительных сайтов - Electric House