-
- Объявления
|
Электромонтаж Электромонтажные работы в деревянном доме. www.electric-house.ru |
Местная Конституция | FAQ - Часто задаваемые вопросы | Для новичков! | Реклама на форуме! | Публикация сообщений | Как вставить картинку или файл
Прежде чем задать вопрос, воспользуйтесь поиском - возможно, что такая тема уже есть на форуме. За нарушение правил Ваш вопрос может быть удален без объяснения причин!
-
- Сообщение
-
миха48 / Автор темы




- Участник

- Прогресс звания:
-
- Заслуженная репутация: 0 +0 / -0

Точечные светильники, схема подключения
P.S. Все 9 светильников от одного выключателя...
И еще чуть не забыл: выведен провод на люстру и двухклавишный выключатель, выходит четыре провода, как я понял: две фазы,общий ноль и заземление( правильно ли я понял), и можно ли подключить на одну клавишу люстру а на другую точ.светильники?
-
- Сообщение
-
миш







- Почётный член клуба

- Старший энергетик

- Прогресс звания:
-
- Заслуженная репутация: 82 +21 / -0









Re: точечные светильники, схема подключения
миха48 писал(а):две фазы,общий ноль и заземление(
правильно.
миха48 писал(а):можно ли подключить на одну клавишу люстру а на другую точ.светильники?
можно
миха48 писал(а):выдержит ли всё это провод идущий для подключения люстры?
если сечение позволяет ,то да.вы не сказали какой провод,какой марки.алюминий или медь.транс нужен брать с учетом нагрузки.допустим у вас 9 ламп мощностью 50Вт ,то транс минимум 450Вт.
-
- Сообщение
-
220 V



- Участник

- Прогресс звания:
-
- Заслуженная репутация: 0 +0 / -0

Точечные светильники
-
- Сообщение
-
sergey_sav








- Лидер тех. поддержки

- Технический директор

- Прогресс звания:
-
- Заслуженная репутация: 161 +50 / -0

















Re: Точечные светильники, схема подключения
Все тематические вопросы и ответы на них только на форуме!
Санк-Петербург. Электромонтажные работы.
-
- Сообщение
-
slavapril





- Заслуженный Ректор клуба

- Энергетик

- Прогресс звания:
-
- Заслуженная репутация: 125 +40 / -0













Re: Точечные светильники
Раньше я завидовал тем, кто получал больше меня. Теперь я завидую тем, кто ходит на работу с удовольствием
-
- Сообщение
-
220 V



- Участник

- Прогресс звания:
-
- Заслуженная репутация: 0 +0 / -0

Re: Точечные светильники
-
- Сообщение
-
slavapril





- Заслуженный Ректор клуба

- Энергетик

- Прогресс звания:
-
- Заслуженная репутация: 125 +40 / -0













Re: Точечные светильники
Раньше я завидовал тем, кто получал больше меня. Теперь я завидую тем, кто ходит на работу с удовольствием
-
- Сообщение
-
220 V



- Участник

- Прогресс звания:
-
- Заслуженная репутация: 0 +0 / -0

Re: точечные светильники, схема подключения
Добавлено спустя 14 минут 31 секунду:
Марка РТИ подойдёт для этой задачи?
-
- Сообщение
-
Калямба




- Гуру тех. поддержки

- Мастер

- Прогресс звания:
-
- Заслуженная репутация: 50 +14 / -0






Re: точечные светильники, схема подключения
-
- Сообщение
-
slavapril





- Заслуженный Ректор клуба

- Энергетик

- Прогресс звания:
-
- Заслуженная репутация: 125 +40 / -0













Re: точечные светильники, схема подключения
Калямба писал(а):и огород городить не надо
Ну, да...без огорода здесь не обойтись, но сделать можно...4 импульсных реле и кнопочные выключатели. А если подумать, то и варианты найти...
Раньше я завидовал тем, кто получал больше меня. Теперь я завидую тем, кто ходит на работу с удовольствием
-
- Сообщение
-
slavapril





- Заслуженный Ректор клуба

- Энергетик

- Прогресс звания:
-
- Заслуженная репутация: 125 +40 / -0













Re: точечные светильники, схема подключения
220 V писал(а):А схемку вариантов можете набросать ???
Можно. Только надо заранее учесть, что реле ставятся на DIN-рейку (одно реле = один модуль, как автоматический выключатель)и окунуть голову в поиск кнопочных(без фиксации) выключателей.
Раньше я завидовал тем, кто получал больше меня. Теперь я завидую тем, кто ходит на работу с удовольствием
-
- Сообщение
-
slavapril





- Заслуженный Ректор клуба

- Энергетик

- Прогресс звания:
-
- Заслуженная репутация: 125 +40 / -0













Re: Точечные светильники, схема подключения
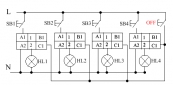
Вам подойдет реле Е261-230 - 4шт. А1 - один их концов питающей катушки, А2 - второй конец катушки, С1 - центральный вход общего выключения, В1 - центральный вход общего включения (у вас по требуемому заданию не нужен). Если подать фазу на все входы В1 - сразу все лампы включатся. Если на С1 - все выключатся(те, что были выключены так и останутся выключенными, а те, что были включены - отключатся).
При первом нажатии на выбранную кнопку SB лампа загорится, при втором - отключится и т.д.
Входы А1, В1, С1 должны использоваться только для одного выбранного потенциала - в данном случае для фазы.
Раньше я завидовал тем, кто получал больше меня. Теперь я завидую тем, кто ходит на работу с удовольствием
-
- Сообщение
-
slavapril





- Заслуженный Ректор клуба

- Энергетик

- Прогресс звания:
-
- Заслуженная репутация: 125 +40 / -0













Re: Точечные светильники, схема подключения
slavapril писал(а):Е261-230
Я даже ошибся. С индексом "С" нужны, т.е. Е261С-230. А стоят дорого. Если за 2500р найдете - считайте повезло. А так 3000-4000р.
Раньше я завидовал тем, кто получал больше меня. Теперь я завидую тем, кто ходит на работу с удовольствием
-
- Сообщение
-
220 V



- Участник

- Прогресс звания:
-
- Заслуженная репутация: 0 +0 / -0

Re: Точечные светильники, схема подключения
Куда дешевле будет поставить 2 штуки РПУ-2-
- Сообщение
-
slavapril





- Заслуженный Ректор клуба

- Энергетик

- Прогресс звания:
-
- Заслуженная репутация: 125 +40 / -0













Re: Точечные светильники, схема подключения
Раньше я завидовал тем, кто получал больше меня. Теперь я завидую тем, кто ходит на работу с удовольствием
-
- Ссылки на тему
| Ссылка: | |
| BBcode: | |
| HTML: |
-
- Похожие темы
- Ответы
- Просмотры
- Последнее сообщение
-
-
СА3У-И670 3х380в 3х5А нужна схема подключения.
IgorIgorev в форуме Учет электроэнергии - 1
- 1622
-
slavapril
13 сен 2014, 21:50
-
СА3У-И670 3х380в 3х5А нужна схема подключения.
-
-
схема подключения трех двухклавишных проходных выключателей
5049452 в форуме Схемы по электрике - 3
- 4529
-
sergey_sav
04 июл 2011, 20:54
-
схема подключения трех двухклавишных проходных выключателей
-
-
Схема подключения реле времени ТЭ 15 к контактору КМИ 10910
Pavel 777 в форуме Схемы по электрике - 6
- 1077
-
slavapril
24 ноя 2014, 22:01
-
Схема подключения реле времени ТЭ 15 к контактору КМИ 10910
-
-
Схема подключения проходного (перекидного) выключателя
elhouse в форуме Схемы по электрике - 0
- 65
-
elhouse
12 мар 2015, 10:08
-
Схема подключения проходного (перекидного) выключателя
-
-
Схема подключения двух бра от одной вилки
Евгения в форуме Вопросы от чайников - 13
- 1239
-
elhouse
25 фев 2011, 12:49
-
Схема подключения двух бра от одной вилки
-
- Объявления
Вернуться в Электроустановочные изделия
Кто на форуме
Всего посетителей: 1, из них зарегистрированных: 1, скрытых: 0 и гостей: 0 (основано на активности пользователей за последние 10 минут)
Больше всего посетителей (279) здесь было 04 сен 2013, 16:45
Сейчас эту тему просматривают: archive.org_bot и гости 0
-
- Объявления
|


Загрузка. Подождите...














