-
- Объявления
|
Электромонтаж Электромонтажные работы в деревянном доме. www.electric-house.ru |
Местная Конституция | FAQ - Часто задаваемые вопросы | Для новичков! | Реклама на форуме! | Публикация сообщений | Как вставить картинку или файл
Прежде чем задать вопрос, воспользуйтесь поиском - возможно, что такая тема уже есть на форуме. За нарушение правил Ваш вопрос может быть удален без объяснения причин!
-
- Сообщение
Подключение люстры по двум проводам.
-
- Сообщение
-
- Сообщение
Подключение люстры по двум проводам.
-
- Сообщение
Подключение люстры по двум проводам.
-
- Сообщение
Подключение люстры по двум проводам.
А для освещения лампой накаливания не годится - для глаз плохо.
Попробуй эн.сбер. может будет нормально.
-
- Сообщение
Подключение люстры по двум проводам.
-
- Сообщение
- sergey_sav








- Лидер тех. поддержки

- Технический директор

- Прогресс звания:
-
- Заслуженная репутация: 161 +50 / -0

















Подключение люстры по двум проводам.
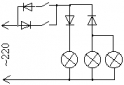
)Когда обломился один из трёх алюмишек к люстре (дааавно это было), применил подобную схему, только без второй пары диодов в люстре. И преспокойненько это отработало некоторое время... При первом любом включении вся люстра в пол накала, при обеих включенных клавишах - в полный накал.
Всякой схеме своё время и место, поэтому и предлагаются подобные схемы.
Криминала нет.
Все тематические вопросы и ответы на них только на форуме!
Санк-Петербург. Электромонтажные работы.
-
- Сообщение
Подключение люстры по двум проводам.
-
- Сообщение
- sergey_sav








- Лидер тех. поддержки

- Технический директор

- Прогресс звания:
-
- Заслуженная репутация: 161 +50 / -0

















Подключение люстры по двум проводам.
Все тематические вопросы и ответы на них только на форуме!
Санк-Петербург. Электромонтажные работы.
-
- Сообщение
Подключение люстры по двум проводам.
-
- Сообщение
-
- Сообщение
Подключение люстры по двум проводам.
-
- Сообщение
Подключение люстры по двум проводам.
-
- Сообщение
-
- Ссылки на тему
| Ссылка: | |
| BBcode: | |
| HTML: |
-
- Похожие темы
- Ответы
- Просмотры
- Последнее сообщение
-
-
При замене люстры - провода обломались под корень
DonyPatrony в форуме Электроустановочные изделия - 2
- 884
-
RandoM
06 сен 2010, 10:05
-
При замене люстры - провода обломались под корень
-
-
Освещение: бра, люстры, светильники (фото-отчёт)
ВИТАЛИЙ ЙЙ в форуме Фото/видео отчёты по электромонтажу - 18
- 1317
-
ВИТАЛИЙ ЙЙ
07 мар 2013, 08:57
-
Освещение: бра, люстры, светильники (фото-отчёт)
-
-
Схема подключения люстры двухклавишным выключателем
elhouse в форуме Схемы по электрике - 5
- 8221
-
Sasha_zp
21 янв 2009, 17:52
-
Схема подключения люстры двухклавишным выключателем
-
-
Как подключить светильник к выключателю люстры.
1, 2 MaxRusHM в форуме Электромонтаж в квартире - 26
- 6632
-
MaxRusHM
29 июн 2010, 18:10
-
Как подключить светильник к выключателю люстры.
-
-
Мигание одной из ламп люстры
red-white19 в форуме Электромонтаж в квартире - 8
- 842
-
FRIM@N
17 янв 2011, 00:24
-
Мигание одной из ламп люстры
-
- Объявления
Вернуться в Электроустановочные изделия
Кто на форуме
Всего посетителей: 1, из них зарегистрированных: 0, скрытых: 0 и гостей: 1 (основано на активности пользователей за последние 10 минут)
Больше всего посетителей (279) здесь было 04 сен 2013, 15:45
Сейчас эту тему просматривают: нет зарегистрированных пользователей и гости 1
Права доступа
Вы не можете начинать темы
Вы не можете отвечать на сообщения
Вы не можете редактировать свои сообщения
Вы не можете удалять свои сообщения
Вы не можете добавлять вложения
Легенда
| Новые сообщения | Нет новых сообщений | Форум закрыт | |||
| Подфорум Новые сообщения | Подфорум Нет новых сообщений | Ссылка на форум |
-
- Объявления
|
phpBB® Forum Software © phpBB Group
Русская поддержка phpBB Связь с администрацией Администраторский раздел |
|


Загрузка. Подождите...
























