-
- Объявления
|
Электромонтаж Электромонтажные работы в деревянном доме. www.electric-house.ru |
Местная Конституция | FAQ - Часто задаваемые вопросы | Для новичков! | Реклама на форуме! | Публикация сообщений | Как вставить картинку или файл
Прежде чем задать вопрос, воспользуйтесь поиском - возможно, что такая тема уже есть на форуме. За нарушение правил Ваш вопрос может быть удален без объяснения причин!
-
- Сообщение
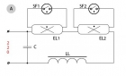
Параллельное подключение люминесцентных ламп
На всякий случай фотка пускателя... Заранее спасибо...
- Вложения
-

- Параллельное подключение люминесцентных ламп - P6300001.JPG
(212.11 КБ) Просмотров: 1793
-
- Сообщение
- Александр 27




- Новенький
- Прогресс звания:
-
- Заслуженная репутация: 0 +0 / -0

подключение люминисцентных ламп
-
- Сообщение
Re: Параллельное подключение люминесцентных ламп
-
- Сообщение
Re: Параллельное подключение люминесцентных ламп
- Вложения
-
- Сообщение
- sergey_sav







- Лидер тех. поддержки

- Технический директор

- Прогресс звания:
-
- Заслуженная репутация: 161 +50 / -0

















Re: Параллельное подключение люминесцентных ламп
Александр 27 писал(а):...к балласту 2*36 подключть 3 лампы на 24 ватта . Но нигде в инете не нашел схем такого подключения
Трудно найти несуществующую схему.
Все тематические вопросы и ответы на них только на форуме!
Санк-Петербург. Электромонтажные работы.
-
- Ссылки на тему
| Ссылка: | |
| BBcode: | |
| HTML: |
-
- Похожие темы
- Ответы
- Просмотры
- Последнее сообщение
-
-
Мигание одной из ламп люстры
red-white19 в форуме Электромонтаж в квартире - 8
- 828
-
FRIM@N
17 янв 2011, 00:24
-
Мигание одной из ламп люстры
-
-
Мигание выключенных энергосберегающих ламп
Римович в форуме Электроустановочные изделия - 9
- 1081
-
Калямба
06 ноя 2012, 16:35
-
Мигание выключенных энергосберегающих ламп
-
-
Электронный балласт для люминисцентных ламп
Александр 27 в форуме Электроустановочные изделия - 7
- 814
-
Артур
11 ноя 2010, 18:48
-
Электронный балласт для люминисцентных ламп
-
-
Годятся ли светильники на 12v для ламп 220v?
alexsever в форуме Электроустановочные изделия - 4
- 931
-
nikola
15 июн 2012, 10:07
-
Годятся ли светильники на 12v для ламп 220v?
-
-
Как подобрать автомат для инфракрасных ламп
Аким в форуме Электроустановочные изделия - 15
- 271
-
Егоров
11 мар 2013, 17:31
-
Как подобрать автомат для инфракрасных ламп
-
- Объявления
Вернуться в Электроустановочные изделия
Кто на форуме
Всего посетителей: 1, из них зарегистрированных: 0, скрытых: 0 и гостей: 1 (основано на активности пользователей за последние 10 минут)
Больше всего посетителей (279) здесь было 04 сен 2013, 15:45
Сейчас эту тему просматривают: нет зарегистрированных пользователей и гости 1
Права доступа
Вы не можете начинать темы
Вы не можете отвечать на сообщения
Вы не можете редактировать свои сообщения
Вы не можете удалять свои сообщения
Вы не можете добавлять вложения
Легенда
| Новые сообщения | Нет новых сообщений | Форум закрыт | |||
| Подфорум Новые сообщения | Подфорум Нет новых сообщений | Ссылка на форум |
-
- Объявления
|
phpBB® Forum Software © phpBB Group
Русская поддержка phpBB Связь с администрацией Администраторский раздел |
|


Загрузка. Подождите...

















