-
- Объявления
|
Электромонтаж Электромонтажные работы в деревянном доме. www.electric-house.ru |
Местная Конституция | FAQ - Часто задаваемые вопросы | Для новичков! | Реклама на форуме! | Публикация сообщений | Как вставить картинку или файл
Прежде чем задать вопрос, воспользуйтесь поиском - возможно, что такая тема уже есть на форуме. За нарушение правил Ваш вопрос может быть удален без объяснения причин!
-
- Сообщение
-
DISYA-21 / Автор темы






- Новенький
- Прогресс звания:
-
- Заслуженная репутация: 0 +0 / -0

Точечные светильники в реечном потолке
В коридоре имеется проводка под одну лампу.
-
- Сообщение
-
sergey_sav








- Лидер тех. поддержки

- Технический директор

- Прогресс звания:
-
- Заслуженная репутация: 161 +50 / -0

















Точечные светильники в реечном потолке
А вот про схему не очень понятен вопрос... о каких переключателях речь, если уже имеется один выключатель.
Все тематические вопросы и ответы на них только на форуме!
Санк-Петербург. Электромонтажные работы.
-
- Сообщение
-
DISYA-21 / Автор темы






- Новенький
- Прогресс звания:
-
- Заслуженная репутация: 0 +0 / -0

Точечные светильники в реечном потолке
sergey_sav писал(а):Лучше 220В.
А вот про схему не очень понятен вопрос... о каких переключателях речь, если уже имеется один выключатель.
проходной который ставится на лестницу (зашёл на лестницу включил освещение поднялся или спустился выключил)
-
- Сообщение
-
sergey_sav








- Лидер тех. поддержки

- Технический директор

- Прогресс звания:
-
- Заслуженная репутация: 161 +50 / -0

















Точечные светильники в реечном потолке
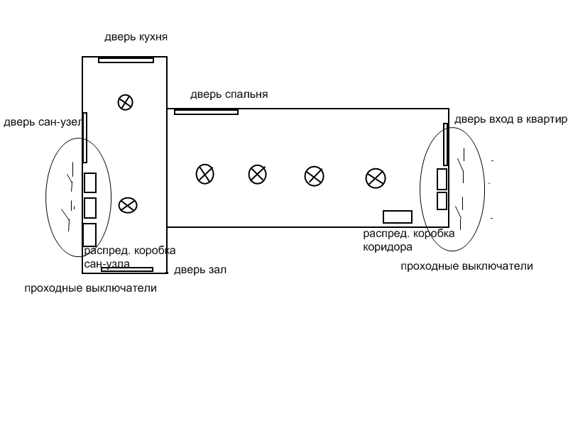
Исходя из начальных условий, схема уже имеется с одним выключателем. К ней приспособить проходной не получится. Надо менять проводку под схему, показанную ниже

Все тематические вопросы и ответы на них только на форуме!
Санк-Петербург. Электромонтажные работы.
-
- Сообщение
-
DISYA-21 / Автор темы






- Новенький
- Прогресс звания:
-
- Заслуженная репутация: 0 +0 / -0

Точечные светильники в реечном потолке
Исходя из начальных условий, схема уже имеется с одним выключателем. К ней приспособить проходной не получится. Надо менять проводку под схему, показанную ниже
по схеме показано по одному потребителю вместо них могу задействовать 3 и 4 но как подключить последовательно или параллельно
-
- Сообщение
-
sergey_sav








- Лидер тех. поддержки

- Технический директор

- Прогресс звания:
-
- Заслуженная репутация: 161 +50 / -0

















Точечные светильники в реечном потолке
Все тематические вопросы и ответы на них только на форуме!
Санк-Петербург. Электромонтажные работы.
-
- Сообщение
-
Anatoliy






- Почётный Гуру клуба

- Старший энергетик

- Прогресс звания:
-
- Заслуженная репутация: 158 +38 / -0
















Точечные светильники в реечном потолке
Тогда можно будет вам объяснить или нарисовать
-
- Сообщение
-
sergey_sav








- Лидер тех. поддержки

- Технический директор

- Прогресс звания:
-
- Заслуженная репутация: 161 +50 / -0

















Точечные светильники в реечном потолке
Все тематические вопросы и ответы на них только на форуме!
Санк-Петербург. Электромонтажные работы.
-
- Сообщение
-
Anatoliy






- Почётный Гуру клуба

- Старший энергетик

- Прогресс звания:
-
- Заслуженная репутация: 158 +38 / -0
















Точечные светильники в реечном потолке
Коробка в кухне при входе и коробка есть в маленьком коридоре между ванной и санузлом.
Если не прав поправте
-
- Сообщение
-
- Сообщение
-
- Сообщение
-
DISYA-21 / Автор темы






- Новенький
- Прогресс звания:
-
- Заслуженная репутация: 0 +0 / -0

Точечные светильники в реечном потолке
1- каким сечением использовать провод
2- в какой изоляции
3- подключение светильников через колодки или в самом патроне
4- разъясните пожалуйста цвета проводов в схеме
5- какой мощности использовать лампы
-
- Сообщение
-
sergey_sav








- Лидер тех. поддержки

- Технический директор

- Прогресс звания:
-
- Заслуженная репутация: 161 +50 / -0

















Точечные светильники в реечном потолке
2. ПВХ
3. винтовые клемники или ВАГО
4. голубой - ноль
5. в соответствии с паспортными данными на светильники/патроны
Все тематические вопросы и ответы на них только на форуме!
Санк-Петербург. Электромонтажные работы.
-
- Ссылки на тему
| Ссылка: | |
| BBcode: | |
| HTML: |
-
- Похожие темы
- Ответы
- Просмотры
- Последнее сообщение
-
-
Подсветка в виде светодиодной лены в потолке своими руками
YStinov83 в форуме Своими руками - 0
- 255
-
YStinov83
10 окт 2013, 09:57
-
Подсветка в виде светодиодной лены в потолке своими руками
-
-
Где провод в потолке?
Олег в форуме Электромонтаж в квартире - 14
- 10319
-
tpit
22 янв 2009, 17:55
-
Где провод в потолке?
-
-
Как правильно выбрать галогенные точечные светильники?
миха48 в форуме Электроустановочные изделия - 1
- 369
-
Anatoliy
13 июн 2011, 01:05
-
Как правильно выбрать галогенные точечные светильники?
-
-
Точечные светильники, схема подключения
1, 2 миха48 в форуме Электроустановочные изделия - 28
- 2302
-
slavapril
01 мар 2013, 22:03
-
Точечные светильники, схема подключения
-
- Объявления
Вернуться в Электроустановочные изделия
Кто на форуме
Всего посетителей: 1, из них зарегистрированных: 1, скрытых: 0 и гостей: 0 (основано на активности пользователей за последние 10 минут)
Больше всего посетителей (279) здесь было 04 сен 2013, 16:45
Сейчас эту тему просматривают: archive.org_bot и гости 0
-
- Объявления
|


Загрузка. Подождите...






















