-
- Объявления
|
Электромонтаж Электромонтажные работы в деревянном доме. www.electric-house.ru |
Местная Конституция | FAQ - Часто задаваемые вопросы | Для новичков! | Реклама на форуме! | Публикация сообщений | Как вставить картинку или файл
Прежде чем задать вопрос, воспользуйтесь поиском - возможно, что такая тема уже есть на форуме. За нарушение правил Ваш вопрос может быть удален без объяснения причин!
- Скачать тему в PDF
- Кто смотрел тему
- Подписчиков: 4
- Добавили в закладки: 0
- Просмотры: 2226
-
- Сообщение
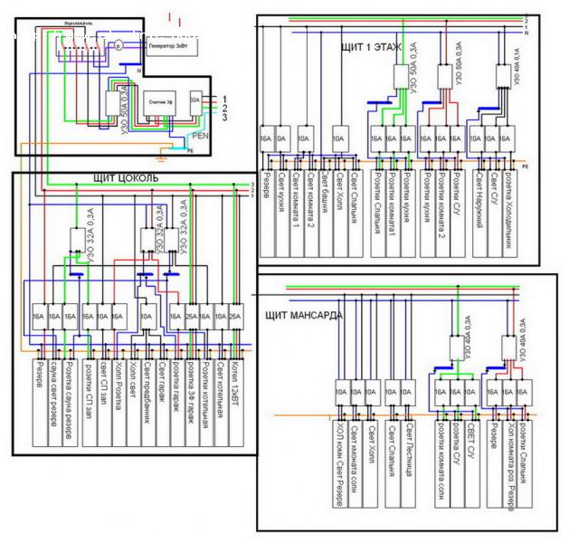
Щит в дом 15/380 критика и пинки
значит вопросы.
1. правильно ли разбил ПЕН на ПЕ и Н ?
2. не могу понять куда ставить УЗО.....
3. Нужен ли проводник 3*1,5 на свет или хватит 2*1,5
4. будет значит 3 щитка ....... как передавать 3 фазы , кабелем 5*16 ??? и в каждом щитке жилу pE и N прикреплять на свою шину по разным сторонам щитка? верно
схема заменена на новую...
- Вложения
-
СХема подключения.xls- (210.5 КБ) Скачиваний: 142
-
- Сообщение
- sergey_sav







- Лидер тех. поддержки

- Технический директор

- Прогресс звания:
-
- Заслуженная репутация: 161 +50 / -0

















Re: Щит в дом 15/380 критика и пинки )
2. На розеточные игруппы и на мокрые зоны в обязательном порядке, остальные - по желанию.
3. В обязательном порядке - 3х1,5
4. Не въехал в суть вопроса... сорри
Все тематические вопросы и ответы на них только на форуме!
Санк-Петербург. Электромонтажные работы.
-
- Сообщение
Re: Щит в дом 15/380 критика и пинки
1.То есть рабивку нужно произвести до входного автомата в 32 А ?
4. ну в дом идет СИП 4*16 , я его делю, получаю 5*16 , далее на счетчик , после счетчика на УЗО, и вот впорост, далее будет 2 щитка, на цоколе и на мансарде,
как мне производить монтаж ? подключать к УЗО 2 кабеля 5*16 ?? один на цоколь другой на мансарду?? , а в щитках их разводить по шинам? а от шин уже к автоматам и потребителям?
и вообще весь монтаж производить ШИНАМИ как у заземления и нуля?? или тогда не пойму что и как лепить.......
-
- Сообщение
- sergey_sav







- Лидер тех. поддержки

- Технический директор

- Прогресс звания:
-
- Заслуженная репутация: 161 +50 / -0

















Re: Щит в дом 15/380 критика и пинки
4. После УЗО лучше поставить три автомата или ВН, а сечение проводов от них к щитам можно брать 5*4 по меди.
В щитах на вводе также установить ВН.
Кстати, УЗО стоит поставить 40/0,3.
ЗЫ. Про остальные УЗО сказано ранее.
Все тематические вопросы и ответы на них только на форуме!
Санк-Петербург. Электромонтажные работы.
-
- Сообщение
Re: Щит в дом 15/380 критика и пинки
sergey_sav писал(а):1. Не правильно. Разделение производится до коммутационного аппарата.
Совершенно в дырочку: 1.7.145. Не допускается включать коммутационные аппараты в цепи РЕ- и PEN-проводников, за исключением случаев питания электроприемников при помощи штепсельных соединителей.
Допускается также одновременное отключение всех проводников на вводе в электроустановки индивидуальных жилых, дачных и садовых домов и аналогичных им объектов, питающихся по однофазным ответвлениям от ВЛ. При этом разделение PEN-проводника на РЕ- и N-проводники должно быть выполнено до вводного защитно-коммутационного аппарата.
-
- Сообщение
Re: Щит в дом 15/380 критика и пинки
соединения все произведены будут на шинах......... есть шины уже в сборе, на дин рейку крепятся 4ре шины в пластиковом корпусе., не будет ли в ней опасность дуги?
- Вложения
-
СХема подключения.xls- (210.5 КБ) Скачиваний: 57
-
- Сообщение
- sergey_sav







- Лидер тех. поддержки

- Технический директор

- Прогресс звания:
-
- Заслуженная репутация: 161 +50 / -0

















Re: Щит в дом 15/380 критика и пинки
Саня писал(а):зачем автоматы ставить после УЗО ? если на каждом отдельном участке свой автомат.
Саня писал(а):соединения все произведены будут на шинах.
А если посмотреть в сторону гребёнок, то надобность в шинах отпадёт...
Все тематические вопросы и ответы на них только на форуме!
Санк-Петербург. Электромонтажные работы.
-
- Сообщение
Re: Щит в дом 15/380 критика и пинки
sergey_sav писал(а):Отключение и защита (если АВ, а не ВН) независимо каждой отходящей кабельной линии на распредщиты.
если посмотреть в сторону гребёнок, то надобность в шинах отпадёт...
1Какого номинала?? на цоколь 32а на 1 этаж и мансарду 25 а ?
2. что за гребенка??
и все таки теперь разделение правильно? PENB
и еще как несколько потребителей цеплять к одному УЗО ?? прям в дырочку
? несколько неправльно не кажется(туплю, к распред коробкам и усе

и еще
по маркировкам автоматор подскажите? какие выбрать?-
- Сообщение
- sergey_sav







- Лидер тех. поддержки

- Технический директор

- Прогресс звания:
-
- Заслуженная репутация: 161 +50 / -0

















Re: Щит в дом 15/380 критика и пинки
Вводное УЗО поставлено криво и работать не будет.
Переключатель "ввод1-ввод2" придётся поискать четырёхполюсный, ибо "0" тоже коммутируется.
Где дифзащита розеточных линий
И прочее, прочее, прочее...
ЗЫ. Просто рекомендация, попробуйте перейти с рисования в экселе на другую программу, темы про рисовалки чертежей есть на форуме.
Все тематические вопросы и ответы на них только на форуме!
Санк-Петербург. Электромонтажные работы.
-
- Сообщение
Re: Щит в дом 15/380 критика и пинки
-
- Сообщение
Re: Щит в дом 15/380 критика и пинки
Anatoliy писал(а):Просто рекомендация,
спасибо, хотел учесть да забыл , Генератор, должен идти только на Холодильник и свет., ну может розеточку одну запитать не более
Добавлено спустя 22 минуты 29 секунд:
sergey_sav писал(а):Тут не с маркировки автоматов начинать надо... Сначала, стоит составить грамотную схему щитов. Запитать их от вводного щита лучше не шлейфом, а самостоятельными линиями.
Вводное УЗО поставлено криво и работать не будет.
Переключатель "ввод1-ввод2" придётся поискать четырёхполюсный, ибо "0" тоже коммутируется.
Где дифзащита розеточных линий
И прочее, прочее, прочее...
ЗЫ. Просто рекомендация, попробуйте перейти с рисования в экселе на другую программу, темы про рисовалки чертежей есть на форуме.
Как это отдельными линиями запитать??
как правильно поставить вводное УЗО ? после рубильника??
ДИФ защита, ? разве УЗО недостаточно на розетки?
-
- Сообщение
- sergey_sav







- Лидер тех. поддержки

- Технический директор

- Прогресс звания:
-
- Заслуженная репутация: 161 +50 / -0

















Re: Щит в дом 15/380 критика и пинки
Саня писал(а):Как это отдельными линиями запитать??
как правильно поставить вводное УЗО ? после рубильника??
ДИФ защита, ? разве УЗО недостаточно на розетки?
ЗЫ. Всё же, электротехника немного отличается от Лего для взрослых... Нужны некоторые знания и навыки, чтобы щиты собирать и электрику монтировать...
Все тематические вопросы и ответы на них только на форуме!
Санк-Петербург. Электромонтажные работы.
-
- Сообщение
Re: Щит в дом 15/380 критика и пинки
автоматом стоит на 3м листе, хочется самому разобраться и сделать, пусть дольше, но зато самому, и потом не звонить и не винить ни кого в том что что-то не так...... да и так для общего развития )
просто я смотреть не могу как за мои деньги такого извиняюсь Г делают, .......
все что я делаю сам будь то Забор, кладка, ламинат, и тд гораздо красивее выглядим и качественнее сделано.
-
- Сообщение
- sergey_sav







- Лидер тех. поддержки

- Технический директор

- Прогресс звания:
-
- Заслуженная репутация: 161 +50 / -0

















Re: Щит в дом 15/380 критика и пинки
2. Никто не запрещает за Ваши деньги заказать не гуано.
3. Если хочется вникнуть, то сначала внимательно читаем форум по аналогичным темам, а потом берёмся за карандаш....
Все тематические вопросы и ответы на них только на форуме!
Санк-Петербург. Электромонтажные работы.
-
- Сообщение
Re: Щит в дом 15/380 критика и пинки
sergey_sav писал(а):1. Не понял, что смотреть на "Лист 1"?
там в экселе, автоматом Ставится на 3 ЛИСТ, нужно Счелкнуть на 1ЛИСТ
-
- Сообщение
Re: Щит в дом 15/380 критика и пинки
1. Генератор так и остался работать на котел
2. УЗО нельзя устанавливать без автоматов, нужно ставить УЗО + Автомат или ставить ДИФ автомат.
3. УЗО на 100 и 300 мА ставится как противопожарные но ни как для безопасности от поражения эл. током.
Для безопасности ставится УЗО на 30 мА, а на сауну ставится УЗО на 10 мА
4. Розетка в сауне, нонсонс.
5. наружное освещение, нет УЗО.
6. На кухню одна резеточная группа (не считая группу холодильника) этого недостаточно.
7. Не вижу отдельной линии на стиральную машину
8. Не понятно что установлено с оборудования на кухне. Дом то не маленький, и хотелки не малые, посудомойка, микроволновка, кофеварка, электродуховка,
электрочайник, тостер, кухонный комбайн.
-
- Сообщение
Re: Щит в дом 15/380 критика и пинки
Anatoliy писал(а):У вас полная путаница на первом листе.
1. Генератор так и остался работать на котел
2. УЗО нельзя устанавливать без автоматов, нужно ставить УЗО + Автомат или ставить ДИФ автомат.
3. УЗО на 100 и 300 мА ставится как противопожарные но ни как для безопасности от поражения эл. током.
Для безопасности ставится УЗО на 30 мА, а на сауну ставится УЗО на 10 мА
4. Розетка в сауне, нонсонс.
5. наружное освещение, нет УЗО.
6. На кухню одна резеточная группа (не считая группу холодильника) этого недостаточно.
7. Не вижу отдельной линии на стиральную машину
8. Не понятно что установлено с оборудования на кухне. Дом то не маленький, и хотелки не малые, посудомойка, микроволновка, кофеварка, электродуховка,
электрочайник, тостер, кухонный комбайн.
1.с геной, пока не заморачивался, туда не смотреть ) Хотя с геной все нормально он садится на первую фазу,........... СВЕТ везде + Холодильник + розетка в котельной на циркуляционный насос.
2. ВВодное УЗО заменить на ДИФФ ?
3. Непонятно, по 2 УЗО ставить чтоль? ( поражение как то не критично мне кажется,если выбирать между пожаром и поражжением сколько раз хватался за провода
)4.в сауна это название комнаты в 27 м2 ) то есть сама сауна и место отдыха......... там и будут розеточки на ТВ и Х
5 ОК
6. На кухне 2 розеточные группы, не хотел двигать все потребители, вспомнил про группы уже в конце.
7.смысл отдельной линии на машинку?
8. Непонял вопроса.
спасибо учту......
-
- Сообщение
- sergey_sav







- Лидер тех. поддержки

- Технический директор

- Прогресс звания:
-
- Заслуженная репутация: 161 +50 / -0

















Re: Щит в дом 15/380 критика и пинки
Саня писал(а):там в экселе, автоматом ...
Кстати и на Лист1 не схема, а сплошная ошибка...
Ну почитайте наконец форум!
Посмотрите правила включения УЗО!
Все тематические вопросы и ответы на них только на форуме!
Санк-Петербург. Электромонтажные работы.
-
- Сообщение
Re: Щит в дом 15/380 критика и пинки
к УЗО повести нейтраль и все.
блин, кажется опять затупил, N крепится к уЗО далее N идет на потребители...... а не так как на рисунке
- Вложения
-
- Сообщение
Re: Щит в дом 15/380 критика и пинки
мучает вопрос о УЗО, правильно подобрал номиналы ( ........
и вопрос по характеристикам автоматов D C и тд ... есть ли смысл ?
и еще один, мучает прям сильно, все собрать в одном щите на 1 этаже, или все таки , развести кабелем по этажам и на уэтаже уже свой щит мастрячить?
ну и все можно бежать в магазин
счетчик уже куплен и запрограммирован )
- Вложения
- ОКОНЧАТЕЛЬНАЯ
-
- Ссылки на тему
| Ссылка: | |
| BBcode: | |
| HTML: |
-
- Объявления
Вернуться в Электромонтаж на даче, коттедже, бане
Кто на форуме
Всего посетителей: 1, из них зарегистрированных: 0, скрытых: 0 и гостей: 1 (основано на активности пользователей за последние 10 минут)
Больше всего посетителей (279) здесь было 04 сен 2013, 15:45
Сейчас эту тему просматривают: нет зарегистрированных пользователей и гости 1
Права доступа
Вы не можете начинать темы
Вы не можете отвечать на сообщения
Вы не можете редактировать свои сообщения
Вы не можете удалять свои сообщения
Вы не можете добавлять вложения
Легенда
| Новые сообщения | Нет новых сообщений | Форум закрыт | |||
| Подфорум Новые сообщения | Подфорум Нет новых сообщений | Ссылка на форум |
-
- Объявления
|
phpBB® Forum Software © phpBB Group
Русская поддержка phpBB Связь с администрацией Администраторский раздел |
|


Загрузка. Подождите...































