Щиток в дом и схема!
Доброй ночи!
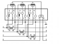
После того как собрал щит учета на участок
занялся схемой для домового щита.
Вот изобразил схемку
Заземление по схеме TN-C-S-деление PEN на N и РЕ выполнил в вводном щите на участке.
Вводной автомат в щите учета С32А
В дом привел подземным кабелем 5х16
Может надо как-то разгруппировать еще нагрузки на разные узо (или добавить узо)
или наоборот убрать автоматов или объединить
И вопрос если не затруднит
-на вводе в домовой щит у меня автомат 4-х полюсной-это нормально или заменить на 3-х полюсной?
ДАЛЕЕ схемка-вот
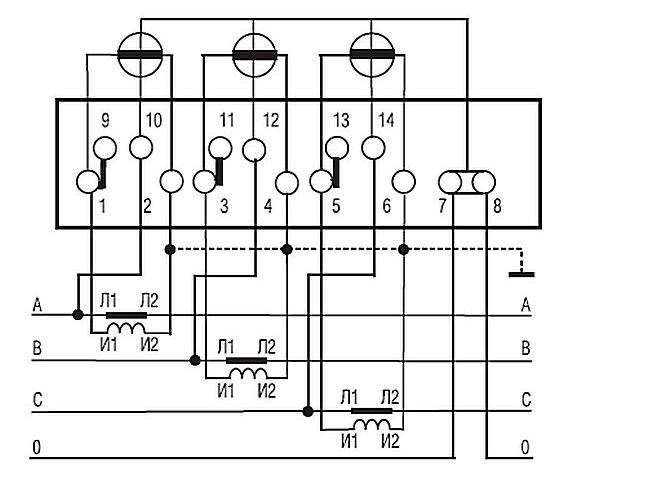
После того как собрал щит учета на участок
занялся схемой для домового щита.
Вот изобразил схемку
Заземление по схеме TN-C-S-деление PEN на N и РЕ выполнил в вводном щите на участке.
Вводной автомат в щите учета С32А
В дом привел подземным кабелем 5х16
Может надо как-то разгруппировать еще нагрузки на разные узо (или добавить узо)
или наоборот убрать автоматов или объединить
И вопрос если не затруднит
-на вводе в домовой щит у меня автомат 4-х полюсной-это нормально или заменить на 3-х полюсной?
ДАЛЕЕ схемка-вот




