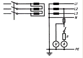
Прошу совета!!! Живу в частном доме, ВЛ-0,4 выполнена СИПом 4х70 +1х16, фидер длинный. В конце фидера (20 домов, новострой – проживающих пока нет) идет перекос по фазам 248/200/225. В начале, (40 домов) – напряжение нормальное 235/224/225. Дайте совет, где «собака зарыта» - какая может быть причина перекоса. Данные снимал с 3х фазных «нейронов».



Загрузка. Подождите...



































