-
- Объявления
|
Электромонтаж Электромонтажные работы в деревянном доме. www.electric-house.ru |
Местная Конституция | FAQ - Часто задаваемые вопросы | Для новичков! | Реклама на форуме! | Публикация сообщений | Как вставить картинку или файл
Прежде чем задать вопрос, воспользуйтесь поиском - возможно, что такая тема уже есть на форуме. За нарушение правил Ваш вопрос может быть удален без объяснения причин!
- Скачать тему в PDF
- Кто смотрел тему
- Подписчиков: 2
- Добавили в закладки: 0
- Просмотры: 10670
-
- Сообщение
Варианты подключения резервного эл.питания дома
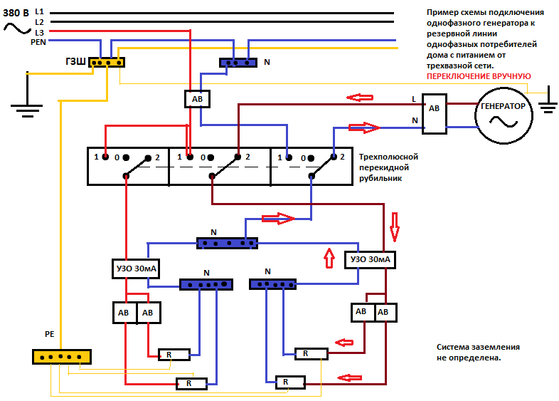
Схема включает: Ввод 3ф в дом, потребители делятся на 3фазные, и 1фазные, группа-1 (те что будут от генератора питатся в аварийных случаях) и потребители группы-2 (все остальные).
В схеме имеется автоматический переключатель фаз, а далее переключатель ввода резерва HAGER SF263
Схему с двумя вариантами прикрепил. Варианты отличаются подключением "нуля", в первом варианте нулевые шины потребителей 1 и 2 раздельные, во втором ноль общий в том числе на этом ноле сидят 3фаз нагрузки.
Какой вариант правильный ? или оба имеют право на жизнь
Во втором варианте есть подозрение на проблему которая может возникнуть при восстановлении подачи электропитания от сети общего пользования
- Вложения
-
- Сообщение
Re: Варианты подключения резервного эл.питания дома

- Вложения
-
- Сообщение
Re: Варианты подключения резервного эл.питания дома
-
- Сообщение
Re: Варианты подключения резервного эл.питания дома
Василич писал(а):А где аппарат отключающий "неответственные" нагрузки группы 2 ? Может их стоит подключить ДО переключателя АВР генератора?
Вы меня спрашиваете или автора?
Как я понял из рисунка автора, Группа1 и Группа2 питаются от сети и от генератора в аварийном режиме. Все остальные нагрузки (запитаны в левом вернем углу) питаются только от сети.
-
- Сообщение
Re: Варианты подключения резервного эл.питания дома
группа-1 (те что будут от генератора питатся в аварийных случаях) и потребители группы-2 (все остальные).
из приведенной вами схемы видно, что от генератора будут питаться потребители 1-ой групы и 2-ой групы
Должно быть так
Чтобы видеть ссылки войдите на конференцию или зарегистрируйтесь.
-
- Сообщение
Re: Варианты подключения резервного эл.питания дома
-
- Сообщение
Re: Варианты подключения резервного эл.питания дома
-
- Сообщение
Re: Варианты подключения резервного эл.питания дома
Ввод 3х фазный с воздушной линии СИП 4х16 а далее планируется то что на схеме. Три щита,
1) вводно-учетный.
2) распределительный в гараже
3) распред в кухне РЩ-3
К вводно-учетному щиту уже подвел шину заземления, в огороде сделал контур (три уголка 50х4 по 3метра, с дистанцией в 3метра, соединены приварены полосой 40х4 )
В РЩ-2 после автомата С40А поставлю УЗО 40А 100мА, хотел селективное с 300мА. но у поставщиков ни у кого таких нет, купил уже простое с током утечки 100мА. Думаю что для частного дома будет не критично что не селективное, в описание на сайте производителя селективные узо идут как" для промышленных и производственных объектов", а частн дом таковым не является. Далее по схеме идет автоматический переключатель фаз, т.е. основная масса нагрузки в доме будет работать от 1фазы (от 3хф планируется только питание электрокаменки и на розетку 3ф мало ли что понадобится запитать от 3х фаз в жизни)
Какой переключатель фаз поставить еще не определился, но ориентировочно ПЭФ-301-40А, к нему советуют поставить контакторы дополнительные, если кто знает какие именно и схему коммутации, буду признателен.
Далее по схеме все предельно ясно.
Ах да, вот еще - С воздушной линии приходит СИП 4х16 - по какой схеме TN-C или TN-C-S не знаю, но исходя из того что входит всего 4 жилы и под столбом нет шины заземления повторной, то надо полагать TN-C. Поэтому повторное заземление (контур заземления) сделал в своем огороде в 5 метрах от вводно-учетного щита. В этом же щите планируется сделать разделение PEN проводника, это видно на схеме на ГЗШ. В качестве главной заземляющей шины для разделения PEN планируется использовать вот этот ГЗШ
или вот этот
- Вложения
-
Схема элснаб дом01.pdf- (582.71 КБ) Скачиваний: 254
-
- Сообщение
Re: Варианты подключения резервного эл.питания дома
3 фазы от ЛЭП, генератор - 1фазн. Так же есть 2 группы по снабжению: общие + резерв. При нормальной работе основной сети, работают все потребителя, при отключении основной сети, только потребителя резервной группы (все они однофазные потребители, типа газовый котёл отопления (мозги электрич), холодильники, аквариум и аварийное освещение).
На каждом этаже свой этажный щит, к каждому из щитов проходит 4-х жильный кабель (16кв.мм х 4):
1 жила - основная фаза
2 жила - резервная фаза
3 жила нейтраль (общая для обоих груп потребителей)
4 жила - заземление (оно сейчас не отдельное как у вас, а соединено с нейтралью в шкафчике ввода)
Основной вопрос: в этажных щитах я разделил группы на разные провода по фазам (переключение происходит на другом конце проводов в щитке переключения), а вот по нейтрали - общая шина. Поскольку если делать в этажном щитке для резервных проводников отдельную шину, то необходимо докладывать ещё один провод, поскольку нужны 5 жил
1 жила - основная фаза
2 жила - основная нейтраль
3 жила - резервная фаза
4 жила - резервная нейтраль
5 жила - заземление
НО допрокладку эту хочу избежать, и сделать так: При пропадании оновного питания, вместе с фазами переключать и нейтрали в "щитке переключения" на генераторную цепь, при этом отключая её от основной. Таким образом при включении резерва НА ВСЕХ потребителях будет нейтраль от генератора, а вот фаза будет подаваться только на выделенные потребители в "этажном щитке".
Заземление при этом остаётся прежнее.
Как считаете, такая схема может жить?
Вопросы:
1. допустимо ли такое переключение нейтрали по различным нормам.
2. Возможно ли работать генератору без отключения её от основной нейтрали (такой вопрос был выше) т.е. нейтраль всегда общая и НЕ ПЕРЕКЛЮЧАЕТСЯ.
3. Нужно ли соединять контур заземления генератора с существующим (это нейтраль общей сети в щитке ввода где счетчик и автоматы), или оставить его просто, без подсоединения к такому заземлению?
ЗЫ Схемку переключения пакетника, в "щитке переключения" которая есть у меня выложу завтра
-
- Сообщение
Re: Варианты подключения резервного эл.питания дома
Andy писал(а):1. допустимо ли такое переключение нейтрали по различным нормам.
Питание должно коммутироваться двух и четырехполюсными аппаратами, т.е. одновременно разрываются все фазные проводники вместе с нулевым.
Andy писал(а):2. Возможно ли работать генератору без отключения её от основной нейтрали (такой вопрос был выше) т.е. нейтраль всегда общая и НЕ ПЕРЕКЛЮЧАЕТСЯ.
Нулевой проводник к потребителям идет один, но при переключении он переключается вместе с фазными проводниками, тем более что должна стоять дифзащита, которая не будет работать если ноль не разрывается.
Andy писал(а):3. Нужно ли соединять контур заземления генератора с существующим (это нейтраль общей сети в щитке ввода где счетчик и автоматы), или оставить его просто, без подсоединения к такому заземлению?
Заземляющее устройство может быть одно или больше, но все они должны соединяться на главной защитной шине и на нее подключаем нейтраль PEN с ВЛ при системе заземления TN-C-S.
-
- Сообщение
Re: Варианты подключения резервного эл.питания дома
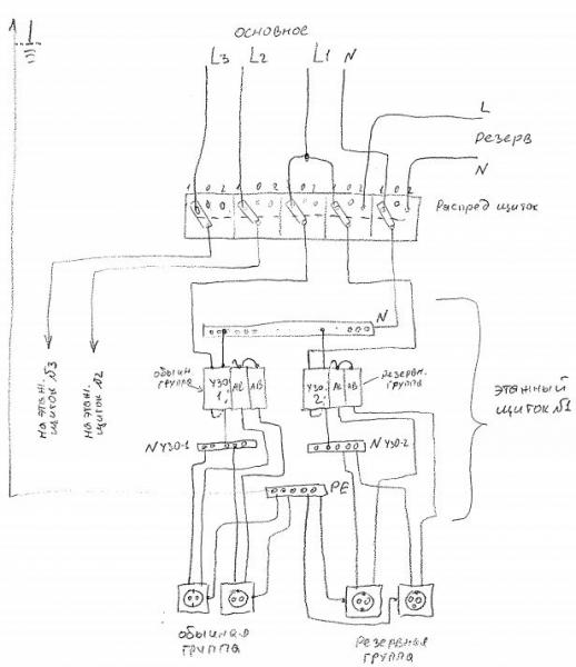
вот такая получается схемка. Всё правильно?
Вверху изображен пакетник который находится в щитке переключения, ниже изображены схематично этажные щитки.
nikola писал(а):Andy писал(а):2. Возможно ли работать генератору без отключения её от основной нейтрали (такой вопрос был выше) т.е. нейтраль всегда общая и НЕ ПЕРЕКЛЮЧАЕТСЯ. Нулевой проводник к потребителям идет один, но при переключении он переключается вместе с фазными проводниками, тем более что должна стоять дифзащита, которая не будет работать если ноль не разрывается.
Разводка в "этажном щитке" сделана согласно этой схемы:
Т.е. освещение у меня идет без УЗО на общую шину N в "этажном щитке", а розетки, духовка, посудомойка идут через узо, и нейтрали этих потребителей соединены на свои шины от конткретного УЗО.
Причина: Поменял формат схемы - с мобильного не видно было.
-
- Сообщение
Re: Варианты подключения резервного эл.питания дома
Схема вроде рабочая. Только не нравятся мне пакетники, да еще на три фазы. Какая пойдет нагрузка через него?
Как будет работать УЗО - надо еще подумать.
А что - в каждом этажном щитке будет стоять счетчик?
-
- Сообщение
Re: Варианты подключения резервного эл.питания дома
nikola писал(а):Исправил свое сообщение выше, а то думал одно, а написал автоматически другое.Есть вопрос: что это за здание?Схема вроде рабочая. Только не нравятся мне пакетники, да еще на три фазы. Какая пойдет нагрузка через него?Как будет работать УЗО - надо еще подумать.А что - в каждом этажном щитке будет стоять счетчик?
Есть вопрос: что это за здание? - 3-х этажный частный дом с 3-х фазным вводом от воздушной ЛЭП.
не нравятся мне пакетники, да еще на три фазы - я нарисовал достаточно образно, поскольку точной маркировки пока не знаю, главное сама идея, чтобы был 4-х полюсной с двух вводов и переключатель на три положения (с нулевым положением) как вариант, для этой задачи вроде подходит такой девайс:

HAGER Код: HIC406A правда он уже с внутренними контроллерами и ценник у него не кислый, но потянуть могу, если действительно незаменимая и очень хорошая вещь.
Какая пойдет нагрузка через него? - на входе, перед счетчиком стоит на фазах 3-х полюсной автомат на 63А, после счетчика уже мой на 50А, далее идет кабель в дом в распред щиток (которого пока толком нет, есть только прикрученные к стене автоматы
, но скоро будет ) Кабель от счетчика. а так же межэтажные типа такого:

Маркировку его не понятна (был проложен до меня) сечение медного проводика потолще в диаметре чем 10мм2 (сравнивал с покупным таким который покупал для сборки щитка), где то на 0,5-1мм , так что позволяет думать что около 12-14мм2 (знаю что в стандарте таких нет, но есть подклассовая разбивка, где диаметры жил разные вот здесь нашел Чтобы видеть ссылки войдите на конференцию или зарегистрируйтесь. так что это либо хорошая 10-ка, либо слабая 16 по моим соображениям). Мощность на каждый этаж приблизительно до 32А, если всё дружно врубить на этаже, что мало вероятно.
Этажи собираюсь раскидать по разным фазам, правда пока это затруднительно, поскольку в сети перекос по напряжению большой, примерно так 200+ 218+267. В идаеле конечно лучше поставить стабилизаторы 3 штуки на все фазы (но это тоже в дальнейшем). Пока же, все висит на одной фазе, где 220 В.
А что - в каждом этажном щитке будет стоять счетчик? - нет конечно, эту картинку я дал для примера по поводу подключения УЗО, что все приборы и автоматы стоящие в этой группе с УЗО. подключены к отдельной шине нейтрали этой УЗО (в конце каждого ряда автоматов на планке стоит отдельная маленькая шинка нейтрали, похоже на такую компановку, только по одной шинке с разных сторон (т.к. 2 УЗО на каждой планке, во общем как и на этой фотке):
(фото взял для примера из интернета).
В этажный щит будет приходить 2 фазы: одна для основной группы потребителей, вторая для резервных потребителей, теоретически это может быть одна и та же фаза идущая по разным проводам,просто разделенная в нижнем распределительном щитке.
Генератор у меня однофазный, модель Honda CE4000 (Honda GX270 c ручным стартером). Идея - запитывать самые необходимые потребители на всех этажах (в основном это холодильники, отопление и некоторое освещение).
Есть только некоторая загвоздка с нормальным заземлением (думаю что нет там сейчас никакого нормального заземления и от щитка где счётчик там тоже ничего не подключено, разве что нейтраль со столба прикручена к корпусу щитка где стоит счётчик учета на уличном столбе), я пока плотно не подходил к этому вопросу, думаю займусь когда буду делать распред щиток и генератор. Так что задача со собственным контуром заземления ещё впереди. Пока же монтирую этажные щитки, и поэтому стоит задача спроектировать и подключить там все так, что бы в дальнейшем осталось только раскидать концы на правильные контакты, разъемы и шины в распред щитке внизу.
У меня даже есть шкаф АВР, который собрали по моей просьбе с моими пожеланиями по включению и отключению генератора. Если интересно, могу описать идею его работы: при пропадании основного напряжения, линия сразу переключается на разервную, на поскольку генератор у меня ручного запуска, то нужно идти к нему и заводить, после того, как он нормально разгониться и выдываемое напряжение будеи в допустимых нормах, автоматический ключ вводит его в резервную сеть. Далее, после подачи напруги в основную сеть, только минут через 5 её стабильной работы (малоли через минуту опять обрубится) линия с резервной переключается на основную, далее по исходу 2 минут (есть ещё одно реле задержки) замыкается ещё один отдельный контакт, провода от которого идут на клеммы заглущения генератора, таким образом он выключится всё же самостоятельно (особенно полезно если это ночью происходит- не нужно вставать и идти глушить его).
Как будет работать УЗО - надо еще подумать. - Для меня это тоже загадка, поскольку это первый щиток которыя я собираю, но все делаю по принципиально рабочим схемам. Поскольку у меня нет ещё нормальной земли, возможно УЗО будет работать "шандарахая" человека (конечно всё очень зависит от пути протекания тока, внутреннего сопротивления человека и т.д.) и отключаться при токе 30мА, но все же защищать в экстренном случае... В дальнейшем, когда сделаю своё заземление, по идее все должно работать правильно. Все розетки на 3-м контакте заземления я подключаю в помещениях, но вот сам провод заземления сейчас не подключён никуда. Есть ли смысл соединить его с проводом нейтрали в щитке распределения, где далее он идёт в щиток со счетчиком и через счетчик (автоматы нейтраль НЕ разъединяют) на столб. Т.е. соединение вродебы и не разъединяемое автоматами на всем участке после щитка распределения, и все же не знаю, стоит ли его называть "землей". Скорее всего это PEN проводник, заземленный хрен знает где, возможно где то на столбе, а может только на понижающем трансформаторе. Со столба, замечу, тоже идет 4-х жильный провод. Т.е. отдельной шины земли пока нет. Как посоветуете сделать в данной ситуации, сейчас как временное решение, пока нет собственного контура заземления и вообще, далее, стоит ли его делать?
-
- Сообщение
- sergey_sav







- Лидер тех. поддержки

- Технический директор

- Прогресс звания:
-
- Заслуженная репутация: 161 +50 / -0

















Re: Варианты подключения резервного эл.питания дома
Andy писал(а):знаю что в стандарте таких нет, но есть подклассовая разбивка, где диаметры жил разные
Не существует никакой подклассовой разбивки. Есть гостовское номинальное сечение, но реальное сечение жил кабеля может отличаться... ибо не нормируется, а носит только справочный характер. Поэтому измерять нужно диаметр жилы по металлу и смотреть к какому номинальному сечению можно отнести кабель.
Все тематические вопросы и ответы на них только на форуме!
Санк-Петербург. Электромонтажные работы.
-
- Сообщение
Re: Варианты подключения резервного эл.питания дома
Andy писал(а):Как будет работать УЗО - надо еще подумать. - Для меня это тоже загадка
Как хорошо было раньше, при системе ТN-C, все просто - нейтраль не разрывается, отключается фаза от пром-сети и подключается от генератора.
Но это теперь считается опасной системой, не обеспечивающей безопасность от возможности поражения током, по известным причинам.
На смену пришла более "продвинутая", в смысле обеспечения безопасности, европейская система заземления, в которой есть специальный защитный проводник РЕ, с одной стороны который соединяется через шину РЕ с собственным заземляющим устройством, а с другой садится на корпуса металлических электроприборов. Схема стала сложней. Чтобы обеспечить безопасность, надо составить электрическую схему, проект дома, где нужно продумать много мелочей. Сделать это надо заранее, до начала монтажа, чтобы потом не переделывать, что бывает не всегда возможно.
Ваша задумка могла-бы воплотиться в жизнь, если-бы электросхема была попроще, домик поменьше и не мешали-бы некоторые нюансы, а именно один из них - как будет работать УЗО. Со стороны питания от ВЛ 0,4 кВ мы обрезаем все рабочие проводники и по одной резервной группе подаем питание от генератора. По этой группе используем один общий ноль с рядом потребителей на этой фазе. Теперь мы имеем электрически связанную сеть через потребителей на общий ноль и далее с него по фазным проводникам. То-есть вся электросеть дома, после разрыва питания в дом с ВЛ, по отношению к УЗО генератора будет связанна. Хоть ток нагрузки и не пойдет помимо УЗО, но ток утечки(емкостной ток), на столь большой линии, ожидается больше тока срабатывания дифзащиты, которая должна быть не более 30 мА(для защиты людей от поражения электрическим током, в случае прикосновения к металлическим частям, находящихся под фазовым потенциалом, в результате возможного ... и т.д.)
В общем считаю, что высока вероятность ложных срабатываний УЗО. Поэтому, схему с общим нулем, что Вы вынесли ранее на рассмотрение, не рекомендую.
Можно подумать над другими, более надежными вариантами.
Например такой вариант: выполнить независимую резервную группу отдельным проводом и она будет переключаться с питания ВЛ, на питание генератора двухполюсным ПЕРЕКИДНЫМ коммутационным аппаратом. 1-0-2.
Или резервной линией сделать целиком одну фазу, соответственно подобрав нагрузки этой линии(на постоянно) - мощности генератора.
В этом случае применяем перекидной рубильник 1-0-2 (два входа, один выход) на четыре полюса и рвем питание фазных проводников вместе с нулем, в случае с ручным управлением или АВР с четырехполюсными и двухполюсными(на однофазный генератор) пускателями в случае автоматического управления.
А тот девайс, что указали выше, не встречал, но считаю что в Вашем случае он не нужен, бесполезная трата денег, которые лучше можно добавить на приобретение более мощного генератора. Тем более, как Вы сказали, что АВР, выполненный по заказу, у Вас уже есть. А управлять вручную, неплохо можно и обычным перекидным рубильником, без применения дорогостоящей, сложной в обслуживании и эксплуатации электронной аппаратуры.
Лучше сразу делать, на мой взгляд, все как надо, чем потом переделывать сто раз.
-
- Сообщение
Re: Варианты подключения резервного эл.питания дома
Например такой вариант: выполнить независимую резервную группу отдельным проводом и она будет переключаться с питания ВЛ, на питание генератора двухполюсным ПЕРЕКИДНЫМ коммутационным аппаратом. 1-0-2.
Вот набросал свою схемку уточняющую, как будет включена резервная группа.
Поясню, у приборов этой группы своя отдельная нейтраль от УЗО, а вот сама УЗО берет нейтраль от общей нейтральной шины, которая при переключении на резерв отрубается от нейтрали основной линии в распред щитке. Другой момент, что основная этажная нейтральная шина, к которой идут и потребители с обычной (не резервной) группы, так же переключается на генераторную нейтраль, но приборы обычной группы работать же не будут, поскольку фазное подключение к ним будет разорвано.
Конечно есть вариант кидать между этажами ещё один провод, который при включении резервной линии будет разделять и по нейтрали потребители, но есть ли в этом смысл?
-
- Сообщение
Re: Варианты подключения резервного эл.питания дома
Для переключения в этом случае достаточно трехполюсного перекидного рубильника.
В общем схема должна работать с общим нулем для двух потребителей.
-
- Сообщение
Re: Варианты подключения резервного эл.питания дома
- Вложения
-
- Сообщение
Re: Варианты подключения резервного эл.питания дома
А, ну да, Вы все правильно изобразили, тогда действительно для этой линии нужно сделать свою отдельную нейтраль. Но у меня так не удастся сделать, если я хочу раскидать по фазам этажи, а на каждом из этажей есть потребители для резерва и в этажном щитке нейтральная шина одна. Так что эта схема действительно бы работала, если все резервники бы находились в пределах одного этажного щитка.
В моём случае это никак. Но с другой стороны, думаю есть же рубильники типа 1-0-2 для переключения 3-х фазных сетей, чтобы 4-х полюсные были? Может подскажете маркировку такого?
ЗЫ Думается мне, что двухполюсник над рубильником, это даже избыточность переключателей в данной схеме.
Вот собранный мною этажный щиток, он для 3-х комнат(зон) на этаже, на каждую зону по 2 УЗО на розетчные группы, на свет УЗОшки не ставил - помещения все сухие да и места не хватало в щитке, к тому же в дальнейшем в распред щитке стоят УЗО на 100мА для противопожарки. Нижний, 4-ый ряд, 2 отдельных дифа на посудомойку и уличные розетки(балкон) и далее УЗО + ряд АВ это резервная группа.
Провода заземления не стал пока соединять на общую шину, пока не сделаю нормального заземления, а не PEN который на соплях скручен в уличном щитке со счетчиком, а соединять на этажном щитке на одну шину, а провод с шины никуда не подсоединять (как сделал другой электрик в одном этажном щитке) думаю ещё более худший вариант, поскольку при пробое на корпус хотя бы одного потребителя, под потенциалом окажутся все этажные потребители.
Вот как было:
В итоге:
Схема разводки по этажу - лучевая, к каждой группе разеток свой отдельный кабель, на освещение тоже под каждую группу, поэтому проводов приходящих в ящик достаточно много (60 шт).
Это мой первый собственноручно установленный и собранный щиток.
Конечно не обошлось и без казусов: я думал что этот шкафчик симметричный как сверху так и снизу и поставил его так как на нем написано, надпись TOP вверху, а оказалось что расстояния от крайней планки до края шкафчика с разных сторон различаются и сверху это расстояние меньше на 2 см, а в моем варианте основной пучек кабелей приходит снизу, и когда пришла пора ставить нижний ряд автоматов, понял что что то не то... зазора между автоматами и шиной заземления почти не было, при моём кол-ве кабелей, сначала попробовал перенести нижний ряд на одно отверстие выше, но тогда бы лицевая крышка красиво бы не закрылась, пришлось бы увеличивать вверх отверстие для нижнего ряда автоматов, что не очень хотелось... выкрутился тем, что там была возможность перенести шину заземления чуть пониже (в шкафчике по 2 слота с каждой стороны, для возможности установки обоих шин с одной стороны (PE и N).
Конечно впихивал все достаточно плотно, но все по итогу влезло. В итоге вверху шкафчика всё свободно, а внизу очень плотно уложено. Увидел бы заранее что корыто не симметричное, конечно при установке перевернул бы его и всё замечательно бы вошло...
ЗЫ гофра которая осталась висеть - это слаботочка и антенны, которые будут проходить транзитом возле шкафчика в одной штробе с кабелями.
-
- Сообщение
Re: Варианты подключения резервного эл.питания дома
у однофазных бензогенераторов в основном схема соединения IT (изолированная нейтраль) и по вашим рисункам вы произвольно присваиваете значение проводникам выхода генератора "фаза" и "ноль" . Так ? После переключателя ввода резерва бензогенератор присоединяется к схеме TN-C-S .
Вопос собственно в том, насколько корректно от генератора будут работать фазочувствительные электроприемники ( котёл ), не потребуются ли дополнительные устройства? (согласующий трансф. ? )
-
- Ссылки на тему
| Ссылка: | |
| BBcode: | |
| HTML: |
-
- Похожие темы
- Ответы
- Просмотры
- Последнее сообщение
-
-
Соединение «нулей» при подключении резервного электропитания
vladkis в форуме Заземление, зануление, молниезащита - 15
- 2357
-
Mixas
08 дек 2011, 13:40
-
Соединение «нулей» при подключении резервного электропитания
-
-
Типы аккумуляторов для резервного энергоснабжения
elhouse в форуме Электрооборудование, электротехника - 0
- 494
-
elhouse
06 дек 2013, 08:56
-
Типы аккумуляторов для резервного энергоснабжения
-
-
Варианты сборки распределительных щитов
Александр Охрименко в форуме Электромонтаж в нежилых помещениях - 4
- 1291
-
Anatoliy
16 фев 2010, 23:03
-
Варианты сборки распределительных щитов
-
-
Подскажите схему подключения блока авар. питания
cipol1ne в форуме Электрооборудование, электротехника - 2
- 2373
-
Anatoliy
15 мар 2010, 21:16
-
Подскажите схему подключения блока авар. питания
-
- Объявления
Вернуться в Электромонтаж на даче, коттедже, бане
Кто на форуме
Всего посетителей: 1, из них зарегистрированных: 0, скрытых: 0 и гостей: 1 (основано на активности пользователей за последние 10 минут)
Больше всего посетителей (279) здесь было 04 сен 2013, 15:45
Сейчас эту тему просматривают: нет зарегистрированных пользователей и гости 1
Права доступа
Вы не можете начинать темы
Вы не можете отвечать на сообщения
Вы не можете редактировать свои сообщения
Вы не можете удалять свои сообщения
Вы не можете добавлять вложения
Легенда
| Новые сообщения | Нет новых сообщений | Форум закрыт | |||
| Подфорум Новые сообщения | Подфорум Нет новых сообщений | Ссылка на форум |
-
- Объявления
|
phpBB® Forum Software © phpBB Group
Русская поддержка phpBB Связь с администрацией Администраторский раздел |
|


Загрузка. Подождите...










































