-
- Объявления
|
Электромонтаж Электромонтажные работы в деревянном доме. www.electric-house.ru |
Местная Конституция | FAQ - Часто задаваемые вопросы | Для новичков! | Реклама на форуме! | Публикация сообщений | Как вставить картинку или файл
Прежде чем задать вопрос, воспользуйтесь поиском - возможно, что такая тема уже есть на форуме. За нарушение правил Ваш вопрос может быть удален без объяснения причин!
-
- Сообщение
-
Ergan / Автор темы



- Участник

- Прогресс звания:
-
- Заслуженная репутация: 0 +0 / -0

Как правильно организовать эл. защиту дома ?
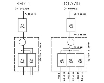
Применима ли такая защита ? Если эти нагрузки не приемлемы в принципе - то опять же как защитить схему от перегрузки ?
-
- Сообщение
-
Shturman



- Электрик

- Прогресс звания:
-
- Заслуженная репутация: 2 +2 / -0

Re: Как правильно организовать эл. защиту дома ?
1. Для начала вам нужно взять разрешение на увеличение мощности в вашей электроснабжающей организации (если вам ещё его дадут).
2. Счетчик должен быть не менее на 60 А. Если меньше то менять придёться.
3. на приведённой схеме сечение кабеля 2,5 мм.кв будет маловато. Минимум 4 кв.мм.
4. По правильному надо бы трёхпроводную проводку сделать с установкой контура заземления (если его нету).
5. Неплохо было бы знать какие у вас планируються потребители.
-
- Сообщение
-
Ergan / Автор темы



- Участник

- Прогресс звания:
-
- Заслуженная репутация: 0 +0 / -0

Re: Как правильно организовать эл. защиту дома ?
Над организацией заземления уже думаю - но както сложно или затратно...
Потребители обычные - плитка, чайник, холодильник, два обогревателя, насос поверхностный, телевизор, освещение, ну и садовая техника...еще что то. Сразу оговорюсь - разделение по веткам сугубо географическое, т.е. одна в дом, другая в баню, третья в сарай.
-
- Сообщение
-
sergey_sav








- Лидер тех. поддержки

- Технический директор

- Прогресс звания:
-
- Заслуженная репутация: 161 +50 / -0

















Re: Как правильно организовать эл. защиту дома ?
Ergan писал(а):Разрешение брать строго говоря неукого
Это пока сеть окончательно не просела от самодеятельности домашних электриков... А вот, когда напряжение в сети упадёт ниже плинтуса все начнут искать виноватых, только про себя забудут...
Ergan писал(а):Просто Сейчас там стоит автомат на 20А - это 4400 Вт
Вполне нормально для садового домика, даже по действующим нормативам, а не по тем, когда сеть строилась (2-3 кВт на домик).
Все тематические вопросы и ответы на них только на форуме!
Санк-Петербург. Электромонтажные работы.
-
- Ссылки на тему
| Ссылка: | |
| BBcode: | |
| HTML: |
-
- Похожие темы
- Ответы
- Просмотры
- Последнее сообщение
-
-
Как организовать автоматическую систему подключения дома?

Владимир. в форуме Электромонтаж на даче, коттедже, бане - 8
- 601
-
alexvel
20 авг 2014, 11:23
-
Как организовать автоматическую систему подключения дома?
-
-
Как организовать молниезащиту?
mc-god2000 в форуме Заземление, зануление, молниезащита - 1
- 136
-
electrohoz
17 дек 2014, 17:27
-
Как организовать молниезащиту?
-
- Объявления
Вернуться в Электромонтаж на даче, коттедже, бане
Кто на форуме
Всего посетителей: 1, из них зарегистрированных: 1, скрытых: 0 и гостей: 0 (основано на активности пользователей за последние 10 минут)
Больше всего посетителей (279) здесь было 04 сен 2013, 16:45
Сейчас эту тему просматривают: archive.org_bot и гости 0
-
- Объявления
|


Загрузка. Подождите...















