-
- Объявления
|
Электромонтаж Электромонтажные работы в деревянном доме. www.electric-house.ru |
Местная Конституция | FAQ - Часто задаваемые вопросы | Для новичков! | Реклама на форуме! | Публикация сообщений | Как вставить картинку или файл
Прежде чем задать вопрос, воспользуйтесь поиском - возможно, что такая тема уже есть на форуме. За нарушение правил Ваш вопрос может быть удален без объяснения причин!
-
- Сообщение
-
Ustinoff / Автор темы




- Заглянувший
- Прогресс звания:
-
- Заслуженная репутация: 0 +0 / -0

Сборка щитков по предоставленному ТУ
Что требуют от меня (что написано в ТУ):
11 Заявитель осуществляет:
11.1 Электроснабжение объекта выполнить ответвлением от проектируемой опоры ВЛ-0.4кВ расположенной на расстоянии не далее 25 метров до границы земельного участка с применением провода марки СИП4 4х16 мм2.
11.2 Установить ограничитель нагрузки.
11.3 На вводе в здание предусмотреть вводное устройство и устройство защитного отключения (УЗО).
11.4 Предоставить в ЗАО Самарская сетевая компания акт замеров сопротивления изоляции кабелей, проводов и контуров заземления.
11.5 Разрешается подключать только сертифицированные устройства заводского изготовления, отвечающие требованиям электро- и пожаробезопасности.
11.6 Монтаж электроустановки, наладку приборов учета выполнить согласно требованиям ПУЭ, квалифицированным электротехническим персоналом организации, имеющим лицензию на данные виды работ.
11.7 Подключение выполнить согласно требованиям СНиП и ПУЭ.
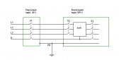
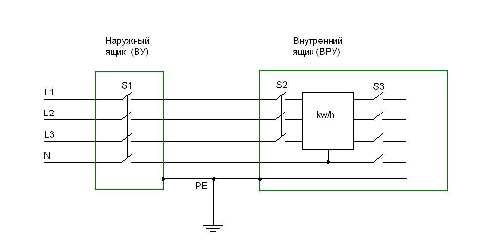
Набросал примерную схемку подключения, по которой устанавливается внешний щиток с дифавтоматом на 63А-300мА (выполнение пункта 11.3), устанавливается внутренний щиток в котором вводной автомат на 40А в корпусе под пломбировку, потом счетчик Матрица НП545 (подходит по мощности, есть встроенный ограничитель нагрузки - выполнение пункта 11.2, требует СО - устно), после счетчика дифавтомат 40А-300мА, а потом видно будет. Щитки металлические с подключение корпуса на заземление. Входной СИП, между ящиками медный 6 мм2.
Беспокоит пункт 11.6, при подачи заявки в организации сказали можно самим делать, в ПУЭ вроде требования тоже нет, в ТУ тоже не написано что я должен предоставит акт выполненных работ и лицензию.
Что можете сказать по всему этому, покритикуйте, подскажите! Ввод кабеля в здание (через стену) выполнять через обычное отверстие или через металлическую трубку? Что скажите на счет пункта 11.4?
Название темы изменено в соответствии с правилами...
- Вложения
-
- Сообщение
-
КЛИМ




- Электрик

- Прогресс звания:
-
- Заслуженная репутация: 2 +2 / -0

Re: Сборка щитков по предоставленному ТУ
Ustinoff писал(а):По ТУ напряжение 380в, мощность 15кВт
Ustinoff писал(а):Набросал примерную схемку подключения, по которой устанавливается внешний щиток с дифавтоматом на 63А-300мА (выполнение пункта 11.3), устанавливается внутренний щиток в котором вводной автомат на 40А в корпусе под пломбировку,
Раз 15кВт-значить нужно АВ ставить 25А.По схеме,
Ustinoff писал(а):Щитки металлические с подключение корпуса на заземление
Разделите РЕН, на РЕ и Н не на корпусе мет.щитка а на шине.Установите ее в наружном ящике ВУ.
-
- Сообщение
-
Ustinoff / Автор темы




- Заглянувший
- Прогресс звания:
-
- Заслуженная репутация: 0 +0 / -0

Re: Сборка щитков по предоставленному ТУ
КЛИМ писал(а):Разделите РЕН, на РЕ и Н не на корпусе мет.щитка а на шине.Установите ее в наружном ящике ВУ.
То есть нулевой провод идущий от столба это и есть PEN, он заходит во внешний щиток, сажается на шину, от шины отходит на автомат отдельным проводом N и от той же шины отдельно PE, а там уж и на корпус щитка от той же шины, заземление сажается тоже на эту шину? а дальше идут отдельно PE и N?
-
- Сообщение
-
КЛИМ




- Электрик

- Прогресс звания:
-
- Заслуженная репутация: 2 +2 / -0

Re: Сборка щитков по предоставленному ТУ
Ustinoff писал(а):То есть нулевой провод идущий от столба это и есть PEN,
Да.
Ustinoff писал(а): он заходит во внешний щиток, сажается на шину,
Правильно на шину.
Ustinoff писал(а):от шины отходит на автомат отдельным проводом N и от той же шины отдельно PE,
Правильно.
Ustinoff писал(а): а там уж и на корпус щитка от той же шины
Да.
Ustinoff писал(а):заземление сажается тоже на эту шину? а дальше идут отдельно PE и N?
Правильно. И У вас получиться система TN-C-S. РЕ и Н больше не должны в месте соединяться.
Добавлено спустя 2 минуты 59 секунд:
Подождем еще ответов более опытных товарищей!
-
- Сообщение
-
Василич






- Лидер тех. поддержки

- Инженер

- Прогресс звания:
-
- Заслуженная репутация: 57 +16 / -0






Re: Сборка щитков по предоставленному ТУ
-
- Ссылки на тему
| Ссылка: | |
| BBcode: | |
| HTML: |
-
- Похожие темы
- Ответы
- Просмотры
- Последнее сообщение
-
-
Сборка аналога военного бензогенератора сделанного в СССР
1, 2 kurganin в форуме Своими руками - 21
- 3298
-
Signaller
03 мар 2014, 05:19
-
Сборка аналога военного бензогенератора сделанного в СССР
-
-
Расположение щитков в детских учреждениях
igor_vl в форуме Электромонтаж в нежилых помещениях - 2
- 605
-
Валериан
12 авг 2010, 19:40
-
Расположение щитков в детских учреждениях
-
- Объявления
Вернуться в Электромонтаж на даче, коттедже, бане
Кто на форуме
Всего посетителей: 1, из них зарегистрированных: 1, скрытых: 0 и гостей: 0 (основано на активности пользователей за последние 10 минут)
Больше всего посетителей (279) здесь было 04 сен 2013, 16:45
Сейчас эту тему просматривают: archive.org_bot и гости 0
-
- Объявления
|


Загрузка. Подождите...














