-
- Объявления
|
Электромонтаж Электромонтажные работы в деревянном доме. www.electric-house.ru |
Местная Конституция | FAQ - Часто задаваемые вопросы | Для новичков! | Реклама на форуме! | Публикация сообщений | Как вставить картинку или файл
Прежде чем задать вопрос, воспользуйтесь поиском - возможно, что такая тема уже есть на форуме. За нарушение правил Ваш вопрос может быть удален без объяснения причин!
-
- Сообщение
замена автоматов в щитке
и насколько ампер лучше поставить вводной автомат и узо
- Вложения
-
- Сообщение
Re: замена автоматов в щитке
7.1.21 ...
Во всех случаях в цепях РЕ и PEN проводников запрещается иметь коммутирующие контактные и бесконтактные элементы
...
1.7.145. Не допускается включать коммутационные аппараты в цепи РЕ- и PEN-проводников, за исключением случаев питания электроприемников при помощи штепсельных соединителей.
Допускается также одновременное отключение всех проводников на вводе в электроустановки индивидуальных жилых, дачных и садовых домов и аналогичных им объектов, питающихся по однофазным ответвлениям от ВЛ. При этом разделение PEN-проводника на РЕ- и N-проводники должно быть выполнено до вводного защитно-коммутационного аппарата.
1.7.80. Не допускается применять УЗО, реагирующие на дифференциальный ток, в четырехпроводных трехфазных цепях (система TN-C). В случае необходимости применения УЗО для защиты отдельных электроприемников, получающих питание от системы TN-C, защитный РЕ-проводник электроприемника должен быть подключен к PEN-проводнику цепи, питающей электроприемник, до защитно-коммутационного аппарата.
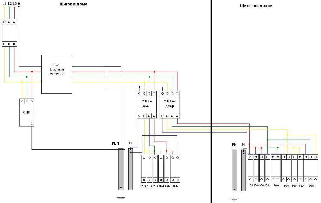
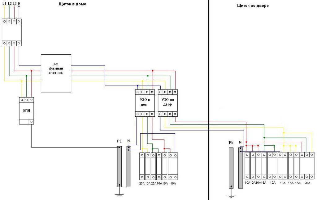
- Питающий ноль (РЕN) должен приходить на РЕ- шину вводного щита и там разделяться на рабочий ноль (N) и защитный ноль (РЕ).
1.7.135. ... PEN-проводник питающей линии должен быть подключен к зажиму или шине нулевого защитного РЕ-проводника
- Т.к. на РЕ шине будет разделение, то между N и РЕ шинами в вводных щитах надо поставить перемычки. Это при условии, что у Вас 2 заземляющего устройства. Если ЗУ одно, тогда разделение РЕN-проводника сделать в одном щите, а во второй щит тянуть отдельный РЕ-проводник и во втором щите перемычку РЕ-N не ставить. Кажется немного запутано, но на самом деле все просто
1.7.135. Когда нулевой рабочий и нулевой защитный проводники разделены начиная с какой-либо точки электроустановки, не допускается объединять их за этой точкой по ходу распределения энергии...
Что же касается номиналов вводных автоматов и УЗО, то они определяются сечением проводников Вашей сети и требованиями селективности. Если озвучите (т.е. напишете) здесь отпущенную Вам электосетями мощность, установленную мощность, сечение кабелей, то, возможно, Вам смогут помоч

-
- Сообщение
Re: замена автоматов в щитке
во двор идет кабель тоже 6.о а от нево уже везде 1.5
- Вложения
- А сейчас правильно
-
- Сообщение
Re: замена автоматов в щитке
Negativ писал(а):А сейчас правильно
Почти правильно
Чтобы видеть ссылки войдите на конференцию или зарегистрируйтесь.
Negativ писал(а):В дом заходит кабель 6.0 на весь дом идут 2 кабеля пвс один на кухню другой в остальные 3 комнаты (делал не я сельский электрик)
во двор идет кабель тоже 6.о а от нево уже везде 1.5
Итак имеем провод ПВС сечением 1.5 кв.мм
Выбираем
Чтобы видеть ссылки войдите на конференцию или зарегистрируйтесь.
Т.е. максимальный допустимый ток 18 А. С учетом того, что ПВС не совсем тот кабель, который применяется для стационарной проводки, выбираем автоматы с номиналом до 16А. Т.о. автоматы номиналом 25А следует заменить.
Если предположить, что Вы выберете автоматы с характеристикой С, выбираем номинал вводного автомата с учетом селективности по току КЗ. Это будет 32А или выше. Смотрим опять в ПУЭ.
Чтобы видеть ссылки войдите на конференцию или зарегистрируйтесь.
Сечение 6 кв. мм по току 32А проходит.
Номинал УЗО должен быть равен или выше вводно автомата. Т.е. 32А или выше, например, 40А
Чтобы видеть ссылки войдите на конференцию или зарегистрируйтесь.
Если что не доглядел, извините, поправьте, если что. праздник-с

П.с. Осветительные группы желательно вывести из под УЗО, что бы долгим зимним вечером неожиданно свет не погас
7.1.79. ...
Установка УЗО в линиях, питающих стационарное оборудование и светильники, а также в общих осветительных сетях, как правило, не требуется.
-
- Сообщение
-
- Сообщение
Re: замена автоматов в щитке
старые автоматы там стоят тоже на 25а
-
- Сообщение
Re: замена автоматов в щитке
Negativ писал(а):А 16а за место 25а это не мало ? так ка там есть электроплита стиралка
старые автоматы там стоят тоже на 25а
На стиральну машину АВ 16А кабель 3*2,5 .На электроплиту прокладывайте новую линию, лучше плиту покупать на 3ф, кабель 5*2,5 или 5*4, под АВ 3полюсный само-то.
-
- Сообщение
Re: замена автоматов в щитке
Добавлено спустя 5 часов 43 минуты 2 секунды:
КЛИМ писал(а):С разделением РЕН на РЕ и Н, что-то намудрили.
а как лучше сделать?
подумал и решил кинуть провода на стиралку и плиту так будет паравильно?
- Вложения
-
- Сообщение
Re: замена автоматов в щитке
Negativ писал(а):а как лучше сделать?
На плиту лучше (как Вам уже рекомендовали) завести 3 фазы, нуль и землю кабелем 5х4, запитав его через 3-х полюсный автомат 3х25 ( для плит допускается без УЗО).
А котёл какой мощности?
-
- Сообщение
Re: замена автоматов в щитке
-
- Сообщение
Re: замена автоматов в щитке
PavelP-y писал(а):Negativ писал(а):а как лучше сделать?
На плиту лучше (как Вам уже рекомендовали) завести 3 фазы, нуль и землю кабелем 5х4, запитав его через 3-х полюсный автомат 3х25 ( для плит допускается без УЗО).
А котёл какой мощности?
котел 158вт и печка 2 фазная
-
- Ссылки на тему
| Ссылка: | |
| BBcode: | |
| HTML: |
-
- Похожие темы
- Ответы
- Просмотры
- Последнее сообщение
-
-
Выбор наминалов автоматов защиты для кухонных линий
Incognito в форуме Электромонтаж на даче, коттедже, бане - 1
- 244
-
nikola
17 окт 2014, 15:32
-
Выбор наминалов автоматов защиты для кухонных линий
-
-
Можно выполнить разделение РЕН в вводном щитке
Grumm в форуме Заземление, зануление, молниезащита - 2
- 789
-
Grumm
17 окт 2010, 10:22
-
Можно выполнить разделение РЕН в вводном щитке
-
-
Как правильно составить в щитке таблицу эл/потребителей
yri в форуме Общие темы по электрике - 4
- 2102
-
yri
07 окт 2009, 05:59
-
Как правильно составить в щитке таблицу эл/потребителей
-
-
Мерцание света в квартире и треск в щитке.
nektoulf в форуме Электромонтаж в квартире - 13
- 6569
-
defelipe
09 апр 2011, 21:06
-
Мерцание света в квартире и треск в щитке.
-
-
Выбивает в щитке один из переключателей. Что делать ?
1, 2 стас в форуме Электромонтаж в квартире - 20
- 6742
-
kokoko
26 июл 2009, 20:55
-
Выбивает в щитке один из переключателей. Что делать ?
-
- Объявления
Вернуться в Электромонтаж на даче, коттедже, бане
Кто на форуме
Всего посетителей: 1, из них зарегистрированных: 0, скрытых: 0 и гостей: 1 (основано на активности пользователей за последние 10 минут)
Больше всего посетителей (279) здесь было 04 сен 2013, 15:45
Сейчас эту тему просматривают: нет зарегистрированных пользователей и гости 1
Права доступа
Вы не можете начинать темы
Вы не можете отвечать на сообщения
Вы не можете редактировать свои сообщения
Вы не можете удалять свои сообщения
Вы не можете добавлять вложения
Легенда
| Новые сообщения | Нет новых сообщений | Форум закрыт | |||
| Подфорум Новые сообщения | Подфорум Нет новых сообщений | Ссылка на форум |
-
- Объявления
|
phpBB® Forum Software © phpBB Group
Русская поддержка phpBB Связь с администрацией Администраторский раздел |
|


Загрузка. Подождите...

























