-
- Объявления
|
Электромонтаж Электромонтажные работы в деревянном доме. www.electric-house.ru |
Местная Конституция | FAQ - Часто задаваемые вопросы | Для новичков! | Реклама на форуме! | Публикация сообщений | Как вставить картинку или файл
Прежде чем задать вопрос, воспользуйтесь поиском - возможно, что такая тема уже есть на форуме. За нарушение правил Ваш вопрос может быть удален без объяснения причин!
-
- Сообщение
-
tanrus / Автор темы




- Участник

- Прогресс звания:
-
- Заслуженная репутация: 0 +0 / -0

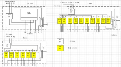
Покритикуйте схему подключения дома.
За ответы заранее огромное спасибо.
- Вложения
-
- Сообщение
-
sergey_sav








- Лидер тех. поддержки

- Технический директор

- Прогресс звания:
-
- Заслуженная репутация: 161 +50 / -0

















Re: Покритикуйте схему подключения дома.
2. При вводном АВ 25А зачем кабель 5*10?
3. Есть ли смысл ставить два АВ одного номинала последовательно? Может поставить второй ВН или взять АВ с разными характеристиками?
4. Остальное совсем нечитаемо...
Все тематические вопросы и ответы на них только на форуме!
Санк-Петербург. Электромонтажные работы.
-
- Сообщение
-
tanrus / Автор темы




- Участник

- Прогресс звания:
-
- Заслуженная репутация: 0 +0 / -0

Re: Покритикуйте схему подключения дома.
1.Исправил, вроде лучше.
2. Какого кабеля будет достаточно? Хотя хуже не будет.
3.Щиток со счетчиком и АВ на улице и в случае необходимости, чтобы не бежать на улицу, второй АВ в доме на 1 этаже. Разные хар-ки -это "В" и"С".
По разводке внутри щитков 4 кв. меди достаточно?
-
- Сообщение
-
sergey_sav








- Лидер тех. поддержки

- Технический директор

- Прогресс звания:
-
- Заслуженная репутация: 161 +50 / -0

















Re: Покритикуйте схему подключения дома.
2. 5*4 или 5*6, зависит от расстояния
3. при одинаковых автоматах вполне вероятна ситуация, что бегать придётся на улицу...
Все тематические вопросы и ответы на них только на форуме!
Санк-Петербург. Электромонтажные работы.
-
- Сообщение
-
tanrus / Автор темы




- Участник

- Прогресс звания:
-
- Заслуженная репутация: 0 +0 / -0

Re: Покритикуйте схему подключения дома.
-
- Сообщение
-
sergey_sav








- Лидер тех. поддержки

- Технический директор

- Прогресс звания:
-
- Заслуженная репутация: 161 +50 / -0

















Re: Покритикуйте схему подключения дома.
tanrus писал(а):можно на две розеточные линию поставить один УЗО.
Все тематические вопросы и ответы на них только на форуме!
Санк-Петербург. Электромонтажные работы.
-
- Сообщение
-
Looking






- Член клуба

- Мастер

- Прогресс звания:
-
- Заслуженная репутация: 18 +5 / -0


Re: Покритикуйте схему подключения дома.
Если 0,7, то сила тока 32,6А. А это уже не 25 автоматик.
На вводе можно ставить не автоматик, а выключатель нагрузки. Если ставите автоматики, то первый вводной 40А (D), Второй 32А (С или В).
По комнатам тоже (В).
Ввода в дом хватит и ВВГнг 5х6мм2.
И будет дорогова-то ставить автоматики и УЗО отдельно, лучше везде поставьте ДИФ'автоматики и не нужно будет УЗО 40А 100мА.
И тем более на Баню нет УЗО.
На свет хватит и по 6А автоматов.
-
- Сообщение
-
sergey_sav








- Лидер тех. поддержки

- Технический директор

- Прогресс звания:
-
- Заслуженная репутация: 161 +50 / -0

















Re: Покритикуйте схему подключения дома.
Есть выделенная мощность, а какая у потребителя она выльется, активная, реактивная или полная, ЭСО будет до лампочки.
Бывает, на местах идут на встречу и прикрывают глаза на АВ номиналом поболее на несколько шагов или на ВН на вводе, но это редкие случаи.
Так что, если сказали (написали в ТУ), что вводной 25А, то так и будет, хоть обсчитайся коэффициентами...

Все тематические вопросы и ответы на них только на форуме!
Санк-Петербург. Электромонтажные работы.
-
- Сообщение
-
Anatoliy






- Почётный Гуру клуба

- Старший энергетик

- Прогресс звания:
-
- Заслуженная репутация: 158 +38 / -0
















Re: Покритикуйте схему подключения дома.
коэффициент мощности отношение активной мощности к полной мощности. Где полная мощность Активная + Реактивная.
А в частном доме это не существенно. Ограничение стоит по вводному автомату.
-
- Сообщение
-
Looking






- Член клуба

- Мастер

- Прогресс звания:
-
- Заслуженная репутация: 18 +5 / -0


Re: Покритикуйте схему подключения дома.
коэффициент мощности отношение активной мощности к полной мощности. Где полная мощность Активная + Реактивная.
А в частном доме это не существенно.
А в проекте это указывать нужно!)
А ещё для удобства обслуживания во втором щитке я бы тоже общий автоматик поставил...) Это где написано ящик 2.
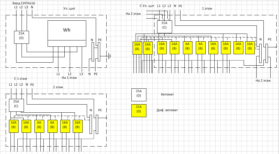
Вот, по быстрому набросал)
- Вложения
-
- Сообщение
-
Pukin





- Мастер

- Прогресс звания:
-
- Заслуженная репутация: 8 +4 / -0

Re: Покритикуйте схему подключения дома.
Если номинал вводного автомата ограничен 25А по требованию электросетей, тогда особенно важно на отходящие от щита группы ставить автоматы с характеристикой "В".
Очень желательно заменить автомат пред счетчиком Включателем нагрузки.
Избыточное колиство УЗО удоражает проект и увеличивает вероятноть ложных срабатываний.
По поводу соsф не заморачиваться, ибо не тот случай.
-
- Сообщение
-
Looking






- Член клуба

- Мастер

- Прогресс звания:
-
- Заслуженная репутация: 18 +5 / -0


Re: Покритикуйте схему подключения дома.
У нас на дома 7,5кВт забивают, в ТУ 40А вводной обязательно С или D. Следующий 32А только С. По группам ставим В.
Вообще на вводе ВН стоит, а после счётчика автоматик.
А мощность если нужно ограничить, то в ТУ забивают ОМ (ограничитель мощности)...
-
- Сообщение
-
tanrus / Автор темы




- Участник

- Прогресс звания:
-
- Заслуженная репутация: 0 +0 / -0

Re: Покритикуйте схему подключения дома.
Про селективность АВ перед счетчиком и 1 щите, тогда что поставить? 25А с разными характеристиками? Поставить в щитка на 32А не дадут. Про УЗО, буду уменьшать количество. Спасибо.
-
- Сообщение
-
Looking






- Член клуба

- Мастер

- Прогресс звания:
-
- Заслуженная репутация: 18 +5 / -0


Re: Покритикуйте схему подключения дома.
"Установить коммутационный аппарат I ном = 25А"
Это значит можно любой коммутационный автомат устанавливать... Как не крути, а после счётчика нужен автомат.
25А с разными характеристиками?
Да, в щитке со счётчиком 25А хар. D. Далее характеристика С и В.
Про УЗО, буду уменьшать количество.
не знаю на счёт ложных срабатываний, они же каждый на своей группе...
Вы мою схемку глянте...
-
- Сообщение
-
tanrus / Автор темы




- Участник

- Прогресс звания:
-
- Заслуженная репутация: 0 +0 / -0

Re: Покритикуйте схему подключения дома.
Looking писал(а):Ну ясн, про ТУ никто ничего не говорил. Обычно в ТУ а наз забивают не вводной автоматик, а выкл. нагрузки... ладно) Но там же не сказано какого типа (А, В, С, D...) и ещё у нас любят забивать в ТУ вводной до и после счётчика автомат.... т.е. До счётчика ВН а после АВ.коэффициент мощности отношение активной мощности к полной мощности. Где полная мощность Активная + Реактивная.
А в частном доме это не существенно.
А в проекте это указывать нужно!)
А ещё для удобства обслуживания во втором щитке я бы тоже общий автоматик поставил...) Это где написано ящик 2.
Вот, по быстрому набросал)
АВ 25А на вводе "Д", в 1и2 щитках "С", на группы "В". Исправлю, спасибо.
-
- Сообщение
-
tanrus / Автор темы




- Участник

- Прогресс звания:
-
- Заслуженная репутация: 0 +0 / -0

Re: Покритикуйте схему подключения дома.
Looking писал(а):"Установить коммутационный аппарат I ном = 25А"
Это значит можно любой коммутационный автомат устанавливать... Как не крути, а после счётчика нужен автомат.25А с разными характеристиками?
Да, в щитке со счётчиком 25А хар. D. Далее характеристика С и В.Про УЗО, буду уменьшать количество.
не знаю на счёт ложных срабатываний, они же каждый на своей группе...
Вы мою схемку глянте...
Да, Вашу схемку посмотрел. Вместо пары УЗО + АВ, у Вас диффы стоят? Беру схему на заметку, спасибо.
-
- Сообщение
-
tanrus / Автор темы




- Участник

- Прогресс звания:
-
- Заслуженная репутация: 0 +0 / -0

Re: Покритикуйте схему подключения дома.
- Вложения
-
- Ссылки на тему
| Ссылка: | |
| BBcode: | |
| HTML: |
-
- Похожие темы
- Ответы
- Просмотры
- Последнее сообщение
-
-
нужна помощь найти схему на эл. погрузчик ЭП205у 1.1
casio2012 в форуме Схемы по электрике - 0
- 790
-
casio2012
11 авг 2010, 20:27
-
нужна помощь найти схему на эл. погрузчик ЭП205у 1.1
-
-
Проверьте схему запуска трехфазного двигателя
fs444 в форуме Схемы по электрике - 15
- 2191
-
yura
28 авг 2010, 21:56
-
Проверьте схему запуска трехфазного двигателя
-
-
Хочу изменить схему заземления
1, 2 KemJok в форуме Заземление, зануление, молниезащита - 23
- 1597
-
KemJok
28 ноя 2011, 18:28
-
Хочу изменить схему заземления
-
-
Реализовать схему в щитке для квартиры

bel в форуме Электромонтаж в квартире - 16
- 537
-
elhouse
19 янв 2014, 17:48
-
Реализовать схему в щитке для квартиры
-
-
Пилорама Енисей 03 - Ищу схему!
Klizubov в форуме Схемы по электрике - 0
- 373
-
Klizubov
21 дек 2010, 07:45
-
Пилорама Енисей 03 - Ищу схему!
-
- Объявления
Вернуться в Электромонтаж на даче, коттедже, бане
Кто на форуме
Всего посетителей: 1, из них зарегистрированных: 1, скрытых: 0 и гостей: 0 (основано на активности пользователей за последние 10 минут)
Больше всего посетителей (279) здесь было 04 сен 2013, 16:45
Сейчас эту тему просматривают: archive.org_bot и гости 0
-
- Объявления
|


Загрузка. Подождите...

















