-
- Объявления
|
Электромонтаж Электромонтажные работы в деревянном доме. www.electric-house.ru |
Местная Конституция | FAQ - Часто задаваемые вопросы | Для новичков! | Реклама на форуме! | Публикация сообщений | Как вставить картинку или файл
Прежде чем задать вопрос, воспользуйтесь поиском - возможно, что такая тема уже есть на форуме. За нарушение правил Ваш вопрос может быть удален без объяснения причин!
-
- Сообщение
-
Sasha6026 / Автор темы


- Заглянувший
- Прогресс звания:
-
- Заслуженная репутация: 0 +0 / -0

Схема проводки в однокомнатной квартире
Схема в PDF
-
- Сообщение
-
sergey_sav








- Лидер тех. поддержки

- Технический директор

- Прогресс звания:
-
- Заслуженная репутация: 161 +50 / -0

















Схема проводки в однокомнатной квартире
Sasha6026 писал(а):что не так и нужно исправить.
Да вообще то ... есть, что не так.
Что ещё за распредкоробка после вводного дифа?
Какое сечения кабеля на освещении? (исправляйте надписи)
Зачем АВ 16А на освещение?
Почему на плиту 16А?...
Короче,
1. проверяйте схему, перед тем как выкладывать.
2. не запихивайте схему столь глубоко в аналы инета, форум позволяет прикреплять изображения, ибо не все захотят искать схему по ссылкам, что бы Вам ответить.
Все тематические вопросы и ответы на них только на форуме!
Санк-Петербург. Электромонтажные работы.
-
- Сообщение
-
Looking






- Член клуба

- Мастер

- Прогресс звания:
-
- Заслуженная репутация: 18 +5 / -0


Схема проводки в однокомнатной квартире
- Сообщение не в тему (флуд)
- не запихивайте схему столь глубоко в аналы инета, форум позволяет прикреплять изображения, ибо не все захотят искать схему по ссылкам, что бы Вам ответить.
И как бы Яндекс диск это удобно, 6 Гиг в инете бесплатно) Я им пользуюсь)
-
- Сообщение
-
Sasha6026 / Автор темы


- Заглянувший
- Прогресс звания:
-
- Заслуженная репутация: 0 +0 / -0

Схема проводки в однокомнатной квартире
sergey_sav писал(а):Зачем АВ 16А на освещение?
Почему на плиту 16А?...
Исправил. По поводу автоматов мнения везде разные. Потому и спрашиваю у профессионалов.
Добавлено спустя 1 минуту 15 секунд:
Looking писал(а):ДИФ как бы и не очень нужет, только дублирует)
ДИФ вроде как "противопожарный". Все в основном ставят.
Добавлено спустя 4 минуты 3 секунды:
Схема исправленная. Как залить картинку по другому не знаю.
Новая схема
-
- Сообщение
-
Looking






- Член клуба

- Мастер

- Прогресс звания:
-
- Заслуженная репутация: 18 +5 / -0


Схема проводки в однокомнатной квартире
ДИФ вроде как "противопожарный". Все в основном ставят.
Ну да, я заметил, но у вас вежду они стоят, и не противопожарные, а с меньшим значением токов утечки, по этому они точно сработают)
По поводу автоматов мнения везде разные. Потому и спрашиваю у профессионалов.
А тут не мнения нужны... А ПУЭ. Ну если сильно надо, я вытащю где и что смотреть?
-
- Сообщение
-
slavapril





- Заслуженный Ректор клуба

- Энергетик

- Прогресс звания:
-
- Заслуженная репутация: 125 +40 / -0













Схема проводки в однокомнатной квартире
Sasha6026 писал(а):Как залить картинку по другому не знаю
Слегка вытащил" с сервера картинку
Раньше я завидовал тем, кто получал больше меня. Теперь я завидую тем, кто ходит на работу с удовольствием
-
- Сообщение
-
Sasha6026 / Автор темы


- Заглянувший
- Прогресс звания:
-
- Заслуженная репутация: 0 +0 / -0

Схема проводки в однокомнатной квартире
Looking писал(а):Ну да, я заметил, но у вас вежду они стоят, и не противопожарные, а с меньшим значением токов утечки, по этому они точно сработают)
Может лучше тогда вместо вводного дифа добавить еще одно узо 20А 30мА на свет?
-
- Сообщение
-
Looking






- Член клуба

- Мастер

- Прогресс звания:
-
- Заслуженная репутация: 18 +5 / -0


Схема проводки в однокомнатной квартире
А вообще перед счётчиком не мешало бы автоматик ампер на 60 с характеристикой D к примеру, и после счётчика автоматик с характеристикой С апрер так на 50.
Ну, а все 16А и 25А автоматики пойдут с характеристикой В.
Думаю так не плохо будет)
Сименс не берите, АВВ или Легранд.
-
- Сообщение
-
Sergo40

- Заглянувший
- Прогресс звания:
-
- Заслуженная репутация: 0 +0 / -0

Схема проводки в однокомнатной квартире
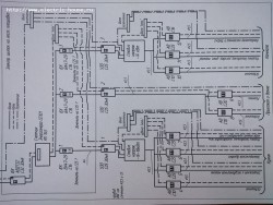
В квартиру от эл.щита уже выведены 3 провода ВВГ-п (3х4,0; 3х2; 3х2). Возникает вопрос дальнейшего установки УЗО, стабилизатора напряжения, автоматов и разделение на группы.
Вопрос:
1. Данная схема правильна для исполнения?
2. Необходимо ли заменить автоматы 1, 2, 3 номиналом С16 на С25?
3. И если есть ошибки в схеме, то какие?
Заранее благодарю.
-
- Сообщение
-
electrohoz


- Отв. за электрохозяйство

- Энергетик

- Прогресс звания:
-
- Заслуженная репутация: 38 +10 / -0




Схема проводки в однокомнатной квартире
Sergo40 писал(а):Возникает вопрос дальнейшего установки УЗО, стабилизатора напряжения, автоматов и разделение на группы.
1.Можно обойтись общим УЗО, после счётчика.
2.Один стабилизатор напряжения на 7кВт и не надо городить огород.
-
- Сообщение
-
Sergo40

- Заглянувший
- Прогресс звания:
-
- Заслуженная репутация: 0 +0 / -0

Схема проводки в однокомнатной квартире
electrohoz писал(а):Sergo40 писал(а):Возникает вопрос дальнейшего установки УЗО, стабилизатора напряжения, автоматов и разделение на группы.
1.Можно обойтись общим УЗО, после счётчика.
2.Один стабилизатор напряжения на 7кВт и не надо городить огород.
Я правильно понял, поставить общий УЗО после счетчика номиналом С32 ?
А где и как присоединить стабилизатор на 7кВт, если в квартиру вошло 3 провода? Хотелось бы защитить всю квартиру, т.к. район строится и напряжение скачет.
-
- Сообщение
-
electrohoz


- Отв. за электрохозяйство

- Энергетик

- Прогресс звания:
-
- Заслуженная репутация: 38 +10 / -0




Схема проводки в однокомнатной квартире
Sergo40 писал(а):поставить общий УЗО после счетчика номиналом С32 ?
Если у вас, вводной автомат 32А, то УЗО на 40А.
Sergo40 писал(а):А где и как присоединить стабилизатор на 7кВт, если в квартиру вошло 3 провода? Хотелось бы защитить всю квартиру,
После УЗО, но до групповых автоматов.
-
- Сообщение
-
Sergo40

- Заглянувший
- Прогресс звания:
-
- Заслуженная репутация: 0 +0 / -0

Схема проводки в однокомнатной квартире
-
- Сообщение
-
electrohoz


- Отв. за электрохозяйство

- Энергетик

- Прогресс звания:
-
- Заслуженная репутация: 38 +10 / -0




Схема проводки в однокомнатной квартире
Sergo40 писал(а):А в остальном схема без грубых ошибок? По ней можно работать?
Вполне!
-
- Сообщение
-
Deffi

- Заглянувший
- Прогресс звания:
-
- Заслуженная репутация: 0 +0 / -0

Схема проводки в однокомнатной квартире
Техника: эл. дух/шкаф, эл. варочная панель, посудомоечная машинка, стиральная машинка.
-
- Сообщение
-
electrohoz


- Отв. за электрохозяйство

- Энергетик

- Прогресс звания:
-
- Заслуженная репутация: 38 +10 / -0




Re: Схема проводки в однокомнатной квартире
Deffi писал(а):оцените пожалуйста правильность схемы щитка для однокомнатной квартиры.
А зачем такой огромный, можно было и скомпоновать!
1. Свет кухня, коридор, комната, балкон.
2. Розетки комната, коридор, роутер, балкон.
Да и после узо, уже никакие автоматы не ставятся, сначала защитный автомат, затем узо и потребитель!
-
- Сообщение
-
sergey_sav








- Лидер тех. поддержки

- Технический директор

- Прогресс звания:
-
- Заслуженная репутация: 161 +50 / -0

















Re: Схема проводки в однокомнатной квартире
electrohoz писал(а):Да и после узо, уже никакие автоматы не ставятся, сначала защитный автомат, затем узо и потребитель!
Да ну?! Что ещё за новости такие?
УЗО защищено от перегрузки или вышестоящим автоматом или нижестоящими автоматами, если сумма их номиналов не превышает номинал УЗО.
А вот автоматы в санузле после УЗО вообще бы выбросил... за ненадобностью.
Питание потребителей балкона или лоджии только с дифзащитой. Обязательно.
Все тематические вопросы и ответы на них только на форуме!
Санк-Петербург. Электромонтажные работы.
-
- Сообщение
-
Deffi

- Заглянувший
- Прогресс звания:
-
- Заслуженная репутация: 0 +0 / -0

Re: Схема проводки в однокомнатной квартире
sergey_sav писал(а):А вот автоматы в санузле после УЗО вообще бы выбросил... за ненадобностью.
Питание потребителей балкона или лоджии только с дифзащитой. Обязательно.
Спасибо, схему поправили.

-
- Ссылки на тему
| Ссылка: | |
| BBcode: | |
| HTML: |
-
- Похожие темы
- Ответы
- Просмотры
- Последнее сообщение
-
-
Схема электропроводки в квартире. Нужна помощь!
1, 2, 3 Andrey в форуме Электромонтаж в квартире - 51
- 18533
-
Консерватор
07 фев 2014, 00:44
-
Схема электропроводки в квартире. Нужна помощь!
-
-
Схема электрощитка в 3 х. комн. квартире

1, 2 Evgeny в форуме Схемы по электрике - 21
- 3018
-
george4577
26 фев 2015, 13:37
-
Схема электрощитка в 3 х. комн. квартире
-
-
Схема электрощита в квартире
PaulXAXA в форуме Схемы по электрике - 17
- 679
-
Вован
23 янв 2014, 00:26
-
Схема электрощита в квартире
-
-
Замена проводки в квартире панельного дома "литовского" типа
Николай13 в форуме Электромонтаж в квартире - 11
- 277
-
Николай13
05 ноя 2014, 12:40
-
Замена проводки в квартире панельного дома "литовского" типа
-
-
Схема эл.проводки нового дома, прошу критики.
mwsab в форуме Электромонтаж на даче, коттедже, бане - 7
- 1789
-
slavapril
10 апр 2012, 23:11
-
Схема эл.проводки нового дома, прошу критики.
-
- Объявления
Вернуться в Электромонтаж в квартире
Кто на форуме
Всего посетителей: 1, из них зарегистрированных: 1, скрытых: 0 и гостей: 0 (основано на активности пользователей за последние 10 минут)
Больше всего посетителей (279) здесь было 04 сен 2013, 16:45
Сейчас эту тему просматривают: archive.org_bot и гости 0
-
- Объявления
|


Загрузка. Подождите...


















