ФОРУМ ПО ЭЛЕКТРИКЕ И ЭЛЕКТРИЧЕСТВУ


Полная версия ВходРегистрация

ПоискБлагодарностиФото-галерея
Видео электриковFAQ



Пред. тема | След. тема
Страница 1 из 2 [ Сообщений: 31 ]
На страницу 1, 2  След.

Начать новую тему Ответить

Версия для печати

Электропроводка в ванной комнате?

Электропроводка в ванной комнате?

Не в сети - Участник

Профиль 
19 янв 2013, 15:37 Сообщение
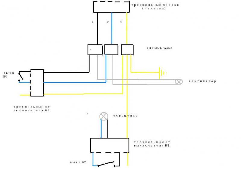
Здравствуйте! Недавно сделал ремонт в квартире, всю электрику делали специалисты и надо отдать им должное всё работает , но по необходимости " сунул нос" в проводку в ванной и при детальном изучении последней оказался в тупике. Надо сказать , что мои знания в электрике не слишком обширны, поэтому сори за примитивизм в терминах, и возможно вообще в самом вопросе. Но вот мне жутко интересна стала эта тема. Я прилагаю точную "зарисовку" того ,что меня вогнало в тупик, и прошу ответить на несколько моих вопросов. Заранее спасибо!
1. Как выключатель №1 может влиять на работу вентилятора если сам вентилятор подключён к проводам из стены напрямую (1и2), через клеммы? Получается , что замкнув ваыключатель № 1 мы практически замыкаем провода 1 и 2 ( а я так понимаю это фаза и ноль)?
2. Как вообще может работать освещение если к нему подходит только жёлтый провод "земля"?
3. Возможно то что я зарисовал это только видимая часть проводки, есть ещё что то скрытое в стенах?

Вложения

Электропроводка в ванной комнате? - схема.JPG
Электропроводка в ванной комнате? - схема.JPG
[ 25.36 КБ | Просмотров: 671 ]


Ответить с цитатой 


Re: Электропроводка в ванной комнате?

Не в сети - Лидер тех. поддержки

Профиль 
19 янв 2013, 15:58 Сообщение
Из приведенного рисунка видно, что в качестве нуля использован ЖЕЛТЫЙ провод (по правилам синий - так что насчет профессионалов - большое сомнение). Если квартира запитана по двухпроводной схеме (без заземления), то работать будет, а вот насчет электробезопасности большие сомнения...
Ответить с цитатой 


Re: Электропроводка в ванной комнате?

Не в сети - Участник

Профиль 
19 янв 2013, 16:30 Сообщение
Вот Вы меня обрадовали! ( это я про безопасность) Ну а всё таки хотелось получить развёрнутые ответы на мои вопросы! я вообще представляю как подключить лампочку и выключатель , два провода в один из них выключатель да бы размыкал цепь и всё , фигня вопрос, но тут то наворочено......я ничего не понял! :lol:
Ответить с цитатой 


Re: Электропроводка в ванной комнате?

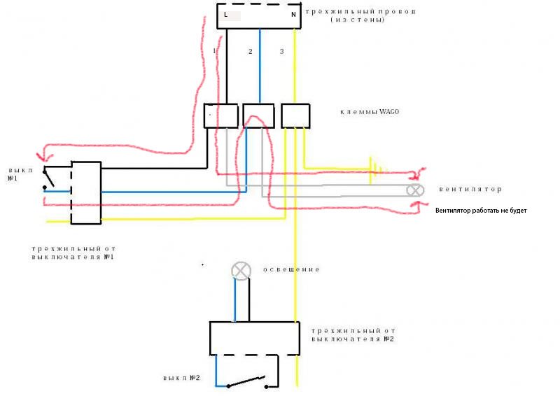
Не в сети - Почётный Гуру клуба

Профиль 
19 янв 2013, 19:18 Сообщение
Не знаю кто рисовал или делал эту схему одно могу сказать профи там и не пахло.

Вложения

Электропроводка в ванной комнате? - Вариант 2
Электропроводка в ванной комнате? - Вариант 2
[ 66.19 КБ | Просмотров: 652 ]

Электропроводка в ванной комнате? - Вариант 1
Электропроводка в ванной комнате? - Вариант 1
[ 70.02 КБ | Просмотров: 652 ]


Ответить с цитатой 


Re: Электропроводка в ванной комнате?

Не в сети - Лидер тех. поддержки

Профиль 
19 янв 2013, 19:50 Сообщение
doragus писал(а)
но тут то наворочено......я ничего не понял!

Если честно, то я тоже ничего не понял...
Хорошо бы дополнить схему замеренными напряжениями в точках, обозначением наличия фазы (там где она есть), да и посмотреть ещё раз внимательно... нет ли ошибок при копировании схемы с реальности на бумагу.
Ответить с цитатой 


Re: Электропроводка в ванной комнате?

Не в сети - Участник

Профиль 
20 янв 2013, 00:11 Сообщение
Вот и я подумал, что работать не должно, но ведь работает! Как? Рисунок абсолютно точно срисован!
Ответить с цитатой 


Re: Электропроводка в ванной комнате?

Не в сети - Заслуженный член клуба

Профиль 
20 янв 2013, 05:15 Сообщение
пришлите фото --с тех мест (откуда срисовывали схему)--возможно ,что то не так увидели !
Ответить с цитатой 


Re: Электропроводка в ванной комнате?

Не в сети - Участник

Профиль 
20 янв 2013, 14:02 Сообщение
Я боюсь что на фото вообще ничего не понятно, сфоткать лучше невозможно так всё это находится межну навесным потолком и потолком. Рисунок свой проверил в десятый раз - всё абсолютно точно, цвета продов, места их соединений всё точно.Единственно, на рисунке цвет одной жилы которая от щитка чёрный (1), а на самом деле белый (ну как я белый на белом нарисую?)

Вложения

Электропроводка в ванной комнате? - IMG_0284
Электропроводка в ванной комнате? - IMG_0284
[ 65.91 КБ | Просмотров: 607 ]


Ответить с цитатой 


Re: Электропроводка в ванной комнате?

Не в сети - Лидер тех. поддержки

Профиль 
20 янв 2013, 14:15 Сообщение
Надписи на фото сделайте по человечески читаемыми. И заодно расширьте границы снимка.
Это то можно сделать?
Ответить с цитатой 


Re: Электропроводка в ванной комнате?

Не в сети - Почётный член клуба

Профиль 
20 янв 2013, 14:17 Сообщение
еще вопрос , вентилятор работает при выключенном свете?
Ответить с цитатой 


Re: Электропроводка в ванной комнате?

Не в сети - Участник

Профиль 
20 янв 2013, 14:30 Сообщение
Нет всё включается отдельно и работает независимо друг от друга. На освещ и на вентил отдельные выключатели.
Ответить с цитатой 


Re: Электропроводка в ванной комнате?

Не в сети - Заслуженный член клуба

Профиль 
20 янв 2013, 14:48 Сообщение
вентилятор с задержкой пуска (при отключении выключателя продолжает работать )--на него три жилы должно проходить
Ответить с цитатой 


Re: Электропроводка в ванной комнате?

Не в сети - Член клуба

Профиль 
20 янв 2013, 14:52 Сообщение
Вложение
Электропроводка в ванной комнате? - схема.JPG
Электропроводка в ванной комнате? - схема.JPG
[ 31.91 КБ | Просмотров: 601 ]

Должно быть как-то так.
Ну,если, по идее.
Ответить с цитатой 


Re: Электропроводка в ванной комнате?

Не в сети - Участник

Профиль 
20 янв 2013, 14:54 Сообщение
При отключении выключателя отлючается сразу без задержек и включается также. Вообщем всё работает на ура! Вот только как? :-)

Добавлено спустя 4 минуты 34 секунды:
PavelP-y писал(а)
Вложение
схема.JPG
Должно быть как-то так.
Ну,если, по идее.


На самом деле всё есть так как нарисовано у меня. И фото тому поддтверждениие. И работать так не должно!!!!!!!!!! :lol: Но ведь работает! :-)
Ответить с цитатой 


Re: Электропроводка в ванной комнате?

Не в сети - Заслуженный член клуба

Профиль 
20 янв 2013, 15:06 Сообщение
в этой схеме (фото) не много не ясно только с вентилятором ---
а что видно в выключателях?
Ответить с цитатой 


Re: Электропроводка в ванной комнате?

Не в сети - Участник

Профиль 
20 янв 2013, 15:15 Сообщение
В выключателях так чёрный и синий подключены а жёлтый просто обрезан.
Ответить с цитатой 


Re: Электропроводка в ванной комнате?

Не в сети - Заслуженный член клуба

Профиль 
20 янв 2013, 15:30 Сообщение
есть два варианта !
1--оставить как есть
2--разобрать (все -выключатели и распайки),взять тестер и начать исследования !
тот провод каторый идет к вентилятору --он хорошо просматривается --по всей трассе --от клемников -и до самого вента ?
Ответить с цитатой 


Re: Электропроводка в ванной комнате?

Не в сети - Участник

Профиль 
20 янв 2013, 15:47 Сообщение
Да!не только просматривается но и прощюпывается!
А оставить всё как есть неинтересно, спать то как ?))))))) :))biggrin
Ответить с цитатой 


Re: Электропроводка в ванной комнате?

Не в сети - Заслуженный член клуба

Профиль 
20 янв 2013, 15:56 Сообщение
ну значит по пункту -2 ------пока все в сети --- (на всякий случай промаркировать провода )
Ответить с цитатой 


Re: Электропроводка в ванной комнате?

Не в сети - Почётный Гуру клуба

Профиль 
20 янв 2013, 16:24 Сообщение
Давайте фото выключателя. Чудес не бывает.
Уж больно замудоенно сделали.
Или хомут в выключателе, или нахомутали в щитке что не срабатывает УЗО
Ответить с цитатой 

Начать новую тему  Ответить
Вернуться к началу

На страницу 1, 2  След.
Страница 1 из 2 [ Сообщений: 31 ]
Пред. тема | След. тема

Сейчас эту тему просматривают: нет зарегистрированных пользователей и гости 1






Найти
Перейти
 


Полная версия

Рейтинг-каталог строительных сайтов - Electric House