Схема квартирного щитка. Нужен совет!
Местная Конституция | FAQ - Часто задаваемые вопросы | Для новичков! | Реклама на форуме! | Публикация сообщений | Как вставить картинку или файл
Помните, поблагодарить автора за интересное сообщение, вы можете - нажав
или повысить его репутацию - нажав
в сообщении.Прежде чем задать вопрос, воспользуйтесь поиском - возможно, что такая тема уже есть на форуме. За нарушение правил Ваш вопрос может быть удален без объяснения причин!
Консультации по личным проектам и схемам: электрощитов, электромонтажу, электропроводке, электроснабжению и обустройству освещения квартиры, производятся только для членов клуба электриков и VIP-пользователей!
Создавать темы в этом разделе могут только члены клуба электриков и VIP-пользователи - Как вступить в "Клуб электриков" и стать VIP-пользователем?
-
West
Автор темы - Участник

Схема квартирного щитка. Нужен совет!
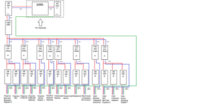
В данный момент делаю электрику у себя в квартире, прошу вас посмотреть схему электро щитка, будет ли работать она или в ней может что исправить? В Электрике не силён, поэтому и прошу вас помочь со схемой
Спасибо!
Интересуют следующие моменты:
1. Интересует так же противопожарная защита, где-то на форумах прочитал что УЗО якобы могут воспламениться из-за особенностей конструкции, так ли это? Если да, то как их можно защитить и не опасна ли данная схема при таком обилии УЗО?
2. Вводной АВ стоит в подъезде, вместе со счётчиком, хочу продублировать вводной АВ в квартире, мне кажется это удобно) Верны ли на схеме мои предположения?
3. Так же интересует вопрос сечения кабеля, везде ли в щитке нужно применять 6мм или можно сделать всё 4мм, или кое что 6мм а кое что 4мм, посоветуйте пожалуйста.
Что касается нагрузок:
Детская комната – Компьютер, магнитофон, может что ещё по мелочи.
Зал – Телевизор, ДВД, утюг (иногда), пылесос (иногда).
Спальня – Телевизор, компьютер.
Кухня – Телевизор, Холодильник, Вытяжка, Чайник.
Ванная – Фен.
Стиральная, посудомоечная машина, кондиционер, бойлер – все имеют свои линии.
-
Энергия СНВТ-10000/1 Hybrid
Стабилизатор напряжения
Высокоточный гибридный стабилизатор с плавной регулировкой, выдерживающий сильные просадки и скачки напряжения.
20.900 руб.
-
Shturman
-
- Член клуба

- Бригадир

Re: Схема квартирного щитка. Нужен совет!
West писал(а):
1. Интересует так же противопожарная защита, где-то на форумах прочитал что УЗО якобы могут воспламениться из-за особенностей конструкции, так ли это? Если да, то как их можно защитить и не опасна ли данная схема при таком обилии УЗО?
Что-то не слышал такого. Про какие особености конструкции УЗО идет речь?
West писал(а):
2. Вводной АВ стоит в подъезде, вместе со счётчиком, хочу продублировать вводной АВ в квартире, мне кажется это удобно) Верны ли на схеме мои предположения?
Отчасти верны. При КЗ первым сработает автомат с характеристикой В но при перегрузке сработать может как первый так и второй автомат а могут и одновременно
West писал(а):
Так же интересует вопрос сечения кабеля, везде ли в щитке нужно применять 6мм или можно сделать всё 4мм, или кое что 6мм а кое что 4мм, посоветуйте пожалуйста.
У вас ток ограничиваеться величиной 25 А поэтому провода в 4 кв.мм в щитке будет достаточно "выше крыши"
Теперь по схеме
1. Зачем так много розеточных груп? Достаточно одной отдельной групы на кухню ну и две можно сделать на комнаты.
2. Для освещения достаточно двух груп.
3. Для квартиры достаточно установить одно общеее УЗО на 30 мА на 32А после вводного автомата.
4. Для розеточных груп при сечении кабеля 2,5 мм.кв автомат можно брать на 20 А.
-
West
Автор темы - Участник

Re: Схема квартирного щитка. Нужен совет!
Shturman писал(а):
Что-то не слышал такого. Про какие особености конструкции УЗО идет речь?
Это я чью то дискуссию на эту тему прочитал, там в подробности не вдавались, но заметили, что, что бы этого небыло (воспламенения) УЗО должно быть защищено с двух сторон.
Добавлено спустя 1 минуту 26 секунд:
West писал(а):
Для квартиры достаточно установить одно общеее УЗО на 30 мА на 32А после вводного автомата.
Между вводным и УЗМ?
-
ВИТАЛИЙ ЙЙ
- Заслуженный член клуба

- Старший энергетик

Re: Схема квартирного щитка. Нужен совет!
West писал(а):
Это я чью то дискуссию на эту тему прочитал, там в подробности не вдавались, но заметили, что, что бы этого небыло (воспламенения) УЗО должно быть защищено с двух сторон.
элнментарно! ставим с каждой стороны по одному огнетушителю и вопрос решен!

Все тематические вопросы и ответы на них, только на форуме! В личку по электрике не отвечаю.
Re: Схема квартирного щитка. Нужен совет!
ВИТАЛИЙ ЙЙ писал(а):
ставим с каждой стороны по одному огнетушителю и вопрос решен!
Про ящик с песком забыл

Интернет-магазин «Electric House». Стабилизаторы напряжения, инверторы, ИБП, аккумуляторы. Voltron, Voltron 3D, Энергия, Энергия Classic/Ultra.
Все тематические вопросы и ответы на них, только на форуме! В личку по электрике не отвечаю.
-
ВИТАЛИЙ ЙЙ
- Заслуженный член клуба

- Старший энергетик

Re: Схема квартирного щитка. Нужен совет!

Все тематические вопросы и ответы на них, только на форуме! В личку по электрике не отвечаю.
Re: Схема квартирного щитка. Нужен совет!
West писал(а):
Это я чью то дискуссию на эту тему прочитал, там в подробности не вдавались, но заметили, что, что бы этого небыло (воспламенения) УЗО должно быть защищено с двух сторон.
Просто запомнили то, что хотелось... Врядли речь велась о воспламенении..., а вот про защиту частично верно, только токовой защиты, как правило, достаточно одной...

Все тематические вопросы и ответы на них только на форуме!
Санк-Петербург. Электромонтажные работы.
-
West
Автор темы - Участник

Re: Схема квартирного щитка. Нужен совет!
West писал(а):
Это я чью то дискуссию на эту тему прочитал, там в подробности не вдавались, но заметили, что, что бы этого небыло (воспламенения) УЗО должно быть защищено с двух сторон.
Это скорее всего речь шла о противопожарном УЗО на 0,3 А.
По схеме, у Вас на некоторых группах УЗО и автомат на 16А..... НО....номинал УЗО должен быть выше, чем номинал автомата, так как автомат выдерживает перегрузку, а УЗО нет.
-
androp
- Участник

Re: Схема квартирного щитка. Нужен совет!
-
Энергия Люкс-1000
Стабилизатор напряжения
Бытовой стабилизатор со встроенным фильтром сетевых помех. Защитит от скачков и просадок напряжения.
2.500 руб.
Рекомендуемый контент
-
- 20
- 2410
-
миш
13 июн, 2012 15:34
-
-
Схема щитка двухкомнатной квартиры. Дом 137-й серии. Вложения
Mitarbeiter » 31 авг, 2015 11:30 » в форуме Электромонтаж в квартире - 12
- 4751
-
Anatoliy
03 июн, 2016 10:48
-
-
-
Подключение квартирного электрощита Вложения
elhouse » 21 дек, 2009 12:16 » в форуме Электромонтаж в квартире - 99
- 23972
-
chus
16 дек, 2014 5:18
-
-
-
Ремонт квартирного звонка Вложения
goldsmith » 05 сен, 2016 5:50 » в форуме Электроустановочные изделия - 3
- 214
-
elhouse
07 сен, 2016 15:33
-
-
-
Подключение квартирного звонка Вложения
i4545igor » 24 дек, 2011 21:43 » в форуме Электромонтаж в квартире - 6
- 2369
-
Калямба
26 дек, 2011 9:51
-
Вернуться в «Электромонтаж в квартире»
Кто на форуме
Сейчас этот форум просматривают: Alexa [Bot] и 0 гостей
Загрузка. Подождите...




















