-
- Объявления
|
Электромонтаж Электромонтажные работы в деревянном доме. www.electric-house.ru |
Местная Конституция | FAQ - Часто задаваемые вопросы | Для новичков! | Реклама на форуме! | Публикация сообщений | Как вставить картинку или файл
Прежде чем задать вопрос, воспользуйтесь поиском - возможно, что такая тема уже есть на форуме. За нарушение правил Ваш вопрос может быть удален без объяснения причин!
-
- Сообщение
-
Evgeny / Автор темы

- Участник
- Прогресс звания:
-
- Заслуженная репутация: 0 +0 / -0

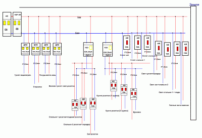
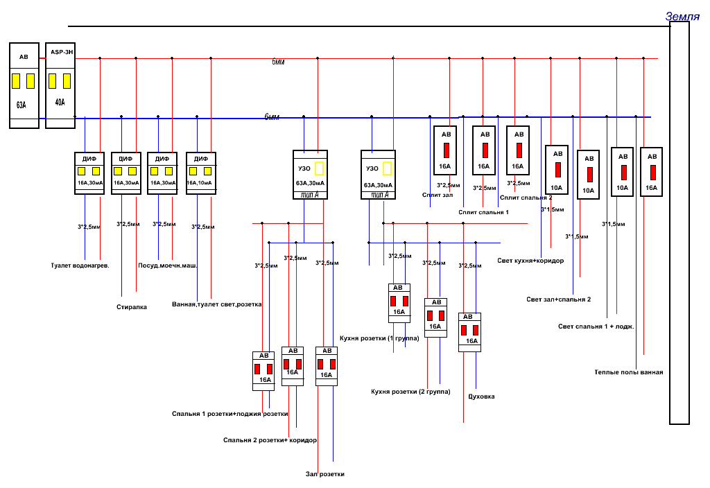
Проверьте схему эл. щитка в 3 х. комн. квартире
- Вложения
-
- Сообщение
-
haramamburu

- Инженер

- Прогресс звания:
-
- Заслуженная репутация: 16 +9 / -2


Re: Проверьте схему эл. щитка в 3 х. комн. квартире
-
- Сообщение
-
Evgeny / Автор темы

- Участник
- Прогресс звания:
-
- Заслуженная репутация: 0 +0 / -0

Re: Проверьте схему эл. щитка в 3 х. комн. квартире
-
- Сообщение
-
Evgeny / Автор темы

- Участник
- Прогресс звания:
-
- Заслуженная репутация: 0 +0 / -0

Re: Проверьте схему эл. щитка в 3 х. комн. квартире
- Вложения
-
- Сообщение
-
slavapril

- Заслуженный Ректор клуба

- Энергетик

- Прогресс звания:
-
- Заслуженная репутация: 120 +39 / -0













Re: Проверьте схему эл. щитка в 3 х. комн. квартире
Осторожно ВИРУС!!!
Раньше я завидовал тем, кто получал больше меня. Теперь я завидую тем, кто ходит на работу с удовольствием
-
- Сообщение
-
<фаза>

- Участник
- Прогресс звания:
-
- Заслуженная репутация: 0 +0 / -0

Re: Проверьте схему эл. щитка в 3 х. комн. квартире
-
- Сообщение
-
Evgeny / Автор темы

- Участник
- Прогресс звания:
-
- Заслуженная репутация: 0 +0 / -0

Re: Проверьте схему эл. щитка в 3 х. комн. квартире
<фаза> писал(а):по моему много лишних автоматов.замена выйдет не дёшево.
Какие по Вашему мнению лишние?
-
- Сообщение
-
<фаза>

- Участник
- Прогресс звания:
-
- Заслуженная репутация: 0 +0 / -0

Re: Проверьте схему эл. щитка в 3 х. комн. квартире
-
- Сообщение
-
Evgeny / Автор темы

- Участник
- Прогресс звания:
-
- Заслуженная репутация: 0 +0 / -0

Re: Проверьте схему эл. щитка в 3 х. комн. квартире
<фаза> писал(а):зачем стиралку и водогрей сажать на отдельные автоматы?кухонные розетки тоже можно на одну группу посадить
Стиралку и водогрей? Надо подумать.Хотя АВ это не УЗО и не ДИФ и экономия не очень значительная получится.
А розетки на кухне на две группы осознанно разбил.Потребителей много и перетыкать не хочется .
Вот УЗО с них может убрать? Хотя безопасность дороже.
В любом случае спасибо .

-
- Сообщение
-
Василич

- Лидер тех. поддержки

- Инженер

- Прогресс звания:
-
- Заслуженная репутация: 57 +16 / -0






Re: Проверьте схему эл. щитка в 3 х. комн. квартире 
2. Духовку безопаснее через отдельный диф. и сечением 4,0 мм2 минимум (через разъем 32А?);
3. Теплый пол ОБЯЗАТЕЛЬНО через диф., лучше отдельный;
4. Водонагреватель минимум 4,0 мм2.
Щиток 3х12 мод - громоздко, но срок эксплуатации около 25 лет перекрывает прочие соображения.
Кол-во аппаратов защиты определяется удобством эксплуатации и защищенностью линий - деньги есть - ВПЕРЕД! Для себя все же!
Бетон-то какой: панель или литье?
А полы? - наливные/деревянные/без стяжки(плита)?
От этого и способы прокладки.
-
- Сообщение
-
<фаза>

- Участник
- Прогресс звания:
-
- Заслуженная репутация: 0 +0 / -0

Re: Проверьте схему эл. щитка в 3 х. комн. квартире
экономия провода.
комнатные розетки тоже можно разбить на 2 группы.
освещение тоже на одну группу.автомата на 16 а вполне хватит.
слаботочку тоже сразу распланируйте.
-
- Сообщение
-
Evgeny / Автор темы

- Участник
- Прогресс звания:
-
- Заслуженная репутация: 0 +0 / -0

Re: Проверьте схему эл. щитка в 3 х. комн. квартире
Василич писал(а):1. Обвязку щитка сделать сечением 10,0 или даже 16,0 мм2;
6 мм думаете мало будет? какой тогда ASP на вход? ( и кстати нужен ли перед ним АВ?)
Василич писал(а):2. Духовку безопаснее через отдельный диф. и сечением 4,0 мм2 минимум (через разъем 32А?);3. Теплый пол ОБЯЗАТЕЛЬНО через диф., лучше отдельный;4. Водонагреватель минимум 4,0 мм2.
...Ссылку убрал - на сайте вирус...
Василич писал(а):Бетон-то какой: панель или литье?
Панель
Как прокладывать уже решил.Разведу по потолку, потом натяжным закрою.Стены штробить.На кухне может то что за кухонной мебелью будет - без штроб верхом пущу.
-
- Сообщение
-
Василич

- Лидер тех. поддержки

- Инженер

- Прогресс звания:
-
- Заслуженная репутация: 57 +16 / -0






Re: Проверьте схему эл. щитка в 3 х. комн. квартире
-
- Сообщение
-
Evgeny / Автор темы

- Участник
- Прогресс звания:
-
- Заслуженная репутация: 0 +0 / -0

Re: Проверьте схему эл. щитка в 3 х. комн. квартире
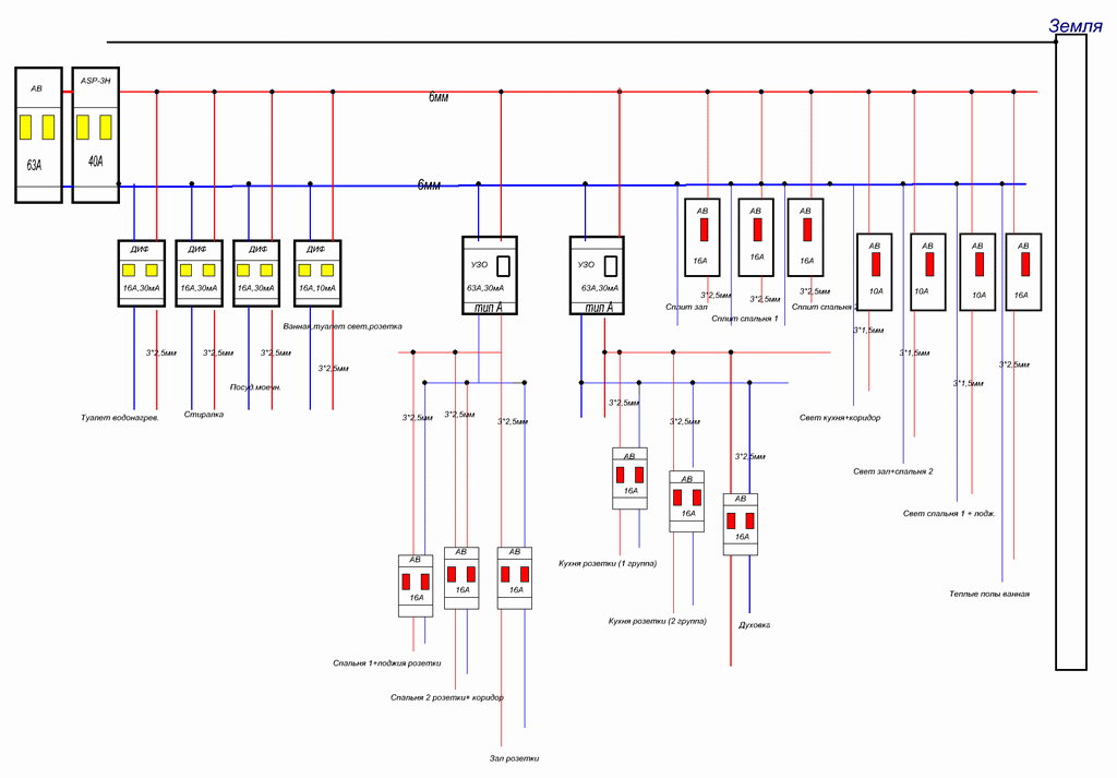
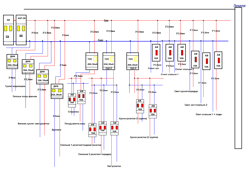
Василич писал(а):Немного не понял в окончательном виде как реализуется соединение от ASP к дифам и автоматам- ведь уже писал, что проводом сечением 10,0 - 16,0 мм2 надо соединять автоматы или однофазными шинками/гребенками, хотя можете сделать медные шины сечением 16,0 - 25,0 мм2, нарезать в них резьбу и через болт отпайки/вводы на аппараты защиты (но габариты щитка увеличиваются до 54 мод, думаю).
Думаю гребенками соединять.
Вот проверте пожалуйста этот вариант.В этом варианте попробовал уменьшить количество аппаратов.Перегрупировал линии.
И сразу вопросы:
1.Номиналы верные у аппаратуры?.
2. У меня Автоматы 1 полюсные и 2-х полюсные, так и должно быть? Или все можно 1 полюсные.Или лучше 1+N все или только на большую нагрузку( т.е. сплит), а на розетки 1 пол?.
3.Теплые полы повесил в группу с светом и розеткой в ванне.Правильно ли это?
4.АВ перед ASP нужно?.
- Вложения
-
- Сообщение
-
<фаза>

- Участник
- Прогресс звания:
-
- Заслуженная репутация: 0 +0 / -0

Re: Проверьте схему эл. щитка в 3 х. комн. квартире
и с моей точки зрения освещение я бы повесил на одну группу,может я не прав,но зачем столько групп на свет?)
-
- Сообщение
-
<фаза>

- Участник
- Прогресс звания:
-
- Заслуженная репутация: 0 +0 / -0

Re: Проверьте схему эл. щитка в 3 х. комн. квартире
-
- Сообщение
-
Evgeny / Автор темы

- Участник
- Прогресс звания:
-
- Заслуженная репутация: 0 +0 / -0

Re: Проверьте схему эл. щитка в 3 х. комн. квартире
<фаза> писал(а):и с моей точки зрения освещение я бы повесил на одну группу,может я не прав,но зачем столько групп на свет?)
Чтобы свет не весь пропал сразу. И при ремонте или переделке не весь вырубать.
<фаза> писал(а):насчёт asp смотрите сами,если сумма позволяет,то ставьте.можно и стабилизатор поставить вместо него.бытовуха стоит дороже 750рублей)))
АСП если найду ставить буду( или Реле напряжения Vp-60A еще не решил).Я имел ввиду - нужен ли автомат перед ним? Он по сути сам автомат.
<фаза> писал(а):можно и стабилизатор поставить
Хороший - дорого. А гав....о , зачем деньги тратить?
<фаза> писал(а):бытовуха стоит дороже 750рублей
Вот это не понял ((
Какая бытовуха?
-
- Сообщение
-
<фаза>

- Участник
- Прогресс звания:
-
- Заслуженная репутация: 0 +0 / -0

Re: Проверьте схему эл. щитка в 3 х. комн. квартире
Evgeny писал(а):Чтобы свет не весь пропал сразу.
ну если так,то тогда да)
Evgeny писал(а):АСП если найду ставить буду( или Реле напряжения Vp-60A еще не решил).Я имел ввиду - нужен ли автомат перед ним? Он по сути сам автомат.
я думаю хватит просто автомата
Evgeny писал(а):Вот это не понял ((Какая бытовуха?
asp стоит 750 р)
это по моему мнению
-
- Ссылки на тему
| Ссылка: | |
| BBcode: | |
| HTML: |
-
- Похожие темы
- Ответы
- Просмотры
- Новое
-
-
Подскажите схему подключения блока авар. питания
cipol1ne в форуме Электрооборудование, электротехника - 2
- 2329
-
Anatoliy
15 мар 2010, 22:16
-
Подскажите схему подключения блока авар. питания
-
-
нужна помощь найти схему на эл. погрузчик ЭП205у 1.1
casio2012 в форуме Схемы по электрике - 0
- 748
-
casio2012
11 авг 2010, 20:27
-
нужна помощь найти схему на эл. погрузчик ЭП205у 1.1
-
-
электронную можно схему подключения датчиков EDC Bosch MC 5
Юлия в форуме Автотехника, автоэлектрика - 1
- 598
-
ВИТАЛИЙ ЙЙ
01 дек 2011, 23:35
-
электронную можно схему подключения датчиков EDC Bosch MC 5
-
-
Как сделать разводку щитка
VitoF в форуме Электрика в квартире - 1
- 2054
-
sergey_sav
13 авг 2009, 00:42
-
Как сделать разводку щитка
-
-
Выбор схемы эл. щитка
IvanZ в форуме Электрика в квартире - 3
- 2271
-
sergey_sav
16 окт 2009, 18:26
-
Выбор схемы эл. щитка
Вернуться в Электрика в квартире
Кто на форуме
Всего посетителей: 1, из них зарегистрированных: 1, скрытых: 0 и гостей: 0 (основано на активности пользователей за последние 10 минут)
Больше всего посетителей (279) здесь было 04 сен 2013, 16:45
Сейчас эту тему просматривают: archive.org_bot и гости 0
-
- Объявления
|


Загрузка. Подождите...



















