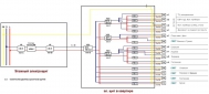
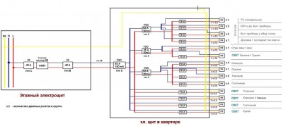
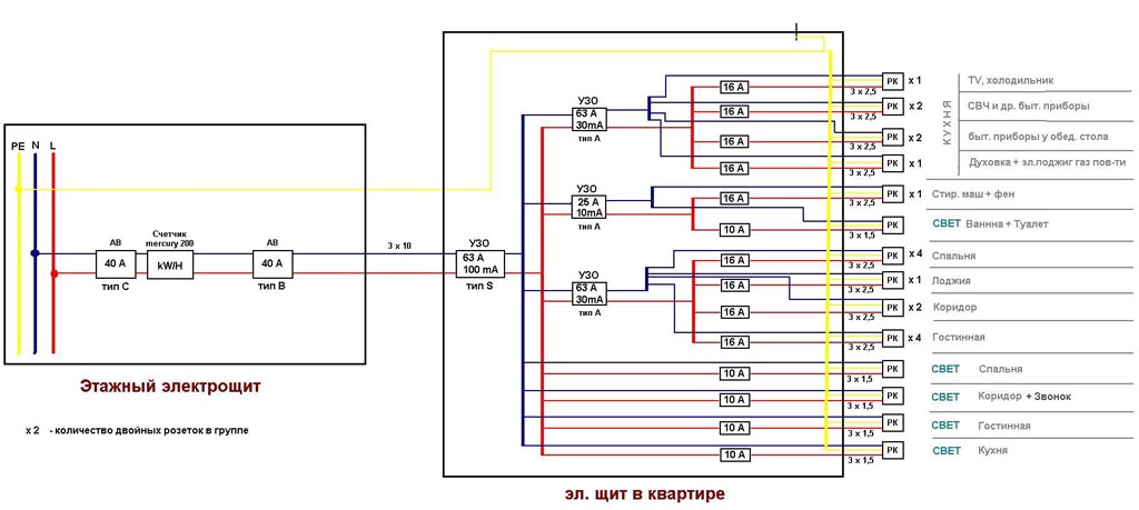
Решил сменить проводку в 2-х комнатной квартире на медь. На доме проводилась полная замена электросистемы с прокладкой PE проводника, эл. снабжение однофазное. Буду использовать кабель ВВГнг-LS или NYM (Севкабель), по квартире сечением 3х1,5мм2 на свет и 3х2,5мм2 на розетки! Прокладка кабеля будет проходить под слоем штукатурки, а также скрыто в гофре или кабельканале под ГК потолком. В квартире будет установлен эл.щит на 24 места. Ниже преведена схема его наполнения:
Вопросы:
1.Правильно ли составлена схема с учетом номиналов и типов устройств, групповые автоматы планирую тип В (собирать щит буду строго по схеме)?
2.Правильно ли выбрано сечение кабеля от этажного щита до квартирного или нужно его увеличить до 3х10мм2, если во всем доме на вводе в квартиры поставлены автоматы ABB 40A?
3.Правильно ли я понял что соединение автоматов и УЗО в квартирном щитке нужно делать жилами кабеля сечением 10мм2?
Заранее спасибо?



Загрузка. Подождите...


























). Это к вопросу о соединении автоматов и УЗО.
)




