-
- Объявления
Архив
Новости
-
- Тема
Подскажите схему подключения блока авар. питания
-
- Объявления
-
- Тема
Как подключить терморегулятор к ТЭНу
-
- Тема
Тепловая завеса
Спасибо.
-
- Тема
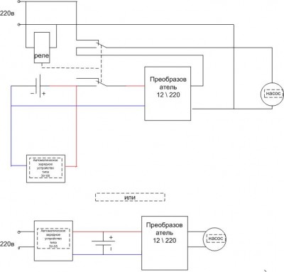
Автономное питание насоса отопления
Посоветовали сделать из автомобильного аккумулятора, зарядного устройства, преобразователя и реле автоматического включения.
Должно работать в основное время от сети а в случае отключения электричества включиться через аккумулятор.
-
- Тема
Стабилизатор напряжения для котла
Спасибо.
-
- Тема
Определение номинального напряжения ТЭНа
-
- Тема
Как выбрать стабилизатор напряжения
Энергетики обязуются поставлять нам электричество надлежащего качества, а именно – частотой 50 Гц и напряжением 220 В +10%. Но, к сожалению, в действительности это часто бывает не так. Если с частотой, как правило, всё в порядке, то напряжение в наших сетях может отклоняться в довольно широком диапазоне. В результате электрооборудование и бытовая техника работают не так как положено, находясь в критических условиях, и рано или поздно выходят из строя.
С [...]
- Вложения
-
- Объявления
|


Загрузка. Подождите...












